Przejdź do treściPrzejdź do informacji o dostępnościMenu skrótów klawiszowych
Logo OpenStax
Wyszukaj kluczowe pojęcia lub tekst.

Zadania

14.1 Indukcyjność wzajemna

28.

Kiedy prąd w jednej cewce zmienia się w tempie 5,6 A s 5,6 A s , w drugiej cewce indukowana jest SEM o wartości 6,3 10 3 V 6,3 10 3 V. Jaka jest indukcyjność wzajemna tych cewek?

29.

Podczas, gdy w jednej cewce indukowana jest SEM o wartości 9,7 10 3 V 9,7 10 3 V, natężenie prądu płynącego przez drugą zmienia się w tempie 2,7 A s 2,7 A s . Ile wynosi indukcyjność wzajemna tych cewek?

30.

Indukcyjność wzajemna dwóch położonych w pobliżu siebie cewek wynosi 32 mH 32mH. Jeśli natężenie prądu płynącego w jednej zanika zgodnie z równaniem i = i 0 e α t i = i 0 e α t , gdzie i 0 = 5 A i 0 = 5 A a α = 2 10 3 s 1 α= 2 10 3 s 1 , to jaka SEM indukowana jest na drugiej natychmiast po rozpoczęciu zanikania prądu, a jaka po czasie t=10-3st=10-3s t = 10^{-3}\si{\second}?

31.

Cewka zawierająca 40 zwojów otacza długi solenoid o polu przekroju poprzecznego 7,5 10 3 m 2 7,5 10 3 m 2 . Solenoid ma 0,5 m 0,5m długości i ma 500 zwojów.

  1. Ile wynosi indukcyjność wzajemna tego układu?
  2. Zewnętrzna cewka zastąpiona jest cewką o 40 zwojach i promieniu trzy razy większym niż promień wewnętrznego solenoidu. Ile wynosi indukcyjność wzajemna w tym przypadku?
32.

Solenoid o 600 zwojach ma 0,55 m 0,55m długości i 4,2 cm 4,2cm średnicy. Wewnątrz umieszczono na stałe niewielką prostokątną pętlę o wymiarach 1,1 cm × 1,4 cm 1,1 cm × 1,4 cm , tak że długa oś solenoidu jest prostopadła do powierzchni pętli. Jaka jest indukcyjność wzajemna tego układu?

33.

Jednorodnie nawinięta cewka o 1000 zwojach w kształcie torusa ma średni promień wynoszący 16 cm 16cm i pole przekroju poprzecznego 0,25 cm 2 0,25 cm 2 . Druga cewka jest nawinięta jednorodnie na pierwszej i ma 750 zwojów. Pomijając niejednorodność pola magnetycznego wewnątrz torusa, wyznacz indukcyjność wzajemną tych dwóch cewek.

34.

Solenoid o N 1 N 1 zwojach ma długość l 1 l 1 i promień R 1 R 1 . Drugi mniejszy solenoid o N 2 N 2 zwojach, dłguości l 2 l 2 i promieniu R 2 R 2 umieszczony jest współosiowo w pierwszym. Jaka jest indukcyjność wzajemna tych solenoidów?

14.2 Samoindukcja i cewki indukcyjne

35.

Kiedy natężenie prądu płynącego przez cewkę zmienia się jednostajnie od 0,1 A 0,1A do 0,6 A 0,6A, indukowana jest SEM o wartości 0,4 V 0,4V. Jaka jest indukcyjność własna cewki?

36.

W ilustracji poniżej natężenie płynącego prądu

  1. zwiększa się;
  2. zmniejsza się.

Który z końców cewki ma w każdym przypadku wyższy potencjał elektryczny?

Rysunek a pokazuje przepływ prądu przez cewkę z lewej na prawo. Rysunek (b) pokazuje przepływ prądu przez cewkę z prawej na lewo.
37.

Jaka jest szybkość zmian natężenia prądu w cewce o indukcyjności 0,3 H 0,3H, jeśli indukowana SEM ma wartość 0,12 V 0,12V?

38.

Po wykonaniu zdjęcia z fleszem kondensator w lampie błyskowej rozładowuje się przez cewkę indukcyjną. W jakim czasie prąd o natężeniu 0,1 A 0,1A musi zostać włączony lub wyłączony, aby wyindukować SEM o wartości 500 V 500V w cewce o indukcyjności własnej 2 mH 2mH?

39.

Natężenie prądu płynącego w cewce o indukcyjności własnej 2 H 2H zmienia się zgodnie z równaniem it=2Asin120πs1tit=2Asin120πs1t. Znajdź wyrażenie na SEM indukowaną w cewce.

40.

Solenoid o długości 50 cm 50cm zwinięty jest z 500 zwojów drutu. Przekrój poprzeczny cewki wynosi 2 cm 2 2 cm 2 . Jaka jest indukcyjność własna solenoidu?

41.

Natężenie prądu płynącego przez cewkę o indukcyjności własnej 3 H 3H zmienia się jednostajnie z szybkością d i d t = 0,05 A s d i d t = 0,05 A s . Ile wynosi wyindukowana SEM? Opisz kierunek tej siły.

42.

Natężenie prądu i t i t płynącego przez cewkę o indukcyjności własnej 5 mH 5mH zmienia się w czasie tak, jak narysowano poniżej. Oporność cewki wynosi 5 Ω 5Ω. Oblicz napięcie w cewce w czasie t = 2 ms t= 2 ms , t = 4 ms t= 4 ms , oraz t = 8 ms t= 8 ms .

Wykres prądu w amperach w stosunku do czasu w milisekundach. Prąd zaczyna płynąć od 0 w 0 milisekundach, wzrasta z czasem i osiąga ponad 6 amperów w czasie 3 milisekund. Opada raptownie do 6 milisekund,następnie opada wolniej i dłużej aż do 12 milisekund.
43.

Na centymetr długości cylindrycznego solenoidu o promieniu 1,5 cm 1,5cm przypada 100 100 zwojów.

  1. Zakładając, że solenoid jest nieskończenie długi, jaka jest jego indukcyjność własna na jednostkę długości?
  2. Jaka SEM indukowana jest na jednostkę długości, jeśli natężenie prądu płynącego przez solenoid zmienia się z szybkością 5 A s 5 A s ?
44.

Przyjmijmy, że toroidalna cewka o przekroju prostokątnym ma 2000 zwojów i indukcyjność własną 0,04 H 0,04H. Ile wynosi stosunek wewnętrznego do zewnętrznego promienia cewki, jeśli h = 0,1 m h= 0,1 m ?

Rysunek pokazuje przekrój toroidu. Promień wewnętrzny pierścienia jest R 1 a promień zewnętrzny R 2. Wysokość w przekroju prostokątnym wynosi h. W środku prostokątnego przekroju znajduje się niewielka część o grubości dr. Dotyczy to odległości r od środka pierścienia. Obszar w przekroju prostokątnym o grubości dr i wysokości h jest podświetlony i oznaczony jako da. Widoczne są linie pola i prąd płynący przez toroid.
45.

Ile wynosi indukcyjność wzajemna na metr koncentrycznego kabla, którego wewnętrzny promień wynosi 0,5 mm 0,5mm, a zewnętrzny – 4 mm 4mm?

14.3 Energia magazynowana w polu magnetycznym

46.

W chwili, gdy prąd o natężeniu 0,2 A 0,2A przepływa przez drucianą pętlę, energia zmagazynowana w jej polu magnetycznym wynosi 6 10 3 J 6 10 3 J. Jaka jest indukcyjność własna pętli?

47.

Toroidalna cewka o przekroju prostokątnym o 2000 zwojach i indukcyjności własnej 0,04 H 0,04H ma wysokość h = 0,1 m h= 0,1 m . Ile wynosi prąd płynący przez nią, jeśli energia pola magnetycznego jest równa 2 10 6 J 2 10 6 J?

48.

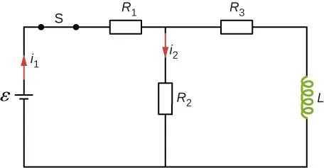
Solenoid A jest nawinięty ciasno, podczas gdy między zwojami solenoidu B są przerwy równe średnicy drutu. Jeśli poza tym faktem solenoidy są identyczne, wyznacz stosunek zmagazynowanych w nich energii przy jednakowym natężeniu prądu przepływającym przez każdy z nich.

49.

Przez cewkę indukcyjną o indukcyjności własnej 10 H 10H płynie prąd o natężeniu 20 A 20A. Jaką ilość lodu w temperaturze 0 °C 0°C mogłaby roztopić z wykorzystaniem energii zmagazynowanej w cewce (przyjmij ctop=334Jgctop=334Jg c_{\text{top}} = \SI{334}{\joule\per\gram} dla lodu)?

50.

Przez pętlę o indukcyjności własnej 3 H 3H i oporze 100 Ω 100Ω płynie stały prąd o natężeniu 2 A 2A.

  1. Ile wynosi energia magnetyczna zmagazynowana w polu pętli?
  2. Ile wynosi energia rozpraszana na oporze pętli w ciągu jednej sekundy?
51.

Przez koncentryczny kabel o zewnętrznym przekroju pięciokrotnie większym od wewnętrznego płynie prąd o natężeniu 1,2 A 1,2A. Ile wynosi wartość pola magnetycznego, która zostanie zmagazynowana na długości kabla 3 m 3m?

14.4 Obwody RL

52.

Dla obwodu z Ilustracji 14.12 ε = 12 V ε= 12 V , L = 20 mH L= 20 mH i R = 5 Ω R= 5 Ω . Wyznacz

  1. stałą czasową obwodu;
  2. początkowe natężenie prądu płynącego przez opornik;
  3. końcowe natężenie prądu płynącego przez opornik;
  4. natężenie prądu płynącego przez opornik w chwili t = 2 τ L t= 2 τ L ;
  5. napięcie na cewce i oporniku w chwili t = 2 τ L t= 2 τ L .
53.

Dla poniższego obwodu ε = 20 V ε= 20 V , L = 4 mH L= 4 mH i R = 5 Ω R= 5 Ω . Po osiągnieciu stanu ustalonego przy zamkniętym S 1 S 1 i otwartym S 2 S 2 pozycja obu przełączników zostaje zmieniona w chwili t=0st=0s. Wyznacz natężenie prądu płynącego przez cewkę w

  1. t=0st=0s;
  2. t = 4 10 4 s t= 4 10 4 s .
  3. Napięcie na oporniku i cewce w chwili t = 4 10 4 s t= 4 10 4 s .


Rysunek pokazuje obwód lączący szeregowo R i L z baterią epsilon z zamkniętym przełącznikiem S. L jest połączone rówolegle z innym opornikiem R i z otwartym przełącznikiem S2.
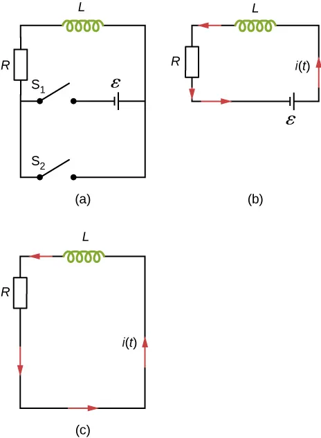
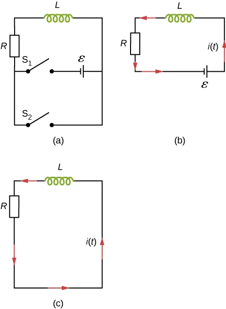
54.

Dla poniższego obwodu płynący prąd po 2 s 2s osiąga 40 % 40% swojej maksymalnej wartości. Jaka jest stała czasowa obwodu?

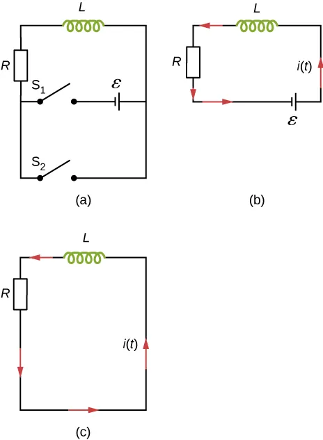
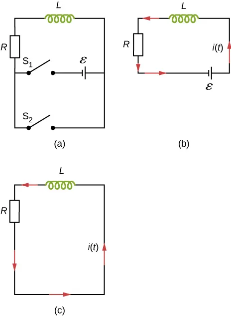
Rysunek (a) przedstawia opornik R i cewkę L połączone szeregowo z dwoma przełącznikami. Obydwa przełączniki są otwarte. Zamykając przełącznik S1 łączymy obwód szeregowo z R i L oraz baterią, której dodatnia końcówka skierowana jest ku L. Zamykając przełącznik S2 zamykamy obwód z R i L, pomijając baterię. Rysunek (b) pokazuje zamknięty szeregowo obwód z R, L i baterią. Strona L zwrócona ku baterii ma potencjał dodatni. Prąd płynie od ładunku dodatniego do ujemnego poprzez L do końcówki ujemnej. Rysunek (c) pokazuje połączenie szeregowe R i L. Potencjał L jest skierowany odwrotnie, ale prąd płynie w tym samym kierunku, co na rysunku b.
55.

Po jakim czasie od zamknięcia przełącznika S 1 S 1 w poniższym obwodzie natężenie prądu osiąga połowę wartości maksymalnej? Odpowiedź wyraź w zależności od stałej czasowej obwodu.

Rysunek pokazuje obwód lączący szeregowo R i L z baterią epsilon i otwartym przełącznikiem S1.
56.

Zapisz d I d t d I d t w momencie zamknięcia poniższego obwodu. Wykaż, że gdyby prąd rósł jednostajnie w tym tempie, osiągnąłby wartość ε R εR w t = τ L t= τ L .

Rysunek (a) pokazuje obwód łączący szeregowo R, L i baterię epsilon z otwartym przełącznikiem S1. Rysunek (b) pokazuje obwód łączący szeregowo R i L z baterią epsilon. Końcówka L jest połączona do dodatnio naładowanego terminala baterii z potencjałem dodatnim. Prąd płynie poprzez L od plusa do minusa.
57.

Natężenie prądu płynącego w poniższym obwodzie osiąga połowę maksymalnej wartości w 1,75 ms 1,75ms po zamknięciu obwodu. Przy L = 250 mH L= 250 mH wyznacz

  1. stałą czasową obwodu τ τ;
  2. opór R R.


Rysunek pokazuje obwód łączący szeregowo R i L z baterią epsilon i otwartym przełącznikiem S1.
58.

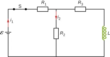
Wyznacz i 1 i 1 , i 2 i 2 i i 3 i 3 w chwili, gdy

  1. przełącznik S S jest zamknięty;
  2. natężenia osiągnęły swoje maksymalne wartości;
  3. przełącznik jest otwarty po tym, jak obwód osiągnął stan ustalony.


Rysunek przedstawia obwód z R1 i L połączony szeregowo z baterią epsilon i zamkniętym przełącznikiem S. R2 jest połączony równolegle z L. Prąd płynący przez R1, L i R2 oznaczony odpowiednio jako l1,l2 i l3.
59.

Dla poniższego obwodu ε = 50 V ε= 50 V , R 1 = 10 Ω R 1 = 10 Ω , R 2 = R 3 = 19,4 Ω R 2 = R 3 = 19,4 Ω i L = 2 mH L= 2 mH , wyznacz wartości i 1 i 1 i i 2 i 2

  1. w chwili zamknięcia obwodu;
  2. po długim czasie od zamknięcia obwodu;
  3. w chwili otwarcia obwodu,
  4. po długim czasie od otwarcia obwodu.


Rysunek pokazuje obwód z połączonymi szeregowo bateriami R1 i R2, baterią epsilon i zamkniętym przełącznikiem S. R2 jest połączone równolegle z L i R3. Prąd przepływający przez R2 i R2 oznaczony odpowiednio jako l1 i l2.
60.

Dla poniższego obwodu znajdź natężenie prądu płynącego przez cewkę 2 10 5 s 2 10 5 s po otwarciu przełącznika.

Rysunek pokazuje obwód z połączonymi szeregowo bateriami R1 i R2, epsilon i zamkniętym przełącznikiem S. R2 jest połączona równolegle z L i R3. Prąd przepływa przez R1 i R2 odpowiednio jako l1 i l2.
61.

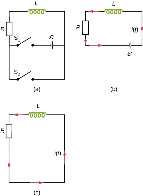
Wykaż, że całkowita energia zmagazynowana w polu magnetycznym cewki indukcyjnej wpiętej do poniższego obwodu Li20s2Li20s2 Li^2 \apply (\SI{0}{\second}) / 2 równa jest całkowitej energii, która zostanie rozproszona na oporniku.

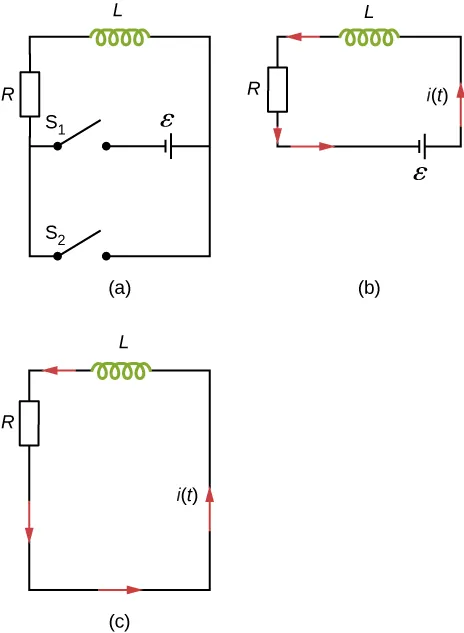
Rysunek (a) przedstawia opornik R i induktor L połączone szeregowo z dwoma przełącznikami równoległymi względem siebie. Obydwa przełączniki są otwarte. Zamykając przełącznik S1 łączymy R i L szeregowo z baterią, która ma zacisk dodatni skierowany do L. Zamykając przełącznik S2 tworzymy zamkniętą pętlę R i L bez baterii. Rysunek (b) przedstawia zamknięty obwód z R, L i baterią połączone szeregowo. Strona L w kierunku baterii ma potencjał dodatni. Prąd płynie z dodatniego końca L, przez niego, do końca ujemnego. Rysunek (c) przedstawia R i L połączone szeregowo. Potencjał całej L L jest odwrócony, ale prąd płynie w tym samym kierunku, jak na rysunku b.

14.5 Oscylacje obwodów LC

62.

Kondensator o pojemności 5000 pF 5000pF naładowano do napięcia 100 V 100V, a następnie podłączono do cewki o indukcyjności własnej 80 mH 80mH. Wyznacz

  1. maksymalną energię zmagazynowaną w polu magnetycznym cewki;
  2. maksymalne natężenie prądu;
  3. częstotliwość drgań obwodu.
63.

Indukcyjność własna i pojemność elementów obwodu LC wynoszą 0,2 mH 0,2mH i 5 pF 5pF. Ile wynosi częstość kątowa drgań obwodu?

64.

Obwód LC z kondensatorem o pojemności 10 µF 10µF wykazuje oscylacje o częstotliwości 60 Hz 60Hz. Ile wynosi indukcyjność własna cewki?

65.

Maksymalny ładunek kondensatora w obwodzie LC wynosi 2 10 6 C 2 10 6 C, a maksymalne natężenie prądu jest równe 8 mA 8mA.

  1. Ile wynosi okres oscylacji?
  2. Ile czasu upływa od momentu całkowitego rozładowania kondensatora do kolejnego pełnego naładowania?
66.

W obwodzie LC L = 20 mH L= 20 mH , a C = 1 µF C= 1 µF .

  1. Ile wynosi częstotliwość drgań?
  2. Ile wynosi maksymalne natężenie prądu płynącego w obwodzie, jeśli maksymalne napięcie między okładkami kondensatora wynosi 50 V 50V?
67.

W obwodzie LC maksymalny ładunek zmagazynowany na kondensatorze wynosi qmaxqmax. Rozważ sytuację, gdy energia jest rozdzielona równomiernie między pole elektryczne kondensatora i pole magnetyczne cewki. Wyznacz ładunek na kondensatorze i natężenie prądu płynącego przez cewkę w zależności od qmaxqmax, L L i C C.

68.

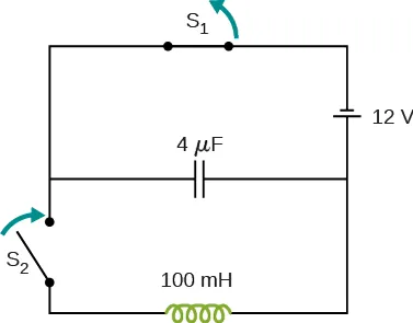
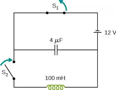
W pewnej chwili otwarto przełącznik S 1 S 1 i zamknięto przełącznik S 2 S 2 w obwodzie, którego schemat przedstawiono poniżej. Wyznacz

  1. częstotliwość powstałych oscylacji;
  2. maksymalny ładunek na kondensatorze;
  3. maksymalne natężenie prądu płynącego przez cewkę;
  4. energię elektromagnetyczną oscylacji.


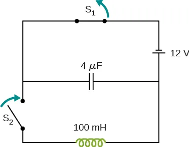
12 woltowy akumulator jest połączony z 4 mikrofaradowym tranzystorem i cewką indukcyjną wielkości 100 milihenrów, które są połączone ze sobą równolegle. W obwodzie istnieją dwa przełączniki. Przełącznik S1 jest zamknięty. Jeżeli jest otwarty to otwarty jest cały obwód. Przełącznik S2 jest otwarty i stąd cewka jest aktualnie odłączona.
69.

Obwód LC zainstalowany w odbiorniku radiowym zawiera cewkę o indukcyjności własnej 2,5 mH 2,5mH i kondensator o zmiennej pojemności. Jeśli odbiornik ma działać w całym paśmie AM od 540 kHz 540kHz do 1600 kHz 1600kHz, jaki powinien być zakres możliwych pojemności kondensatora?

14.6 Obwody RLC

70.

W oscylującym obwodzie RLC R = 5 Ω R= 5 Ω , L = 5 mH L= 5 mH oraz C = 500 µF C= 500 µF . Ile wynosi częstość kątowa oscylacji?

71.

W oscylującym obwodzie RLC L = 10 mH L= 10 mH , C = 1,5 µF C= 1,5 µF i R = 2 Ω R= 2 Ω . Ile czasu upłynie, zanim amplituda oscylacji spadnie do połowy swojej początkowej wartości?

72.

Opornik o jakim oporze musi zostać połączony z cewką o indukcyjności 200 mH 200mH, by oscylacje zanikły do 50 % 50% swojej początkowej wartości po 50 50 cyklach? A o jakim, by zanikły do 0,1 % 0,1% początkowej wartości po 50 50 cyklach?

Cytowanie i udostępnianie

Ten podręcznik nie może być wykorzystywany do trenowania sztucznej inteligencji ani do przetwarzania przez systemy sztucznej inteligencji bez zgody OpenStax lub OpenStax Poland.

Chcesz zacytować, udostępnić albo zmodyfikować treść tej książki? Została ona wydana na licencji Uznanie autorstwa (CC BY) , która wymaga od Ciebie uznania autorstwa OpenStax.

Cytowanie i udostępnienia
  • Jeśli rozpowszechniasz tę książkę w formie drukowanej, umieść na każdej jej kartce informację:
    Treści dostępne za darmo na https://openstax.org/books/fizyka-dla-szk%C3%B3%C5%82-wy%C5%BCszych-tom-2/pages/1-wstep
  • Jeśli rozpowszechniasz całą książkę lub jej fragment w formacie cyfrowym, na każdym widoku strony umieść informację:
    Treści dostępne za darmo na https://openstax.org/books/fizyka-dla-szk%C3%B3%C5%82-wy%C5%BCszych-tom-2/pages/1-wstep
Cytowanie

© 21 wrz 2022 OpenStax. Treść książki została wytworzona przez OpenStax na licencji Uznanie autorstwa (CC BY) . Nazwa OpenStax, logo OpenStax, okładki OpenStax, nazwa OpenStax CNX oraz OpenStax CNX logo nie podlegają licencji Creative Commons i wykorzystanie ich jest dozwolone wyłącznie na mocy uprzedniego pisemnego upoważnienia przez Rice University.