Przejdź do treściPrzejdź do informacji o dostępnościMenu skrótów klawiszowych
Logo OpenStax
Wyszukaj kluczowe pojęcia lub tekst.

Pytania

14.1 Indukcyjność wzajemna

1.

Wykaż, że N Φ B i N Φ B i i ε d i d t ε d i d t , będące wzorami na indukcję własną, wyrażają się w tych samych jednostkach.

2.

W induktorze o indukcyjności 10 H 10H płynie prąd o natężeniu 20 A 20A. Opisz, w jaki sposób można na nim zaindukować SEM o wartości 50 V 50V.

3.

Układ zapłonowy w samochodzie zasilany jest baterią 12 V 12V. Jak za pomocą takiego źródła prądu możemy generować wysokie napięcia?

4.

Kiedy prąd płynący w cewce o wysokiej indukcyjności własnej jest nagle wyłączony przełącznikiem, na jego otwartych końcach pojawia się łuk elektryczny. Wyjaśnij dlaczego.

14.2 Samoindukcja i cewki indukcyjne

5.

Czy indukcyjność własna zależy od strumienia pola magnetycznego? Czy zależy od natężenia prądu płynącego przez przewód? Odnieś swoją odpowiedź do równania N Φ B = L i N Φ B = L i .

6.

Czy indukcyjność własna ciasno nawiniętego solenoidu o długości 1 m 1m jest różna od indukcyjności własnej na metr identycznego, ale nieskończonego solenoidu?

7.

Omów, jak wyznaczyć indukcyjność własną na jednostkę długości długiego, prostego drutu.

8.

Indukcyjność własna cewki jest równa zero, jeśli nie płynie przez nią prąd. Prawda czy fałsz?

9.

Jaka jest relacja między indukcyjnością własną na jednostkę długości w pobliżu środka solenoidu i na jego końcach?

14.3 Energia magazynowana w polu magnetycznym

10.

Wykaż, że L I 2 2 L I 2 2 ma wymiar energii.

14.4 Obwody RL

11.

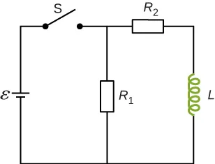
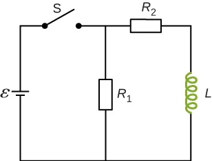
Na mocy reguły Lenza wyjaśnij, dlaczego początkowy prąd w obwodzie RL przedstawionym na Ilustracji 14.12 (b) jest równy zero.

12.

Po osiągnięciu końcowego natężenia prądu ε R εR w obwodzie przedstawionym na Ilustracji 14.12 (b), ile wynosi napięcie mierzone na cewce, a ile na oporniku?

13.

Czy czas, w którym natężenie prądu w obwodzie RL osiąga pewien ułamek I 0 I 0 , zależy od SEM baterii?

14.

Do biegunów baterii przyłączono końce cewki indukcyjnej. Czy natężenie prądu, który ustali się w obwodzie, i czas, po jakim to nastąpi, zależy od oporu wewnętrznego baterii?

15.

Po jakim czasie napięcie na cewce w obwodzie RL przedstawionym na Ilustracji 14.12 (b) osiągnie maksymalną wartość?

16.

Czy SEM indukowana na cewce wpiętej do tego obwodu może przewyższyć SEM źródła prądu?

17.

Jeśli SEM baterii zmniejszymy o połowę, jak zmieni się energia zmagazynowana w polu magnetycznym cewki indukcyjnej?

18.

Przez obwód RL o wysokiej stałej czasowej przepływa stały prąd. Po otwarciu obwodu między końcami przełącznika przeskakuje iskra. Dlaczego?

19.

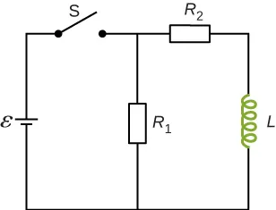
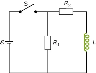
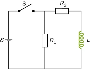
Opisz, jak będzie się zmieniać prąd płynący przez oporniki R 1 R 1 i R 2 R 2 po zamknięciu obwodu.

Rysunek pokazuje obwód połączony szeregowo z opornikiem R1, baterią epsilon, poprzez otwarty przełącznik S. R1 jest równoległy do opornika R2 i cewki L.
20.

Omów możliwe zastosowania obwodów RL.

14.5 Oscylacje obwodów LC

21.

Czy prawa Kirchoffa stosują się do obwodów LC?

22.

Czy element obwodu może posiadać zarówno pojemność, jak i indukcyjność własną?

23.

Jakie własności determinują częstotliwość i amplitudę oscylacji energii w obwodzie LC?

14.6 Obwody RLC

24.

Kiedy zewrzemy ze sobą dwa końce solenoidu, mogą pojawić się oscylacje, takie jak w obwodzie RLC. Wyjaśnij, skąd bierze się w takim obwodzie pojemność elektryczna.

25.

Jaki wpływ na obwód LC ma skończony opór przewodów?

26.

Załóżmy, że chciałbyś zaprojektować obwód LC o częstotliwości 0,01 Hz 0,01Hz. Z jakimi trudnościami mógłbyś się spotkać?

27.

Odbiornik radiowy z wbudowanym obwodem RLC można ustawić tak, by odbierał sygnał o wybranej częstotliwości bez zakłóceń z sygnałów o innych częstotliwościach. Jak zaprojektować taki obwód?

Cytowanie i udostępnianie

Ten podręcznik nie może być wykorzystywany do trenowania sztucznej inteligencji ani do przetwarzania przez systemy sztucznej inteligencji bez zgody OpenStax lub OpenStax Poland.

Chcesz zacytować, udostępnić albo zmodyfikować treść tej książki? Została ona wydana na licencji Uznanie autorstwa (CC BY) , która wymaga od Ciebie uznania autorstwa OpenStax.

Cytowanie i udostępnienia
  • Jeśli rozpowszechniasz tę książkę w formie drukowanej, umieść na każdej jej kartce informację:
    Treści dostępne za darmo na https://openstax.org/books/fizyka-dla-szk%C3%B3%C5%82-wy%C5%BCszych-tom-2/pages/1-wstep
  • Jeśli rozpowszechniasz całą książkę lub jej fragment w formacie cyfrowym, na każdym widoku strony umieść informację:
    Treści dostępne za darmo na https://openstax.org/books/fizyka-dla-szk%C3%B3%C5%82-wy%C5%BCszych-tom-2/pages/1-wstep
Cytowanie

© 21 wrz 2022 OpenStax. Treść książki została wytworzona przez OpenStax na licencji Uznanie autorstwa (CC BY) . Nazwa OpenStax, logo OpenStax, okładki OpenStax, nazwa OpenStax CNX oraz OpenStax CNX logo nie podlegają licencji Creative Commons i wykorzystanie ich jest dozwolone wyłącznie na mocy uprzedniego pisemnego upoważnienia przez Rice University.