Przejdź do treściPrzejdź do informacji o dostępnościMenu skrótów klawiszowych
Logo OpenStax
Wyszukaj kluczowe pojęcia lub tekst.

Zadania

15.1 Źródła prądu zmiennego

14.

Napisz wyrażenie na napięcie wyjściowe źródła napięcia zmiennego, które wytwarza napięcie o amplitudzie 12 V 12V i częstotliwości 200 Hz 200Hz.

15.2 Proste obwody prądu zmiennego

15.

Oblicz reaktancję kondensatora o pojemności 5 µF 5µF dla częstotliwości

  1. 60 Hz 60Hz;
  2. 600 Hz 600Hz;
  3. 6000 Hz 6000Hz.
16.

Ile wynosi pojemność kondensatora, którego kapacytancja dla częstotliwości 60 Hz 60Hz jest równa 10 Ω 10Ω?

17.

Oblicz induktancję cewki o indukcyjności 5 mH 5mH dla częstotliwości

  1. 60 Hz 60Hz;
  2. 600 Hz 600Hz;
  3. 6000 Hz 6000Hz.
18.

Ile wynosi indukcyjność cewki, której induktancja dla częstotliwości 60 Hz 60Hz ma wartość 10 Ω 10Ω?

19.

Dla jakiej częstotliwości kapacytancja kondensatora o pojemności 20 µF 20µF jest równa induktancji cewki o indukcyjności 10 mH 10mH?

20.

Dla częstotliwości 1000 Hz 1000Hz induktancja cewki o indukcyjności 5 mH 5mH jest równa kapacytancji pewnego kondensatora. Ile wynosi pojemność tego kondensatora?

21.

Opornik o oporze 50 Ω 50Ω podłączony jest do źródła o wzorze u t = 160 V sin 120 π t u t = 160 V sin 120 π t . Zapisz wyrażenie na natężenie prądu płynącego przez ten opornik.

22.

Do źródła o wzorze u t = 160 V sin 120 π t u t = 160 V sin 120 π t podłączono kondensator o pojemności 25 µF 25µF.

  1. Ile wynosi kapacytancja tego kondensatora?
  2. Zapisz wyrażenie na natężenie prądu wypływającego ze źródła.
23.

Do źródła z poprzedniego zadania podłączono cewkę o indukcyjności 100 mH 100mH.

  1. Ile wynosi induktancja tej cewki?
  2. Zapisz wyrażenie na natężenie prądu płynącego przez tę cewkę.

15.3 Obwody szeregowe RLC prądu zmiennego

24.

Ile wynosi impedancja szeregowego połączenia opornika o oporze 50 Ω 50Ω, kondensatora o pojemności 5 µF 5µF i kondensatora o pojemności 10 µF 10µF zasilonego prądem zmiennym o częstotliwości 2 kHz 2kHz?

25.

Opornik i kondensator podłączone są szeregowo do generatora napięcia zmiennego. SEM tego źródła dana jest wyrażeniem u t = U 0 cos ω t u t = U 0 cos ω t , gdzie U 0 = 120 V U 0 = 120 V , ω = 120 π rad s ω= 120 π rad s , R = 400 Ω R= 400 Ω i C = 4 mF C= 4 mF .

  1. Ile wynosi impedancja tego obwodu?
  2. Jaka jest amplituda natężenia prądu płynącego przez rezystor?
  3. Zapisz wyrażenie na natężenie prądu płynącego przez ten rezystor;
  4. Zapisz wyrażenie na napięcie odłożone na oporniku i napięcie na kondensatorze.
26.

Opornik i cewka podłączone są szeregowo do generatora napięcia zmiennego. SEM tego źródła dana jest wyrażeniem u t = U 0 cos ω t u t = U 0 cos ω t , gdzie U 0 = 120 V U 0 = 120 V , a ω = 120 π rad s ω= 120 π rad s ; dodatkowo R = 400 Ω R= 400 Ω i L = 1,5 H L= 1,5 H .

  1. Ile wynosi impedancja tego obwodu?
  2. Jaka jest amplituda natężenia prądu płynącego przez rezystor?
  3. Zapisz wyrażenie na natężenie prądu płynącego przez ten rezystor;
  4. Zapisz wyrażenie na napięcie odłożone na oporniku i napięcie na cewce.
27.

W szeregowym obwodzie RLC amplituda napięcia prądu wynosi 100 V 100V, jego częstotliwość 500 Hz 500Hz, R = 500 Ω R= 500 Ω , L = 2 H L= 2 H i C = 2 µF C= 2 µF .

  1. Jaka jest impedancja obwodu?
  2. Ile jest równa amplituda natężenia prądu wypływającego ze źródła?
  3. Jeśli SEM źródła dana jest wyrażeniem u t = 100 V sin 1000 π t u t = 100 V sin 1000 π t , to jak natężenie prądu zależy od czasu?
  4. Oblicz wszystkie poprzednie wielkości dla pojemności kondensatora wynoszącej 0,20 µF 0,20µF.
28.

Szeregowy obwód RLC zasilany jest źródłem o amplitudzie napięcia 50 V 50V i częstotliwości równej 500 Hz 500Hz. R = 600 Ω R= 600 Ω , L = 30 mH L= 30 mH i C = 0,05 µF C= 0,05 µF .

  1. Jaka jest impedancja tego obwodu?
  2. Ile wynosi amplituda natężenia prądu płynącego w obwodzie?
  3. Ile równy jest kąt fazowy pomiędzy SEM źródła a natężeniem prądu?
29.

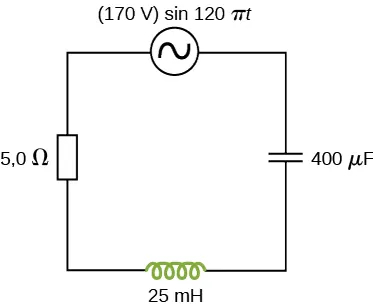
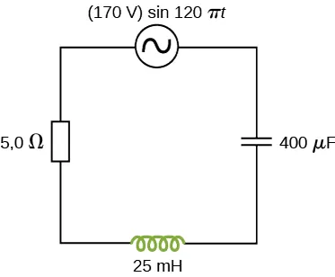
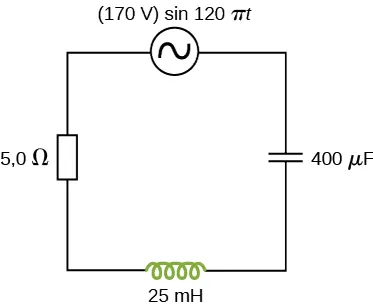
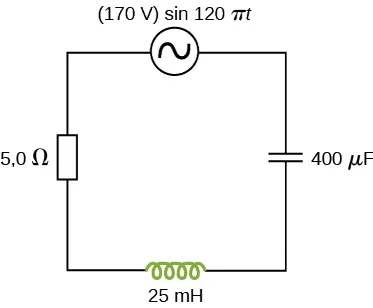
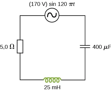
Ile wynosi dla poniższego obwodu

  1. całkowita impedancja;
  2. kąt fazowy pomiędzy natężeniem prądu a SEM?
  3. Zapisz wyrażenie na i t i t .


Rysunek przedstawia obwód ze źródłem napięcia 170 V, sinus 120 pi t, opornikiem 5 omowym, kondensatorem 400 mikrofaradowym i cewką o pojemności 25 milihenrów, połączonych szeregowo.

15.4 Moc w obwodzie prądu zmiennego

30.

SEM źródła napięcia zmiennego dana jest wyrażeniem u t = U 0 sin ω t u t = U 0 sin ω t , gdzie U 0 = 100 V U 0 = 100 V , a ω = 200 π rad s ω= 200 π rad s . Oblicz średnią moc wytwarzaną przez źródło podłączone do

  1. kondensatora o pojemności 20 µF 20µF;
  2. cewki o indukcyjności 20 mH 20mH;
  3. opornika o oporze 50 Ω 50Ω.
31.

Oblicz wartość skuteczną natężenia prądu wypływającego ze źródła prądu zmiennego danego wyrażeniem u t = U 0 sin ω t u t = U 0 sin ω t , gdzie U 0 = 100 V U 0 = 100 V , a ω = 200 π rad s ω= 200 π rad s , podłączonego do

  1. kondensatora o pojemności 20 µF 20µF;
  2. cewki o indukcyjności 20 mH 20mH;
  3. opornika o oporze 50 Ω 50Ω.
32.

Cewka o indukcji 40 mH 40mH podłączona jest do źródła napięcia zmiennego o częstotliwości 60 Hz 60Hz wytwarzającego napięcie o amplitudzie 50 V 50V. Jeśli podłączymy woltomierz zmiennoprądowy do cewki, jakie napięcie wskaże?

33.

W szeregowym obwodzie RLC amplituda napięcia wynosi 100 V 100V, a jego częstotliwość jest równa 500 Hz 500Hz, kiedy R = 500 Ω R= 500 Ω , a L = 0,2 H L= 0,2 H . Wylicz średnią moc wydzielaną na oporniku dla następujących pojemności kondensatora:

  1. C = 2 µF C= 2 µF ;
  2. C = 0,2 µF C= 0,2 µF .
34.

Źródło napięcia zmiennego o amplitudzie 10 V 10V dostarcza 0,8 W 0,8W mocy przy natężeniu prądu równym 2,5 A 2,5A. Ile wynosi wartość kąta fazowego ϕ ϕ pomiędzy SEM a natężeniem prądu?

35.

W szeregowym obwodzie RLC impedancja wynosi 60 Ω 60Ω, a współczynnik mocy równy jest 0,5 0,5, z napięciem opóźnionym względem natężenia prądu.

  1. Czy aby zwiększyć wartość współczynnika mocy, do obwodu powinno się dołączyć kondensator czy cewkę?
  2. Jaka wartość pojemności lub indukcyjności podniesie współczynnik mocy do jedności?

15.5 Rezonans w obwodzie prądu zmiennego

36.

Wykonaj obliczenia i odpowiedz na pytanie.

  1. Oblicz rezonansową częstość kołową szeregowego obwodu RLC, w którym R = 20 Ω R= 20 Ω , L = 75 mH L= 75 mH i C = 4 µF C= 4 µF ;
  2. Co stanie się z wartością rezonansowej częstości kołowej, jeśli wartość R R zostanie zmieniona na 300 Ω 300Ω?
37.

Częstotliwość rezonansowa szeregowego obwodu RLC wynosi 2 10 3 Hz 2 10 3 Hz. Jeśli indukcyjność tego obwodu jest równa 5 mH 5mH, ile wynosi jego pojemność?

38.

Odpowiedz na następujące pytania.

  1. Ile jest równa częstotliwość rezonansowa szeregowego obwodu RLC dla R = 20 Ω R= 20 Ω , L = 2 mH L= 2 mH i C = 4 µF C= 4 µF ?
  2. Ile jest równa impedancja tego obwodu w warunkach rezonansu?
39.

Dla szeregowego obwodu RLC R = 100 Ω R= 100 Ω , L = 150 mH L= 150 mH , a C = 0,25 µF C= 0,25 µF .

  1. Jeśli do tego obwodu podłączymy źródło napięcia zmiennego, dla jakiej częstotliwości na oporniku zostanie rozproszone maksimum mocy?
  2. Ile wynosi dobroć tego obwodu?
40.

Źródło zmiennego napięcia o amplitudzie 100 V 100V i częstotliwości f f zasila szeregowy obwód RLC z R = 100 Ω R= 100 Ω , L = 150 mH L= 150 mH i C = 0,25 µF C= 0,25 µF .

  1. Narysuj wykres natężenia prądu płynącego przez rezystor w funkcji częstotliwości f f;
  2. Przy pomocy wykresu ustal częstotliwość rezonansową tego obwodu.
41.

Odpowiedz na następujące pytania.

  1. Ile równa jest częstotliwość rezonansowa opornika R = 100 Ω R= 100 Ω , kondensatora C = 5 µF C= 5 µF i cewki L = 2 H L= 2 H połączonych ze sobą szeregowo?
  2. Jeśli ten obwód podłączony zostanie do źródła napięcia zmiennego o amplitudzie 100 V 100V, pracującego ze stałą częstotliwością, ile równa będzie moc produkowana przez źródło?
  3. Ile wynosi dobroć Q Q tego obwodu?
  4. Ile równa jest szerokość pasma tego obwodu?
42.

Załóżmy, że pewna cewka ma indukcyjność równą 20 H 20H i induktancję wynoszącą 200 Ω 200Ω. Jaką

  1. pojemność;
  2. rezystancję

należy przyłączyć szeregowo do tej cewki, aby tak powstały obwód miał częstotliwość rezonansową równą 100 Hz 100Hz i dobroć Q = 10 Q=10?

43.

Generator napięcia zmiennego podłączono do pewnego odbiornika, którego wewnętrzne połączenia nie są znane. Znane są jedynie wartości natężenia i napięcia prądu, jak pokazano poniżej. Opierając się na podanych informacjach, jakie możesz wyciągnąć wnioski na temat właściwości elektrycznych podłączonego urządzenia i jego zapotrzebowania na moc?

Rysunek przedstawia źródło prądu przemiennego połączone ze skrzynką oznaczoną Z. Napięcie na zaciskach źródła ma wartość 170 V, cosinus 120 pi t. Natężenie prądu płynącego w obwodzie wynosi 0,5 Amp, cosinus nawias 120 pi t plus pi przez 4 nawias.

15.6 Transformatory

44.

Transformator podwyższający napięcie zaprojektowano tak, by napięcie wyjściowe na uzwojeniu wtórnym miało wartość skuteczną 2000 V 2000V przy zasilaniu uzwojenia pierwotnego linią o napięciu skutecznym 110 V 110V.

  1. Jeśli uzwojenie pierwotne ma 100 100 zwojów, ile zwojów liczy uzwojenie wtórne tego transformatora?
  2. Jeśli przez opornik obciążający uzwojenie wtórne płynie prąd o natężeniu skutecznym równym 0,75 A 0,75A, jakie natężenie prądu obserwowane jest w uzwojeniu pierwotnym?
45.

Transformator podwyższający napięcie, podłączony do 110-woltowej linii, używany jest jako źródło zasilania wodorowej lampy wyładowczej o napięciu znamionowym 5 kV 5kV. Rurka ma moc znamionową 75 W 75W.

  1. Jaki jest stosunek liczby zwojów na uzwojeniu wtórnym do liczby zwojów na uzwojeniu pierwotnym?
  2. Jakie są wartości skuteczne natężenia prądu płynącego przez uzwojenie pierwotne i uzwojenie wtórne?
  3. Ile wynosi wypadkowy opór „widziany” przez 110-woltowe źródło?
46.

Źródło napięcia zmiennego produkuje moc 5 mW 5mW przy dostarczaniu prądu o natężeniu skutecznym 2 mA 2mA, kiedy podłączy się je do uzwojenia pierwotnego transformatora. Napięcie skuteczne na uzwojeniu wtórnym tego transformatora wynosi 20 V 20V.

  1. Ile wynoszą napięcie prądu na uzwojeniu pierwotnym i natężenie prądu płynącego przez uzwojenie wtórne?
  2. Jaki jest stosunek liczby zwojów na uzwojeniu wtórnym do liczby zwojów na uzwojeniu pierwotnym?
47.

Transformator używany jest do obniżenia napięcia ze 110 V 110V do 9 V 9V, do zasilania radia.

  1. Jeśli uzwojenie pierwotne ma 500 500 zwojów, ile zwojów posiada uzwojenie wtórne?
  2. Jeśli obwody radia pracują przy natężeniu prądu równym 500 mA 500mA, jakie jest natężenie prądu płynącego przez uzwojenie pierwotne?
48.

Transformator podłączony do gniazdka o napięciu 110 V 110V używany jest jako źródło napięcia do 12-woltowego modelu pociągu. Pociąg pobiera 50 W 50W mocy.

  1. Jakie jest natężenie skuteczne prądu płynącego przez uzwojenie wtórne?
  2. Jakie jest natężenie skuteczne prądu w uzwojeniu pierwotnym?
  3. Ile wynosi stosunek liczby zwojów na uzwojeniu pierwotnym do uzwojenia wtórnego?
  4. Jaki jest opór obwodów modelu pociągu?
  5. Ile wynosi opór widziany przez gniazdko?
Cytowanie i udostępnianie

Ten podręcznik nie może być wykorzystywany do trenowania sztucznej inteligencji ani do przetwarzania przez systemy sztucznej inteligencji bez zgody OpenStax lub OpenStax Poland.

Chcesz zacytować, udostępnić albo zmodyfikować treść tej książki? Została ona wydana na licencji Uznanie autorstwa (CC BY) , która wymaga od Ciebie uznania autorstwa OpenStax.

Cytowanie i udostępnienia
  • Jeśli rozpowszechniasz tę książkę w formie drukowanej, umieść na każdej jej kartce informację:
    Treści dostępne za darmo na https://openstax.org/books/fizyka-dla-szk%C3%B3%C5%82-wy%C5%BCszych-tom-2/pages/1-wstep
  • Jeśli rozpowszechniasz całą książkę lub jej fragment w formacie cyfrowym, na każdym widoku strony umieść informację:
    Treści dostępne za darmo na https://openstax.org/books/fizyka-dla-szk%C3%B3%C5%82-wy%C5%BCszych-tom-2/pages/1-wstep
Cytowanie

© 21 wrz 2022 OpenStax. Treść książki została wytworzona przez OpenStax na licencji Uznanie autorstwa (CC BY) . Nazwa OpenStax, logo OpenStax, okładki OpenStax, nazwa OpenStax CNX oraz OpenStax CNX logo nie podlegają licencji Creative Commons i wykorzystanie ich jest dozwolone wyłącznie na mocy uprzedniego pisemnego upoważnienia przez Rice University.