Przejdź do treściPrzejdź do informacji o dostępnościMenu skrótów klawiszowych
Logo OpenStax
Wyszukaj kluczowe pojęcia lub tekst.

Zadania

10.1 Siła elektromotoryczna

20.

Akumulator samochodowy o SEM równej 12 ⁢⁢ V 12⁢⁢V i oporze wewnętrznym 0,05 ⁢⁢ Ω 0,05⁢⁢Ω ładowany jest prądem 60 ⁢⁢ A 60⁢⁢A.

  1. Jaka jest różnica potencjałów na jego zaciskach?
  2. Jak szybko ulega rozproszeniu energia cieplna w akumulatorze?
  3. Jak szybko energia elektryczna przekształca się w energię chemiczną?
21.

Etykieta na zasilanym bateriami radiu zaleca stosowanie akumulatorków niklowo-kadmowych, choć mają SEM równą 1,25 ⁢⁢ V 1,25⁢⁢V, podczas gdy baterie alkaliczne mają SEM równą 1,58 ⁢⁢ V 1,58⁢⁢V. Radio ma opór 3,2 ⁢⁢ Ω 3,2⁢⁢Ω.

  1. Narysuj schemat radia i zasilającej go baterii;
  2. Oblicz moc dostarczaną do radia przy użyciu akumulatorków niklowo-kadmowych, z których każdy ma opór wewnętrzny 0,04 ⁢⁢ Ω 0,04⁢⁢Ω;
  3. Oblicz moc dostarczaną do radia przy użyciu baterii alkalicznych, z których każda ma opór wewnętrzny 0,2 ⁢⁢ Ω 0,2⁢⁢Ω;
  4. Czy ta różnica wydaje się znacząca, biorąc pod uwagę, że efektywna rezystancja radia maleje, gdy zwiększamy jego głośność?
22.

Rozrusznik silnika samochodowego ma opór 0,05 ⁢⁢ Ω 0,05⁢⁢Ω i jest zasilany akumulatorem 12 V 12V o oporze wewnętrznym 0,01 ⁢⁢ Ω 0,01⁢⁢Ω.

  1. Ile wynosi natężenie prądu płynącego do silnika?
  2. Jakie napięcie do niego przyłożono?
  3. Jaka moc jest dostarczana do silnika?
  4. Powtórz obliczenia dla przypadku, gdy połączenia akumulatora są skorodowane, zwiększając opór w obwodzie o 0,09 ⁢⁢ Ω 0,09⁢⁢Ω (nawet niewielkie dodatkowe opory mogą powodować istotne problemy w zastosowaniach niskonapięciowych i wysokoprądowych).
23.

Odpowiedz na poniższe pytania.

  1. Jaki jest opór wewnętrzny źródła napięcia, jeżeli między jego zaciskami potencjał spada o 2 ⁢⁢ V 2⁢⁢V, gdy natężenie prądu wzrasta o 5 ⁢⁢ A 5⁢⁢A?
  2. Czy na podstawie dostarczonych informacji możesz wyznaczyć SEM źródła napięcia?
24.

Osoba o oporności organizmu między dłońmi wynoszącej 10 ⁢⁢ 10⁢⁢ przypadkowo chwyta zaciski zasilacza 20 ⁢⁢ kV 20⁢⁢kV. (Nie wolno tego robić!)

  1. Narysuj schemat odpowiadający tej sytuacji;
  2. Ile wynosi natężenie prądu przepływającego przez ciało, jeżeli opór wewnętrzny zasilacza jest równy 2 ⁢⁢ 2⁢⁢?
  3. Jaka moc jest rozpraszana w ciele?
  4. Jeśli zasilacz ma odpowiednie zabezpieczenie powodujące wzrost jego oporu wewnętrznego, to jaki powinien być jego opór wewnętrzny, aby maksymalne natężenie prądu w tej sytuacji nie przekraczało 1 ⁢⁢ mA 1⁢⁢mA?
  5. Czy ta modyfikacja może zmniejszyć skuteczność działania zasilacza w zastosowaniach do zasilania urządzeń o niskim oporze? Wyjaśnij swoje rozumowanie.
25.

Akumulator samochodowy o SEM 12 ⁢⁢ V 12⁢⁢V ma napięcie między biegunami wynoszące 16 ⁢⁢ V 16⁢⁢V podczas ładowania prądem o natężeniu 10 ⁢⁢ A 10⁢⁢A.

  1. Ile wynosi opór wewnętrzny akumulatora?
  2. Jaka moc jest rozpraszana w akumulatorze?
  3. Jak szybko (w °C min °Cmin) będzie rosła jego temperatura, jeśli masa akumulatora wynosi 20 ⁢⁢ kg 20⁢⁢kg, a jego ciepło właściwe 0,3 ⁢⁢ kcal kg ⁢⁢ °C 0,3⁢⁢ kcal kg ⁢⁢ °C , jeśli założysz brak strat ciepła?

10.2 Oporniki połączone szeregowo i równolegle

26.

Jaki jest opór równoważny, gdy oporniki o oporach: 100 ⁢⁢ Ω 100⁢⁢Ω, 2,5 ⁢⁢ 2,5⁢⁢ i 4 ⁢⁢ 4⁢⁢ połączysz

  1. szeregowo;
  2. równolegle?
27.

Jaki największy i najmniejszy opór otrzymasz z połączenia oporników o oporze: 36 ⁢⁢ Ω 36⁢⁢Ω, 50 ⁢⁢ Ω 50⁢⁢Ω i 700 ⁢⁢ Ω 700⁢⁢Ω?

28.

Toster o mocy 1800 ⁢⁢ W 1800⁢⁢W, głośnik o mocy 1400 ⁢⁢ W 1400⁢⁢W i lampę 75 ⁢⁢ W 75⁢⁢W podłączono do wspólnego gniazdka będącego w obwodzie o napięciu 230 ⁢⁢ V 230⁢⁢V i zabezpieczonego bezpiecznikiem 15 ⁢⁢ A 15⁢⁢A. (Trzy urządzenia są równolegle podłączone do tego samego gniazdka).

  1. Prąd o jakim natężeniu płynie przez każde z urządzeń?
  2. Czy takie podłączenie urządzeń spowoduje wybicie (zadziałanie) bezpiecznika 15 ⁢⁢ A 15⁢⁢A?
29.

Reflektor o mocy 30 ⁢⁢ W 30⁢⁢W oraz rozrusznik o mocy 2,4 ⁢⁢ kW 2,4⁢⁢kW w samochodzie są zazwyczaj połączone równolegle w zasilanym akumulatorem 12 ⁢⁢ V 12⁢⁢V obwodzie. Jaką moc będą pobierać te urządzenia podłączone szeregowo do akumulatora? (Pomiń wszystkie inne rezystancje w obwodzie i wszelkie zmiany oporu w omawianych urządzeniach).

30.

Mamy baterię o napięciu na biegunach równym 48 ⁢⁢ V 48⁢⁢V i oporniki 24 ⁢⁢ Ω 24⁢⁢Ω i 96 ⁢⁢ Ω 96⁢⁢Ω.

  1. Oblicz natężenie prądu płynącego przez każdy opornik i moc rozpraszaną przez każdy z nich, gdy połączone są szeregowo;
  2. Powtórz obliczenia dla równoległego połączenia oporników.
31.

Nawiązując do Ilustracji 10.16, przedstawiającego kombinacje połączeń szeregowych i równoległych, oblicz I 3 I 3 na dwa sposoby:

  1. na podstawie znanych wartości I I oraz I 2 I 2 ;
  2. za pomocą prawa Ohma dla R 3 R 3 .

W obu przypadkach wskaż wyraźnie, w jaki sposób skorzystałeś ze schematu nazwanego strategią rozwiązywania problemów w przypadku szeregowego i równoległego połączenia oporników, opisanego w Ramka Strategia rozwiązywania zadań: oporniki połączone szeregowo i równolegle.

32.

Odnosząc się do Ilustracji 10.16,

  1. oblicz P 3 P 3 i otrzymaną wartość porównaj z wartościami P 3 P 3 uzyskanymi w pierwszych dwóch przykładowych problemach w tym rozdziale;
  2. oblicz moc źródła i porównaj z mocą rozpraszaną przez wszystkie oporniki.
33.

Cofnij się do Ilustracji 10.17 i dyskusji dotyczącej przygasania świateł, gdy włączy się urządzenie znacznie obciążające obwód. Dane są: źródło o napięciu na biegunach równym 120 ⁢⁢ V 120⁢⁢V, rezystancja przewodów 0,8 ⁢⁢ Ω 0,8⁢⁢Ω i żarówka o mocy nominalnej 75 ⁢⁢ W 75⁢⁢W.

  1. Jaka będzie moc rozpraszania energii przez żarówkę, jeśli w momencie włączania silnika przez przewód popłynie prąd 15 ⁢⁢ A 15⁢⁢A? Załóż, że zmiana oporu żarówki jest nieistotna;
  2. Jak szybko silnik zużywa dostarczaną energię?
34.

Pokaż, że jeśli połączymy ze sobą dwa oporniki o znacząco różnych oporach, R 1 R 2 R 1 R 2 , to

  1. w połączeniu szeregowym ich równoważny opór jest w przybliżeniu równy większemu oporowi R 1 R 1 ;
  2. w połączeniu równoległym ich równoważny opór jest w przybliżeniu równy mniejszemu oporowi R 2 R 2 .
35.

Rozważ obwód pokazany poniżej. Napięcie na biegunach baterii wynosi U = 18 ⁢⁢ V U= 18 ⁢⁢ V .

  1. Oblicz opór równoważny obwodu;
  2. Oblicz natężenie prądu przepływającego przez każdy opornik;
  3. Oblicz spadek potencjału na każdym oporniku;
  4. Oblicz moc, z jaką rozpraszana jest energia przez każdy opornik;
  5. Oblicz moc baterii.
Rysunek pokazuje zacisk ujemny źródła napięcia 18 V połączonego szeregowo z trzema opornikami, R ze znakiem 1 dla 4 Ω, R ze znakiem 2 dla 1 Ω i R ze znakiem 3 dla 4 Ω.

10.3 Prawa Kirchhoffa

36.

Rozważ obwód pokazany poniżej.

  1. Oblicz spadek potencjału na każdym z oporników;
  2. Jaka jest moc źródła napięcia, a jaka jest moc energii rozpraszanej lub zużywanej w obwodzie?
Rysunek przedstawia dodatni zacisk 12 V źródła napięcia V ze znakiem 1 połączony szeregowo z 10 kΩ opornikiem R ze znakiem 1 połączony szeregowo z 20 kΩ opornikiem R ze znakiem 2 połączony szeregowo z 10 kΩ opornikiem R ze znakiem 3 do dodatniego zacisku 24 V źródła napięcia połączonego szeregowo z 10 kΩ opornikiem R ze znakiem 4 połączonym szeregowo z 10 kΩ opornikiem R ze znakiem 5.
37.

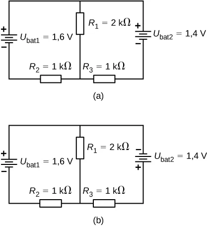
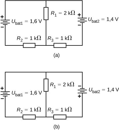
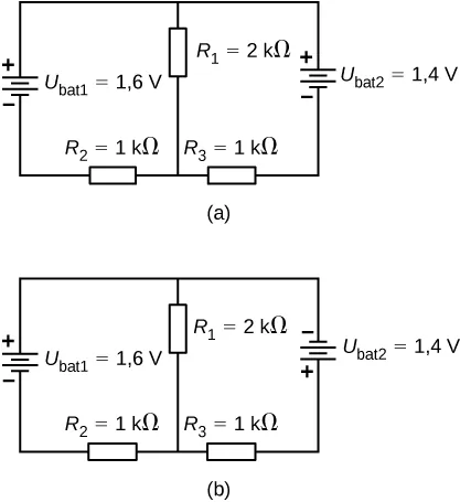
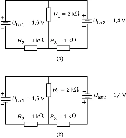
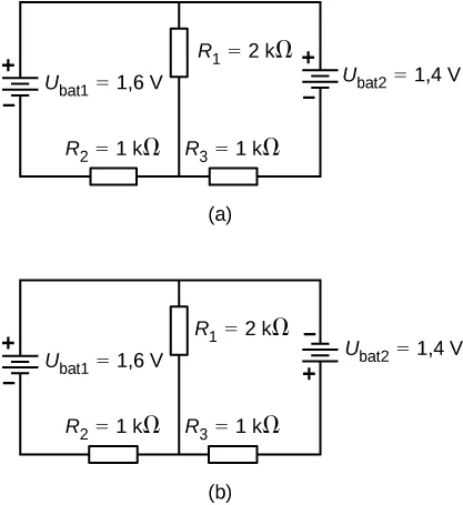
Przyjrzyj się obwodom pokazanym poniżej.

  1. Jakie jest natężenie prądu płynącego przez każdy opornik w tej części?
  2. Ile wynosi natężenie prądu płynącego przez każdy opornik w tej części?
  3. Jaka jest moc dostarczanej lub pochłanianej energii w każdym obwodzie?
  4. Ile wynosi moc dostarczanej energii do każdego obwodu?
Część a przedstawia dodatni zacisk 1,6 V źródła napięcia V ze znakiem 1 połączony równolegle z gałęziami, jedną z 2 kΩ opornikiem R ze znakiem 1 i drugą z dodatnim zaciskiem 1,4 V źródła napięcia V ze znakiem 2 i 1 kΩ opornikiem R ze znakiem 3. Dwie gałęzie są połączone z powrotem do V ze znakiem 1 poprzez 1 kΩ opornik R ze znakiem 2. Część b przedstawia ten sam obwód jak w części a, ale z odwróconymi zaciskami V ze znakiem 2.
38.

Rozważ obwód z rysunku poniżej. Oblicz: Ubat 1Ubat 1, I2I2 i I3I3.

Dodatni zacisk źródła napięcia V ze znakiem 1 podłączony jest do 12 Ω opornika R ze znakiem 1 ze skierowanym w prawo 2 A prądem l ze znakiem 1 do dwóch równoległych gałęzi, pierwszej z 6 Ω opornikiem R ze znakiem 2 z płynącym w górę prądem l ze znakiem 2 i drugiej ze skierowanym w prawo prądem l ze znakiem 3, ujemnym zaciskiem 21 V źródła napięcia V ze znakiem 2 i 5 Ω opornikiem R ze znakiem 3.
39.

Rozważ obwód z rysunku poniżej. Oblicz: Ubat 1Ubat 1, Ubat 2Ubat 2 i R4R4.

Rysunek przedstawia obwód z trzema poziomymi odgałęzieniami. Pierwsza gałąź ma 6 Ω opornik R ze znakiem 1 z w prawo skierowanym 4 A prądem l ze znakiem 1. Druga gałąź ma 4 Ω opornik R ze znakiem 2 ze skierowanym w lewo 3 A prądem l ze znakiem 2 i 6 Ω opornik R ze znakiem 3 z lewym prądem l ze znakiem 3. Trzecia gałąź ma 4 Ω opornik R ze znakiem 5 z lewym 3 A prądem l ze znakiem 5. Pierwsza i druga pozioma gałąź są połączone po prawej bezpośrednio, a z lewej z opornikiem R ze znakiem 4 i skierowanym w górę 1 A prądem l ze znakiem 4. Druga i trzecia gałąź są również połączone w środku ze źródłem napięcia V ze znakiem 2 z dodatnim zaciskiem drugiej gałęzi.
40.

Rozważ obwód z rysunku poniżej. Oblicz: I1I1, I2I2, I3I3.

Dodatni zacisk 24 V źródła napięcia V ze znakiem 1 połączony jest z dwiema równoległymi gałęziami. Pierwsza ma 8 Ω opornik R ze znakiem 1 z w dół skierowanym prądem l ze znakiem 1, a druga gałąź łączy dodatni zacisk 10 V źródła napięcia i 4 Ω opornik R ze znakiem 3 z w lewo płynącym prądem l ze znakiem 3. Dwie gałęzie połączone są z V ze znakiem 1 poprzez 6 Ω opornik R ze znakiem 2 z lewym prądem l ze znakiem 2.
41.

Przyjrzyj się schematowi poniżej. Oblicz

  1. I1I1, I2I2, I3I3, I4I4 i I5I5;
  2. moc źródeł napięcia;
  3. moc rozpraszania energii na opornikach.
Obwód posiada cztery pionowe odgałęzienia. Od lewej do prawej, pierwsza gałąź ma 12 V żródło napięcia V ze znakiem 1 z dodatnim zaciskiem u góry. Druga gałąź ma 4 Ω opornik R ze znakiem 1 ze skierowanym w dół prądem l ze znakiem 1. Trzecia gałąź ma 5 V źródło napięcia V ze znakiem 2 z dodatnim zaciskiem u góry i ku górze skierowanym prądem l ze znakiem 5. Czwarta gałąź ma 2 Ω opornik R ze znakiem 4 ze skierowanym w dół prądem l ze znakiem 4. Pierwsza i druga gałąź są połączone u dołu poprzez 3 Ω opornik R ze znakiem 2 z lewym prądem l ze znakiem 2, a trzecia gałąź jest połączona u dołu porzez 2 Ω opornik R ze znakiem 3 z lewym prądem l ze znakiem 3.
42.

Rozważ schemat obwodu przedstawiony poniżej. Zapisz trzy równania dla zaznaczonych oczek.

Obwód posiada cztery pionowe odgałęzienia. Od lewej do prawej, pierwsza gałąź ma źródło napięcia V ze znakiem 1 z dodatnim zaciskiem u góry. Druga gałąź ma opornik R ze znakiem 2 ze skierowanym w dół prądem l ze znakiem 2. Trzecia gałąź ma źródło napięcia V ze znakiem 2 z dodatnim zaciskiem u góry i w dół płynącym prądem l ze znakiem 2. Cztery gałęzie mają opornik R ze znakiem 5 z prądem ku dołowi l ze znakiem 5. Pierwsza i druga gałąź połączone są u spodu poprzez opornik R ze znakiem 1, a druga i trzecia gałąź są połączone u spodu poprzez opornik R ze znakiem 4 lewym prądem l ze znakiem 4. Druga i trzecia gałąź są połączone u góry poprzez opornik R ze znakiem 3 i lewy prąd l ze znakiem 3. Prąd u góry l ze znakiem 1 między pierwszą i drugą gałęzią jest skierowany w prawo.
43.

Rozważ obwód pokazany poniżej. Wyznacz równania określające natężenia prądów w zależności od RR i UbatUbat.

Obwód posiada cztery pionowe odgałęzienia. Z lewej do prawej, pierwsza gałąź ma żródło napięcia V ze znakiem 1 z dodatnim zaciskiem u góry i opornikiem R. Druga gałąź ma opornik R ze skierowanym w dół prądem l ze znakiem 1. Trzecia i czwarta gałąź posiadają obie opornik 2 R i są połączone z dodatnim zaciskiem innego źródla napięcia V. Prąd między pierwszą i drugą gałęzią jest prawy i oznaczony l ze znakiem 2, a między druga i trzecią jest lewy i oznaczony l ze znakiem 3.
44.

Rozważ schemat obwodu z poprzedniego ćwiczenia. Napisz równania na moc dostarczania energii do układu przez źródła napięcia i moc rozpraszania energii przez oporniki w zależności od RR i UbatUbat.

45.

Dziecięca zabawka jest zasilana przez trzy baterie alkaliczne o SEM 1,58⁢⁢V1,58⁢⁢V i wewnętrznych oporach 0,02⁢⁢Ω0,02⁢⁢Ω, połączone szeregowo z suchym ogniwem węglowo-cynkowym o SEM 1,53⁢⁢V1,53⁢⁢V i oporze wewnętrznym 0,1⁢⁢Ω0,1⁢⁢Ω. Oporność obciążenia równa jest 10⁢⁢Ω10⁢⁢Ω.

  1. Narysuj schemat obwodu zabawki uwzględniający jego zasilanie;
  2. Prąd o jakim natężeniu płynie w układzie?
  3. Ile wynosi moc energii dostarczanej do opornika obciążenia?
  4. Jak zmieni się opór wewnętrzny ogniwa suchego, jeśli się ono rozładuje i, gdy moc dostarczania przez nie energii do opornika obciążenia wyniesie tylko 0,5⁢⁢W0,5⁢⁢W?
46.

Zastosuj pierwsze prawo Kirchhoffa do węzła BB zaznaczonego na schemacie poniżej. Czy możesz uzyskać jakiekolwiek nowe informacje, jeśli zastosujesz regułę węzła w punkcie EE?

Obwód posiada trzy pionowe odgałęzienia. Z lewej do prawej, pierwsza gałąź ma źródło napięcia ε 18 V ze znakiem 1 i oporność wewnętrzną 0.5 Ω z dodatnim zaciskiem u góry. Druga gałąź posiada 6 Ω opornik R ze znakiem 2 z dolnym prądem I ze znakiem 3 i 3 V źródłem napięcia ε ze znakiem 2 oraz opornością wewnętrzną 0.25 Ω z dodatnim zaciskiem dolnym. Trzecia gałąź ma 12 V źródło napięcia ε ze znakiem 3 i opornością wewnętrzną 0.5 Ω z dodatnim zaciskiem dolnym. Pierwsza i druga gałąź są połączone u góry poprzez 20 Ω opornik R ze znakiem 1 z prawym prądem I ze znakiem 1 i dolnym poprzez 15 Ω. opornik R ze znakiem 4. Druga i trzecia gałąź są połączone u góry poprzez 8 Ω opornik R ze znakiem 3 z prawym prądem I ze znakiem 2 i dolnym poprzez 18 V źródło napięcia ε ze znakiem 4 z prawym dodatnim zaciskiem i opornością wewnętrzną 0.75 Ω.
47.

Zastosuj drugie prawo Kirchhoffa do pętli AFEDCBAAFEDCBA z poprzedniego przykładu.

10.4 Elektryczne przyrządy pomiarowe

48.

Załóż, że woltomierzem o oporze 1 ⁢⁢ 1⁢⁢, połączonym jak na schemacie poniżej, mierzysz napięcie na biegunach baterii alkalicznej o SEM równej 1,585 ⁢⁢ V 1,585⁢⁢V i oporze wewnętrznym 0,1 ⁢⁢ Ω 0,1⁢⁢Ω.

  1. Prąd o jakim natężeniu popłynie?
  2. Oblicz napięcie na biegunach źródła napięcia;
  3. Żeby sprawdzić, jak różnią się zmierzone napięcie na biegunach baterii i SEM, oblicz ich stosunki.
Rysunek przedstawia dodatni biegun baterii z emf epsilon i opornikiem wewnętrznym r połączonym z woltomierzem.

10.5 Obwody RC

49.

Układ czasowy wycieraczek samochodowych zbudowany jest z zastosowaniem obwodu RC i wykorzystuje kondensator 0,5 ⁢⁢ µF 0,5⁢⁢µF oraz opornik regulowany. W jakim zakresie musi zmieniać się opór R R, aby stała czasowa obwodu mogła się zmieniać od 2 s 2s do 15 ⁢⁢ s 15⁢⁢s?

50.

Stymulator serca włącza się 72 razy na minutę i za każdym razem kondensator o pojemności 25 ⁢⁢ nF 25⁢⁢nF ładuje się (z baterii połączonej szeregowo z opornikiem) do 0,632 0,632 maksymalnego napięcia. Jaka jest wartość oporu?

51.

Długość trwania błysku lampy aparatu fotograficznego jest powiązana ze stałą czasową obwodu RC, która dla pewnego aparatu wynosi 0,1 ⁢⁢ µs 0,1⁢⁢µs.

  1. Ile wynosi pojemność kondensatora dostarczającego energię, jeżeli opór lampy błyskowej to 0,04 ⁢⁢ Ω 0,04⁢⁢Ω podczas rozładowywania?
  2. Jaka jest stała czasowa ładowania kondensatora, jeśli opór równa się 800 ⁢⁢ 800⁢⁢?
52.

Kondensatory o pojemnościach 2 ⁢⁢ µF 2⁢⁢µF i 7,5 ⁢⁢ µF 7,5⁢⁢µF można połączyć szeregowo lub równolegle. Podobnie oporniki o oporach 25 ⁢⁢ 25⁢⁢ i 100 ⁢⁢ 100⁢⁢. Oblicz cztery możliwe wartości stałych czasowych obwodów, w których opory równoważne i pojemności równoważne połączone są szeregowo.

53.

Opornik o oporze 500 ⁢⁢ Ω 500⁢⁢Ω, nienaładowany kondensator o pojemności 1,5 ⁢⁢ µF 1,5⁢⁢µF i źródło napięcia o SEM równej 6,16 ⁢⁢ V 6,16⁢⁢V połączono szeregowo.

  1. Jakie jest początkowe natężenie prądu?
  2. Ile wynosi stała czasowa obwodu RC?
  3. Prąd o jakim natężeniu płynie po czasie odpowiadającym jednej stałej czasowej?
  4. Ile wynosi napięcie na kondensatorze po czasie odpowiadającym jednej stałej czasowej?
54.

Zastosowany defibrylator ze względu na oporność pacjenta i swoją pojemność ma stałą czasową obwodu RC równą 10 ⁢⁢ ms 10⁢⁢ms.

  1. Ile wynosi oporność ścieżki przepływu prądu przez pacjenta, jeżeli defibrylator ma pojemność 8 ⁢⁢ µF 8⁢⁢µF? (Można pominąć pojemność pacjenta i opór defibrylatora);
  2. Jeżeli początkowe napięcie wynosi 12 ⁢⁢ kV 12⁢⁢kV, to jak długo trzeba czekać na jego spadek do 600 ⁢⁢ V 600⁢⁢V?
55.

Monitor EKG musi mieć stałą czasową RC mniejszą niż 100 ⁢⁢ µs 100⁢⁢µs, aby mógł zmierzyć wahania napięcia w krótkich odstępach czasu.

  1. Jeśli opór obwodu (wynikający głównie z oporu elektrycznego klatki piersiowej pacjenta) wynosi 1 ⁢⁢ 1⁢⁢, to jaka jest maksymalna pojemność obwodu?
  2. Czy w praktyce trudno jest ograniczyć pojemność do wartości mniejszej niż stwierdzona w części (a)?
56.

Korzystając z dokładnej zależności wykładniczej, określ ile czasu potrzeba, aby naładować początkowo nienaładowany kondensator o pojemności 100 ⁢⁢ pF 100⁢⁢pF poprzez opornik o oporze 75 ⁢⁢ 75⁢⁢ do 90 ⁢⁢ % 90⁢⁢% napięcia końcowego.

57.

Jeśli chcesz zrobić zdjęcie pocisku poruszającego się z prędkością 500 ⁢⁢ m s 500⁢⁢ m s , to bardzo krótki błysk światła wytworzony w obwodzie RC przez rozładowanie poprzez lampę błyskową może ograniczyć rozmycie. Jaki jest opór lampy błyskowej przy założeniu, że dopuszczalne jest przemieszczenie o 1 ⁢⁢ mm 1⁢⁢mm w czasie jednej stałej czasowej obwodu RC oraz że lampa błyskowa jest zasilana przez kondensator o pojemności 600 ⁢⁢ µF 600⁢⁢µF?

10.6 Instalacja elektryczna w domu i bezpieczeństwo elektryczne

58.
  1. Jak duża moc energii elektrycznej ulega rozproszeniu w czasie zwarcia obwodu AC zasilanego napięciem 230 ⁢⁢ V 230⁢⁢V, gdy zwarcie nastąpiło przez opór o wartości 0,25 ⁢⁢ Ω 0,25⁢⁢Ω?
  2. Prąd o jakim natężeniu wtedy popłynie?
59.

Źródło o jakim napięciu spowoduje moc rozproszonej energii elektrycznej o wartości 1,44 ⁢⁢ kW 1,44⁢⁢kW podczas zwarcia poprzez opór o wartości 0,1 ⁢⁢ Ω 0,1⁢⁢Ω?

60.

Oblicz natężenie prądu, który przepłynie przez osobę, i określ prawdopodobny wpływ porażenia na nią, jeśli dotyka źródła AC 230 ⁢⁢ V 230⁢⁢V,

  1. stojąc na gumowej macie, gdy całkowity opór wynosi 300 ⁢⁢ 300⁢⁢;
  2. stojąc bosymi stopami na mokrej trawie, gdy jej opór wynosi tylko 4 ⁢⁢ 4⁢⁢.
61.

Podczas kąpieli osoba dotyka metalowej obudowy radia. Ścieżka przepływu prądu przez osobę do odpływu i uziemienia ma opór 4 ⁢⁢ 4⁢⁢. Jakie jest najmniejsze napięcie na obudowie radia mogące spowodować migotanie komór serca?

62.

Człowiek niemądrze stara się wyciągnąć przypaloną kromkę chleba z tostera metalowym nożem do masła i styka się z napięciem 230 ⁢⁢ V 230⁢⁢V AC. Nawet tego nie czuje, bo na szczęście ma na nogach buty na gumowych podeszwach. Jaka jest minimalna oporność ścieżki przepływu prądu przez tego człowieka?

63.
  1. Podczas operacji prąd o natężeniu zaledwie 20 ⁢⁢ µA 20⁢⁢µA płynący bezpośrednio do serca może spowodować migotanie komór. Ile wynosi najmniejsze napięcie, które stwarza powyższe niebezpieczeństwo, jeśli opór odsłoniętego serca wynosi 300 ⁢⁢ Ω 300⁢⁢Ω?
  2. Czy odpowiedź sugeruje, że potrzebne są specjalne zabezpieczenia elektryczne?
64.
  1. Ile wynosi oporność zwarcia, które uwalnia moc 96,8 ⁢⁢ kW 96,8⁢⁢kW w obwodzie zasilanym źródłem AC o napięciu 230 ⁢⁢ V 230⁢⁢V?
  2. Jaka byłaby średnia moc, gdyby napięcie AC wynosiło 120 ⁢⁢ V 120⁢⁢V?
65.

W celu przywrócenia normalnego funkcjonowania serca defibrylator przepuszcza prąd o natężeniu 10 ⁢⁢ A 10⁢⁢A przez tors pacjenta w czasie 5 ⁢⁢ ms 5⁢⁢ms.

  1. Jaki ładunek przeszedł przez serce?
  2. Jakie napięcie zostało zastosowane, jeśli koszt energetyczny defibrylacji wyniósł 500 ⁢⁢ J 500⁢⁢J?
  3. Ile wynosił opór ścieżki, którą płynął prąd?
  4. O ile wzrosła temperatura w 8 ⁢⁢ kg 8⁢⁢kg tkanek objętych działaniem defibrylatora?
66.

Zwarcie w przewodzie zasilającym urządzenie napięciem 230 ⁢⁢ V 230⁢⁢V ma opór 0,5 ⁢⁢ Ω 0,5⁢⁢Ω. Oblicz wzrost temperatury otaczających punkt zwarcia materiałów o masie 2 ⁢⁢ g 2⁢⁢g, przyjmując, że ich ciepło właściwe wynosi 0,2 ⁢⁢ cal ⁢⁢ g 1 ⁢⁢ °C 1 0,2⁢⁢ cal ⁢⁢ g 1 ⁢⁢ °C 1 , a wyłącznik bezpieczeństwa przerwał dopływ prądu po 0,5 ⁢⁢ s 0,5⁢⁢s. Czy może to spowodować duże zniszczenia?

Cytowanie i udostępnianie

Ten podręcznik nie może być wykorzystywany do trenowania sztucznej inteligencji ani do przetwarzania przez systemy sztucznej inteligencji bez zgody OpenStax lub OpenStax Poland.

Chcesz zacytować, udostępnić albo zmodyfikować treść tej książki? Została ona wydana na licencji Uznanie autorstwa (CC BY) , która wymaga od Ciebie uznania autorstwa OpenStax.

Cytowanie i udostępnienia
  • Jeśli rozpowszechniasz tę książkę w formie drukowanej, umieść na każdej jej kartce informację:
    Treści dostępne za darmo na https://openstax.org/books/fizyka-dla-szk%C3%B3%C5%82-wy%C5%BCszych-tom-2/pages/1-wstep
  • Jeśli rozpowszechniasz całą książkę lub jej fragment w formacie cyfrowym, na każdym widoku strony umieść informację:
    Treści dostępne za darmo na https://openstax.org/books/fizyka-dla-szk%C3%B3%C5%82-wy%C5%BCszych-tom-2/pages/1-wstep
Cytowanie

© 21 wrz 2022 OpenStax. Treść książki została wytworzona przez OpenStax na licencji Uznanie autorstwa (CC BY) . Nazwa OpenStax, logo OpenStax, okładki OpenStax, nazwa OpenStax CNX oraz OpenStax CNX logo nie podlegają licencji Creative Commons i wykorzystanie ich jest dozwolone wyłącznie na mocy uprzedniego pisemnego upoważnienia przez Rice University.