Przejdź do treściPrzejdź do informacji o dostępnościMenu skrótów klawiszowych
Logo OpenStax
Wyszukaj kluczowe pojęcia lub tekst.

Zadania dodatkowe

67.

Obwód zawiera baterię R20 (o napięciu na biegunach 1,5 ⁢⁢ V 1,5⁢⁢V), przełącznik, opornik 20 ⁢⁢ Ω 20⁢⁢Ω i cztery kondensatory 20 ⁢⁢ mF 20⁢⁢mF połączone szeregowo.

  1. Jaka jest pojemność równoważna obwodu?
  2. Jaka jest stała czasowa RC?
  3. Po jakim czasie od zamknięcia przełącznika natężenie prądu zmniejszy się do 50 ⁢⁢ % 50⁢⁢% wartości początkowej?
68.

Obwód zawiera baterię R20 (o napięciu na biegunach 1,5 ⁢⁢ V 1,5⁢⁢V), przełącznik, opornik 20 ⁢⁢ Ω 20⁢⁢Ω i trzy kondensatory 20 ⁢⁢ mF 20⁢⁢mF. Kondensatory są połączone ze sobą równolegle i wszystkie są połączone szeregowo z przełącznikiem, opornikiem i baterią.

  1. Ile wynosi pojemność równoważna obwodu?
  2. Jaka jest stała czasowa RC?
  3. O ile wcześniej przełącznik musi zostać zamknięty, zanim natężenie prądu zmniejszy się do 50 ⁢⁢ % 50⁢⁢% wartości początkowej?
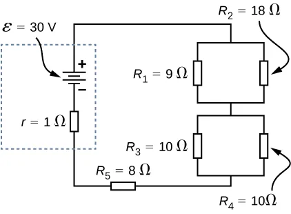
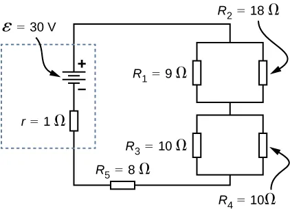
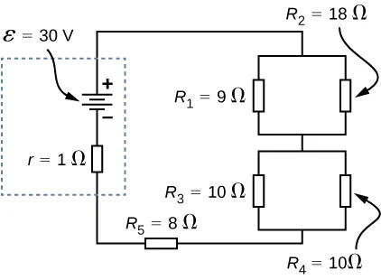
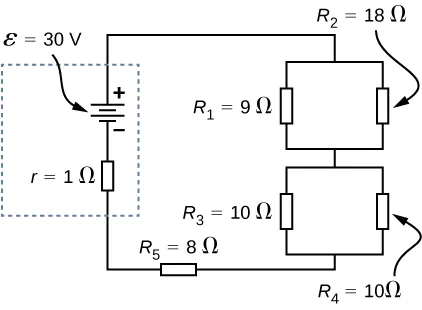
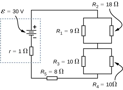
69.

Rozważ obwód przedstawiony poniżej. Źródło napięcia ma SEM równą ε = 30 ⁢⁢ V ε= 30 ⁢⁢ V i wewnętrzny opór r = 1 ⁢⁢ Ω r= 1 ⁢⁢ Ω .

  1. Oblicz równoważny opór obwodu i natężenie prądu wypływającego ze źródła napięcia;
  2. Wyznacz natężenie prądu płynącego przez każdy z oporników;
  3. Oblicz spadek potencjału na każdym oporniku;
  4. Określ szybkość rozpraszania energii przez każdy opornik;
  5. Wyznacz całkowitą moc dostarczoną przez źródło napięcia.
Rysunek przedstawia dodatni zacisk źródła napięcia 30 V i opór wewnętrzny 1 Ω połączone szeregowo z dwoma zestawami oporników rówoległych. Pierwszy zestaw oznaczony jest R ze znakiem 1 dla 9 Ω i R ze znakiem 2 dla 18 Ω. Drugi ma R ze znakiem 3 przy 10 Ω i R ze znakiem 4 przy 10 Ω. Zestawy są połączone szeregowo do opornika R ze znakiem 5 przy 8 Ω.
70.

Kondensator domowej roboty składa się z 2 arkuszy folii aluminiowej o powierzchni 2 ⁢⁢ m 2 2⁢⁢ m 2 , oddzielonych papierem o grubości 0,05 ⁢⁢ mm 0,05⁢⁢mm o tej samej powierzchni i stałej dielektrycznej 3,7 3,7. Kondensator ten połączono szeregowo z opornikiem 100 ⁢⁢ Ω 100⁢⁢Ω, przełącznikiem i źródłem napięcia 6 ⁢⁢ V 6⁢⁢V.

  1. Ile wynosi stała czasowa obwodu RC?
  2. Jakie jest początkowe natężenie prądu w obwodzie, gdy przełącznik jest zamknięty?
  3. Ile czasu trzeba, żeby natężenie prądu zmniejszyło się do jednej trzeciej swojej wartości początkowej?
71.

Z grafitowego ołówka o długości 5 ⁢⁢ cm 5⁢⁢cm i średnicy wkładu 0,05 ⁢⁢ mm 0,05⁢⁢mm student buduje opornik. Opór właściwy grafitu wynosi ρ = 1,38 10 5 ⁢⁢ Ω ⁢⁢ m 1 ρ= 1,38 10 5 ⁢⁢ Ω ⁢⁢ m 1 . Opornik ten student połączył szeregowo z przełącznikiem, kondensatorem o pojemności 10 ⁢⁢ mF 10⁢⁢mF i źródłem napięcia 0,5 ⁢⁢ V 0,5⁢⁢V.

  1. Jaka jest stała czasowa obwodu RC?
  2. Ile wynosi spadek potencjału na ołówku sekundę po zamknięciu przełącznika?
72.

Przedstawiony poniżej prosty obwód znany jest jako dzielnik napięcia. Symbol składający się z trzech poziomych linii reprezentuje uziemienie obwodu i może być zdefiniowany jako punkt o zerowym potencjale. Dzielnik napięcia powszechnie stosuje się w obwodach. Wystarczy pojedyncze źródło napięcia, aby zapewnić redukcję napięcia na oporniku obciążenia R L R L , jak pokazano w drugiej części rysunku.

  1. Jakie jest napięcie wyjściowe U wyj U wyj obwodu (a), gdy znane są R 1 R 1 , R 2 R 2 i U wej U wej ?
  2. Jakie jest napięcie wyjściowe U wyj U wyj obwodu (b), gdy znane są R 1 R 1 , R 2 R 2 , R L R L i U wej U wej ?
Część a przedstawia dodatni zacisk źródła napięcia V ze znakiem in połączonego szeregowo z opornikami R ze znakiem 1 i R ze znakiem 2. Zacisk ujemny źródła jest uziemiony a V ze znakiem out znajduje się między opornikami. Część b pokazuje ten sam obwód jako część a, ale V ze znakiem out jest połączona z uziemieniem poprzez opornik R ze znakiem L.
73.

Trzy oporniki o oporze 300 ⁢⁢ Ω 300⁢⁢Ω każdy połączone są szeregowo z baterią AAA o pojemności 3 ⁢⁢ A ⁢⁢ h 3⁢⁢ A ⁢⁢ h (amperogodzin).

  1. Jak długo bateria może zasilać oporniki?
  2. Jak długo wytrzyma bateria, jeśli oporniki połączysz równolegle?
74.

Rozważ obwód, który składa się z rzeczywistej baterii o SEM równej ε ε i oporze wewnętrznym r r, podłączonej do opornika o zmiennej rezystancji R R.

  1. Jak powinno się dopasować opór opornika, aby napięcie na biegunach baterii było równe jej SEM?
  2. Jaki powinien być opór opornika, aby uzyskać z baterii prąd o maksymalnym natężeniu?
  3. Jaki powinien być opór opornika, aby uzyskać maksymalną moc baterii?
75.

Rozważ obwód pokazany poniżej. Jaką energię może przechowywać przez bardzo długi czas każdy kondensator po zamknięciu przełącznika?

Dodatni zacisk żródła napięcia V dla 12 V jest połączony z otwartym przełącznikiem. Drugi koniec otwartegp pzełącznika jest połączony z opornikiem R ze znakiem 1 dla 100 Ω, ktory jest połączony do dwóch równoległych rozgałęzień. Pierwsze ma opornik C ze znakiem 1 przy 10 mF i R ze znakiem 2 dla 100 Ω. Druga gałąź ma R ze znakiem 3 przy 100 Ω i C ze znakiem 2 przy 4,7 mF.
76.

Rozważ obwód składający się z akumulatora o SEM równej ε ε i oporze wewnętrznym r r, połączonego szeregowo z opornikiem R R i kondensatorem C C. Udowodnij, że całkowita energia dostarczana przez akumulator podczas ładowania wynosi ε 2 C ε 2 C.

77.

Rozważ obwód pokazany poniżej. Dane są napięcia między biegunami źródeł napięcia.

  1. Oblicz równoważny opór obwodu i natężenie prądu wypływającego z baterii;
  2. Oblicz natężenie prądu płynącego przez każdy opornik;
  3. Oblicz spadek potencjału na każdym oporniku;
  4. Oblicz moc energii elektrycznej rozpraszanej przez każdy opornik;
  5. Oblicz całkowitą moc dostarczoną przez źródła napięcia.
Rysunek przedstawia dwa szeregowe źródła napięcia o 12 V każde z górnym ujemnym zaciskiem połączonym z czterema opornikami. Źródła są połączone szeregowo z opornikiem R ze znakiem 1 przy 14 Ω połączonym szeregowo z dwoma równoległymi opornikami, R ze znakiem 2 przy 9 Ω i R ze znakiem 3 dla 18 Ω połączonymi szeregowo z opornikiem R ze znakiem 4 przy 4 Ω.
78.

Rozważ obwód pokazany poniżej.

  1. Jakie jest napięcie na biegunach źródła napięcia?
  2. Ile wynosi spadek potencjału na oporniku R 2 R 2 ?
Ujemny zacisk źródła napięcia V jest połączony z dwiema równoległymi galęziami, jedna z opornikiem R ze znakiem 1 dla 40 Ω z dolnym prądem l ze znakiem 1 wartości 50 mA i druga z opornikiem R ze znakiem 2 wartości 5 Ω szereowo z R ze znakiem 3 o wartości 15 Ω.
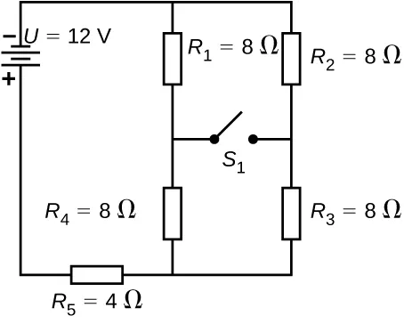
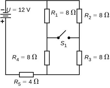
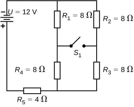
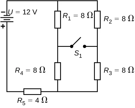
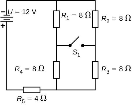
79.

Rozważ obwód pokazany poniżej.

  1. Oblicz równoważny opór i natężenie prądu płynącego ze źródła napięcia, gdy przełącznik S 1 S 1 jest otwarty;
  2. Oblicz równoważny opór i natężenie prądu płynącego ze źródła napięcia, gdy przełącznik S 1 S 1 jest zamknięty.
Ujemny zacisk 12 V źródła napięcia jest połączony z dwiema równoległymi gałęziami, jedna z opornikiem R ze znakiem 1 wartości 8 Ω szeregowo z opornikiem R ze znakiem 4 dla 8 Ω i druga z R ze znakiem 2 dla 8 Ω szeregowo z R ze znakiem 3 dla 8 Ω. Gałęzie są podłączone razem do opornika R ze znakiem 5 wartości 4 Ω. Otwarty przełącznik jest połączony z dwiema gałęziami w ich środku.
80.

Dwa oporniki, w tym jeden o oporze 145 ⁢⁢ Ω 145⁢⁢Ω, połączono równolegle w celu uzyskania całkowitego oporu 150 ⁢⁢ Ω 150⁢⁢Ω.

  1. Ile wynosi wartość drugiego oporu?
  2. Co jest niemożliwe w tym wyniku?
  3. Jakie założenia są niewłaściwe lub niespójne?
81.

Dwa oporniki, w tym jeden o oporze 900 ⁢⁢ 900⁢⁢, połączono szeregowo w celu uzyskania całkowitego oporu 0,5 ⁢⁢ 0,5⁢⁢.

  1. Ile wynosi wartość drugiego oporu?
  2. Co jest niemożliwe w tym wyniku?
  3. Jakie założenia są niewłaściwe lub niespójne?
82.

Zastosuj pierwsze prawo Kirchhoffa w punkcie A A schematu pokazanego poniżej.

Rysunek przedstawia obwód z trzema gałęziami poziomymi i dwiema pionowymi. Pierwsza gałąź pozioma ma źródło napięcia ε ze znakiem 1 wartości 24 V i wewnętrzny opór 0.1 Ω z prawym zadiskiem dodatnim. Druga gałąź pozioma ma źródło napięcia ε ze znakiem 2 wartości 48 V i opór wewnętrzny 0.5 Ω z prawym zaciskiem dodatnim i opornikiem R ze znakiem 2 wartości 40 Ω z prawym prądęm l ze znakiem 2. Trzecia gałąź pozioma ma źródło napięcia ε za znakiem 3 wartości 6 V i opór wewnętrzny 0.05 Ω z lewym zaciskiem dodatnim. Trzecia i druga gałąź są połączone z lewej poprzez opornik R ze znakiem 1 o wartości 5 Ω z górnym prądem l ze znakiem 1 i z prawej poprzez opornik R ze znakiem 5 wartości 20 Ω. Druga i trzecia gałąź są połaczone z lewej poprzez opornik R ze znakiem 3 o wartości 78 Ω z dolnym prądem l ze znakiem 3 i z prawym poprzez źródło napięcia ε ze znakiem 4 o wartości 36 V i oporze wewnętrznym 0.2 Ω z górnym zaciskiem dodatnim.
83.

Zastosuj drugie prawo Kirchhoffa do oczka A K L E D C B A AKLEDCBA ze schematu powyżej.

84.

Wyznacz natężenia prądów w obwodzie z poprzedniego zadania. Pokazuj wyraźnie, jak postępujesz zgodnie ze schematem opisanym w Strategii rozwiązywania problemów: oporniki połączone szeregowo i równolegle.

85.

Rozważ obwód przedstawiony poniżej.

  1. Oblicz natężenie prądu płynącego przez każdy opornik;
  2. Sprawdź poprawność wyniku, analizując moc w obwodzie.
Dodatni zacisk 20 V żródla napięcia i oporze wewnętrznym 5 Ω połączony jest z dwiema równoległymi gałęziami. Trzecia gałąź ma oporniki R ze znakiem 1 o wartości 15 Ω i R ze znakiem 3 wartości 10 Ω. Druga gałąź ma oporniki R ze znakiem 2 o wartości 10 Ω oraz R ze znakiem 4 o wartości 15 Ω, Dwie gałęzie połączone są w srodku za pomocą opornika R ze znakiem 5 o wartości 5 Ω.
86.

Migająca lampka w kolczyku działa w oparciu o układ RC i rozładowywanie kondensatora przez opornik. Efektywny czas błysku wynosi 0,25 ⁢⁢ s 0,25⁢⁢s, i wytwarza się średnio 0,5 ⁢⁢ W 0,5⁢⁢W, a średnie napięcie zasilania wynosi 3 ⁢⁢ V 3⁢⁢V.

  1. Energia o jakiej wartości się wydziela?
  2. Jaki ładunek przepływa przez lampkę?
  3. Oblicz pojemność kondensatora;
  4. Ile wynosi oporność lampki?

(Ponieważ podane są średnie wartości niektórych wielkości, kształt profilu impulsów nie jest potrzebny).

87.

Kondensator o pojemności 160 ⁢⁢ µF 160⁢⁢µF naładowany do 450 ⁢⁢ V 450⁢⁢V jest rozładowywany przez opornik o oporze 31,2 ⁢⁢ 31,2⁢⁢.

  1. Oblicz pojemnościową stałą czasową obwodu RC;
  2. Oblicz wzrost temperatury opornika, przyjmując, że jego masa wynosi 2,5 ⁢⁢ g 2,5⁢⁢g, a ciepło właściwe wynosi 1,67 ⁢⁢ kJ kg ⁢⁢ °C 1,67⁢⁢ kJ kg ⁢⁢ °C (zauważ, że większość energii cieplnej wytwarza się w krótkim czasie rozładowania);
  3. Oblicz uaktualnioną wartość oporu, zakładając, że opornik wykonano z czystego węgla;
  4. Czy ta zmiana oporu wydaje się znacząca?
Cytowanie i udostępnianie

Ten podręcznik nie może być wykorzystywany do trenowania sztucznej inteligencji ani do przetwarzania przez systemy sztucznej inteligencji bez zgody OpenStax lub OpenStax Poland.

Chcesz zacytować, udostępnić albo zmodyfikować treść tej książki? Została ona wydana na licencji Uznanie autorstwa (CC BY) , która wymaga od Ciebie uznania autorstwa OpenStax.

Cytowanie i udostępnienia
  • Jeśli rozpowszechniasz tę książkę w formie drukowanej, umieść na każdej jej kartce informację:
    Treści dostępne za darmo na https://openstax.org/books/fizyka-dla-szk%C3%B3%C5%82-wy%C5%BCszych-tom-2/pages/1-wstep
  • Jeśli rozpowszechniasz całą książkę lub jej fragment w formacie cyfrowym, na każdym widoku strony umieść informację:
    Treści dostępne za darmo na https://openstax.org/books/fizyka-dla-szk%C3%B3%C5%82-wy%C5%BCszych-tom-2/pages/1-wstep
Cytowanie

© 21 wrz 2022 OpenStax. Treść książki została wytworzona przez OpenStax na licencji Uznanie autorstwa (CC BY) . Nazwa OpenStax, logo OpenStax, okładki OpenStax, nazwa OpenStax CNX oraz OpenStax CNX logo nie podlegają licencji Creative Commons i wykorzystanie ich jest dozwolone wyłącznie na mocy uprzedniego pisemnego upoważnienia przez Rice University.