Przejdź do treściPrzejdź do informacji o dostępnościMenu skrótów klawiszowych
Logo OpenStax
Wyszukaj kluczowe pojęcia lub tekst.

Zadania trudniejsze

88.

Niektóre lampy błyskowe zbudowane są z lampy wyładowczej, wymagającej wysokiego napięcia. Otrzymują wysokie napięcie poprzez ładowanie kondensatorów podłączonych równolegle, a następnie wewnętrznie zmieniają połączenie kondensatorów na szeregowe. Rozważ obwód, który wykorzystuje cztery baterie AAA połączone szeregowo do naładowania sześciu kondensatorów o pojemności 10 ⁢⁢ mF 10⁢⁢mF przez równoważny opór o wartości 100 ⁢⁢ Ω 100⁢⁢Ω. Połączenia są następnie przełączane wewnętrznie, aby kondensatory były połączone szeregowo. Kondensatory rozładowują się przez lampę o oporze 100 ⁢⁢ Ω 100⁢⁢Ω.

  1. Ile wynosi stała czasowa obwodu RC i początkowe natężenie prądu z baterii, gdy są one połączone równolegle?
  2. Jak długo trwa ładowanie kondensatorów do 90 ⁢⁢ % 90⁢⁢% wartości napięcia na biegunach baterii?
  3. Jaka jest stała czasowa obwodu RC i początkowe natężenie prądu dla kondensatorów połączonych szeregowo przy założeniu, że rozładowują się przy 90 ⁢⁢ % 90⁢⁢% pełnego naładowania?
  4. Ile czasu trzeba, aby natężenie prądu spadło do 10 ⁢⁢ % 10⁢⁢% wartości początkowej?
89.

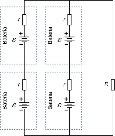
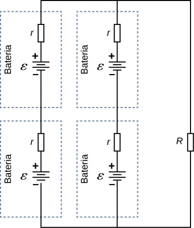
Rozważ obwód pokazany poniżej. Każda bateria ma SEM równą 1,5 ⁢⁢ V 1,5⁢⁢V i opór wewnętrzny 1 ⁢⁢ Ω 1⁢⁢Ω.

  1. Prąd o jakim natężeniu płynie przez zewnętrzny opornik o oporze 10 ⁢⁢ Ω 10⁢⁢Ω?
  2. Ile wynosi napięcie między biegunami każdej z baterii?
Pokazany jest obwód z trzema równoległymi gałęziami. Pierwsza i druga gałąź mają obie dwa źródła napięcia ε z dodatnim zaciskiem u góry i oporem wewnętrznym r. Trzecia gałąź ma opornik R.
90.

Mierniki analogowe wykorzystują galwanometr, który zasadniczo składa się z cewki wykonanej z drutu o małej rezystancji, wskaźnika i przymocowanej skali. Gdy prąd przepływa przez cewkę, wskaźnik się obraca; wychylenie wskaźnika jest proporcjonalne do natężenia prądu przepływającego przez cewkę. Jeśli opornik umieścimy równolegle do galwanometru, to można użyć go do budowy amperomierza. Rozważ galwanometr, który ma opór 25 ⁢⁢ Ω 25⁢⁢Ω i przez który może płynąć prąd o maksymalnym natężeniu 50 ⁢⁢ µA 50⁢⁢µA. Galwanometr ma być użyty do budowy amperomierza do pomiaru prądu o natężeniu 10 ⁢⁢ A 10⁢⁢A, jak pokazano poniżej. Pamiętaj, że amperomierz podłączamy szeregowo w obwodzie, w którym mierzymy natężenie prądu, więc całe 10 ⁢⁢ A 10⁢⁢A musi przepływać przez miernik.

  1. Prąd o jakim natężeniu płynie przez opornik R P R P podłączony równolegle w mierniku?
  2. Ile wynosi napięcie na oporniku podłączonym równolegle?
  3. Jaki jest opór opornika równoległego?
Rysunek przedstawia amperomierz z opornikiem R ze znakiem M połączonymi poprzez opornik R ze znakiem P z prądem o wielkości 10 A.
91.

Mierniki analogowe wykorzystują galwanometr, który zasadniczo składa się z cewki wykonanej z drutu o małej rezystancji, wskaźnika i przymocowanej skali. Gdy prąd przepływa przez cewkę, wskaźnik się obraca; wychylenie wskaźnika jest proporcjonalne do natężenia prądu przepływającego przez cewkę. Jeśli opornik umieścimy szeregowo z galwanometrem, to można użyć go do budowy woltomierza. Rozważ galwanometr, który ma opór 25 ⁢⁢ Ω 25⁢⁢Ω i przez który może płynąć prąd o maksymalnym natężeniu 50 ⁢⁢ µA 50⁢⁢µA. Galwanometr ma być użyty do budowy woltomierza do pomiaru napięcia 10 ⁢⁢ V 10⁢⁢V, jak pokazano poniżej. Pamiętaj, że woltomierz podłączamy równolegle do elementu, który nas interesuje, więc miernik musi mieć dużą rezystancję lub będzie modyfikował prąd płynący przez ten element.

  1. Ile wynosi spadek potencjału na połączonym szeregowo oporniku R S R S ?
  2. Jaki jest opór opornika szeregowego?
Rysunek przedstawia opornik R ze znakiem S połączony szeregowo z woltomierzem o oporności R ze znakiem M. Różnica potencjałów łaczących końce wynosi 10 V.
92.

Rozważ poniższy obwód. Oblicz I 1 I 1 , U 1 U 1 , I 2 I 2 i U 3 U 3 .

Obwód przedstawia dodatni zacisk 12 V źródła napięcia V połączony z amperomierzem połączonym z opornikiem R ze znakiem 1 o wartości 1 Ω i w poprzek woltomierz z dwiema równoległymi gałęziami. Pierwsza gałąź ma amperomierz przyłączony do opornika R ze znakiem 2 o wartości 6 Ω, a druga gałąź ma opornik R ze znakiem 3 o wartości 13 Ω i woltomierz w poprzek.
93.

Rozważ poniższy układ.

  1. Jaka jest pojemnościowa stała czasowa RC obwodu?
  2. Ile wynosi początkowe natężenie prądu w obwodzie, gdy przełącznik jest zamknięty?
  3. Po jakim czasie od zamknięcia przełącznika natężenie prądu spadnie o połowę w stosunku do swej wartości początkowej?
Pokazany jest obwód dodatniego zacisku źródła napięcia V ze znakiem 1 o wartości 24 V łączący ujemny zacisk źródła napięcia V ze znakiem 2 o wartości 24 V. Zacisk dodatni V ze znakiem 2 jest połączony z otwartym przełącznikiem. Drugi koniec przełącznika jest podłączony do kondensatora C ze znakiem 1 o wartości 100 mF, który jest połączony z dwiema równoległymi gałęziami, jedną z opornikiem R ze znakiem 2 i oporem 10 kΩ i drugą z R ze znakiem 1 z oporem 30 kΩ. Dwie gałęzie śa połączone ze źródłem napięcia V ze znakiem 1 poprzez 30 kΩ opornik R ze znakiem 4.
94.

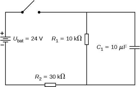
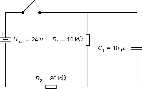
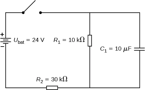
Rozważ poniższy obwód.

  1. Ile wynosi początkowe natężenie prądu płynącego przez opornik R 2 R 2 , gdy przełącznik jest zamknięty?
  2. Prąd o jakim natężeniu płynie przez opornik R 2 R 2 długo po zamknięciu przełącznika, gdy kondensator jest całkowicie naładowany?
  3. Co się stanie, kiedy przełącznik zostanie otwarty po tym, jak był zamknięty przez jakiś czas?
  4. Jeśli przełącznik jest zamknięty przez okres wystarczający do pełnego naładowania kondensatora, a następnie zostanie otwarty, to po jakim czasie natężenie prądu płynącego przez opornik R 1 R 1 osiągnie połowę swej początkowej wartości?
Dodatni zacisk źródła napięcia V ze znakiem 1 o wartości 24 V połączony jest z otwartym przełącznikiem. Na drugim końcu przełącznika jest połączony z dwiema równolełymi gałęziami, jedna z opornikiem R ze znakiem 1 o wartości 10 kΩ i druga z kondensatorem C o wartości 10 μF. Dwie gałęzie są połączone ze źródłem napięcia V ze znakiem 1 poprzez opornik R ze znakiem 2 o wartości 30 kΩ.
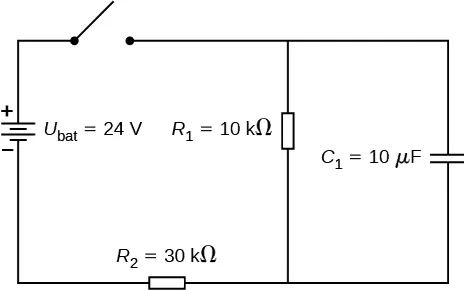
95.

Rozważ nieskończenie długi łańcuch oporników pokazany poniżej. Ile wynosi opór (równoważny) między zaciskami A A i B B? Wskazówka: Uzasadnij, że w przypadku baterii złożonej z nieskończonej liczby oporników, rozpatrywany tu opór zastępczy można wyznaczać ze wzoru Rrw=2R+1R+1Rrw-1Rrw=2R+1R+1Rrw-1 R_{\text{rw}} = 2R + (1/R + 1/R_{\text{rw}})^{-1}. Patrz pełne rozwiązanie podobnego zadania.

Pokazany jest obwód o nieskończonej długości z pionowym opornikiem R i jego dwoma końcami połączonymi poziomymi gałęziami z opornikami R połączonymi z pionowym opornikiem połączonym z poziomymi gałęziami z opornikiem R i tak dalej...
96.

Rozważ poniższy obwód. Kondensator ma pojemność 10 ⁢⁢ mF 10⁢⁢mF. Przełącznik jest zamknięty przez długi czas, więc kondensator jest całkowicie naładowany.

  1. Ile wynosi natężenie prądu płynącego przez każdy opornik długo po zamknięciu przełącznika?
  2. Jakie jest napięcie na każdym oporniku długo po zamknięciu przełącznika?
  3. Ile wynosi napięcie na kondensatorze długo po zamknięciu przełącznika?
  4. Jaki jest ładunek na kondensatorze długo po zamknięciu przełącznika?
  5. Przełącznik zostaje otwarty. Kondensator rozładowuje się przez oporniki. Po jakim czasie natężenie prądu zmaleje do jednej piątej wartości początkowej?
Dodatni zacisk 12 V źródła napięcia V połączony jest z otwartym przełącznikiem. Drugi koniec przełącznika jest połączony z dwiema równoległymi galęziami. Pierwsza gałąź ma 2 Ω opornik R ze znakiem 1 i 4 Ω opornik R ze znaiem 2. Druga gałąź ma 3 Ω opornik R ze znakiem 3 i 3 Ω opornik R ze znakiem 4. Dwie gałęzie są połączone w środku z kondensatorem C. Inne końce gałęzi są uziemione.
97.

Grzałkę składającą się z nawiniętego drutu podłączaną do źródła o napięciu 230 ⁢⁢ V 230⁢⁢V umieszczono w naczyniu z wodą. Urządzenie może zagotować jeden kubek wody (250ml250ml \SI{250}{\milli\litre}) o temperaturze 20 ⁢⁢ °C 20⁢⁢°C w 180 ⁢⁢ s 180⁢⁢s. Kupujesz jedną do użytku w swoim pokoju w akademiku, ale martwisz się, że przeciążysz obwód i zadziała wyłącznik instalacyjny 10 ⁢⁢ A 10⁢⁢A, 230 ⁢⁢ V 230⁢⁢V, w który wyposażono instalację elektryczną w twoim pokoju. Masz w nim jeszcze cztery lampy żarowe 100 ⁢⁢ W 100⁢⁢W i grzejnik o mocy 1600 ⁢⁢ W 1600⁢⁢W.

  1. Jaka jest moc znamionowa grzałki?
  2. Czy wyłącznik instalacyjny zadziała, gdy wszystkie urządzenia będą włączone?
  3. Czy po zamianie wszystkich żarówek na wykonane w technologii LED o mocy 18 ⁢⁢ W 18⁢⁢W podłączenie wszystkich urządzeń spowoduje zadziałanie wyłącznika instalacyjnego?
98.

Oblicz opór, który należy połączyć szeregowo z galwanometrem o oporze 25 ⁢⁢ Ω 25⁢⁢Ω i czułości 50 ⁢⁢ µA 50⁢⁢µA (takim samym jak omawiany w zadaniach powyżej), aby umożliwić jego użycie jako woltomierza z zakresem równym 3000 ⁢⁢ V 3000⁢⁢V. Dołącz schemat układu do rozwiązania.

99.

Oblicz opór, który należy połączyć równolegle z galwanometrem o oporze 60 ⁢⁢ Ω 60⁢⁢Ω i czułości 1 ⁢⁢ mA 1⁢⁢mA (takim samym jak omawiany w zadaniach powyżej), aby umożliwić jego użycie jako amperomierza z zakresem równym 25 ⁢⁢ A 25⁢⁢A. Dołącz schemat układu do rozwiązania.

Cytowanie i udostępnianie

Ten podręcznik nie może być wykorzystywany do trenowania sztucznej inteligencji ani do przetwarzania przez systemy sztucznej inteligencji bez zgody OpenStax lub OpenStax Poland.

Chcesz zacytować, udostępnić albo zmodyfikować treść tej książki? Została ona wydana na licencji Uznanie autorstwa (CC BY) , która wymaga od Ciebie uznania autorstwa OpenStax.

Cytowanie i udostępnienia
  • Jeśli rozpowszechniasz tę książkę w formie drukowanej, umieść na każdej jej kartce informację:
    Treści dostępne za darmo na https://openstax.org/books/fizyka-dla-szk%C3%B3%C5%82-wy%C5%BCszych-tom-2/pages/1-wstep
  • Jeśli rozpowszechniasz całą książkę lub jej fragment w formacie cyfrowym, na każdym widoku strony umieść informację:
    Treści dostępne za darmo na https://openstax.org/books/fizyka-dla-szk%C3%B3%C5%82-wy%C5%BCszych-tom-2/pages/1-wstep
Cytowanie

© 21 wrz 2022 OpenStax. Treść książki została wytworzona przez OpenStax na licencji Uznanie autorstwa (CC BY) . Nazwa OpenStax, logo OpenStax, okładki OpenStax, nazwa OpenStax CNX oraz OpenStax CNX logo nie podlegają licencji Creative Commons i wykorzystanie ich jest dozwolone wyłącznie na mocy uprzedniego pisemnego upoważnienia przez Rice University.