Przejdź do treściPrzejdź do informacji o dostępnościMenu skrótów klawiszowych
Logo OpenStax
Wyszukaj kluczowe pojęcia lub tekst.

Cel dydaktyczny

W tym podrozdziale nauczysz się:
  • formułować pierwsze prawo Kirchhoffa;
  • formułować drugie prawo Kirchhoffa;
  • analizować złożone układy z zastosowaniem praw Kirchhoffa.

Właśnie doszliśmy do wniosku, że niektóre obwody elektryczne mogą być analizowane przez ich uproszczenie do obwodu zawierającego pojedyncze źródło napięcia i opór równoważny. Wielu skomplikowanych obwodów nie da się jednak analizować przy użyciu schematów omawianych w poprzednich rozdziałach. W tej części poszerzymy zagadnienia tych schematów o sposoby zastosowania praw Kirchhoffa do analizy bardziej złożonych układów. Przykładowo obwód z Ilustracji 10.19, znany także jako obwód o wielu oczkach (pętlach), składa się z kilku węzłów. Pojęciem węzła określamy połączenie trzech lub więcej przewodów. W przedstawionym obwodzie wcześniej opisane sposoby nie mogą być użyte, ponieważ nie wszystkie oporniki tworzą układy szeregowe lub równoległe i nie da się ich uprościć. Spróbujmy. Oporniki R1R1 i R2R2 połączone są szeregowo i mogą być zredukowane do oporu równoważnego. Podobnie oporniki R4R4 i R5R5. I co dalej?

Mimo że tego obwodu nie możemy przeanalizować przy użyciu wcześniej poznanych metod, istnieją dwie zasady analizy obwodów elektrycznych, które można stosować do dowolnych obwodów – prostych i złożonych. Zasady te zostały sformułowane przez Gustava Kirchhoffa (1824–1887) i są znane jako prawa Kirchhoffa (ang. Kirchhoff’s rules).

Rysunek przedstawia trzy poziome rozgałęzienia. Od lewej do prawej pierwsza gałąź zawiera opornik R ze znakiem 1 połączony do ujemnego zacisku źródła napięcia V ze znakiem 1, druga gałąź posiada opornik R ze znakiem 3, a trzecia ma źródło napięcia V ze znakiem 2 ze swym dodatnim zaciskiem połączonym z opornikiem R ze znakiem 5. Pierwsza i druga gałąź połączone są poprzez opornik R ze znakiem 2 z lewej, a drugie i trzecie ramię połączone są poprzez opornik R ze znakiem 4 po prawej.
Ilustracja 10.19 Ten obwód nie może być uproszczony do kombinacji połączeń szeregowych i równoległych. Możemy jednak użyć praw Kirchhoffa, aby go przeanalizować.

Prawa Kirchhoffa

  • Pierwsze prawo Kirchhoffa – dotyczące węzłów. Suma natężeń wszystkich prądów wpływających do węzła musi być równa sumie natężeń wszystkich prądów z węzła wypływających
    Iwpływające=Iwypływające.Iwpływające=Iwypływające.
    10.4
  • Drugie prawo Kirchhoffa – dotyczące oczek. Suma algebraiczna spadków potencjałów wzdłuż dowolnego zamkniętego obwodu (oczka) musi być równa zero
    U=0.U=0.
    10.5

Najpierw szczegółowo wyjaśnimy powyższe zasady, a następnie przedstawimy wskazówki pomocne w ich użyciu i przykłady zastosowania.

Pierwsze prawo Kirchhoffa

Pierwsze prawo Kirchhoffa – zasada węzła (ang. junction rule) ma zastosowanie do natężeń prądów wpływających do węzła i z węzła wypływających (Ilustracja 10.20). Jak wspomniano wcześniej, węzeł to połączenie trzech lub więcej przewodów. Prądem nazywamy przepływ ładunku, a zasada zachowania ładunku, także w tym przypadku, musi być spełniona. Zatem bez względu na to, jaki ładunek wpływa do węzła, taki sam musi z niego wypłynąć.

Rysunek przedstawia połączenie z sześcioma rozgałęzieniami, czterema dla prądów przychodzących i dwoma dla prądów wychodzących. Suma prądów przychodzących jest równa sumie prądów wychodzących.
Ilustracja 10.20 Ładunek musi zostać zachowany, tak więc suma natężeń prądów wpływających do węzła musi być równa sumie natężeń prądów z węzła wypływających.

Chociaż jest to nadmierne uproszczenie, węzeł możemy traktować analogicznie do rur wodociągowych połączonych z węzłem sanitarnym. Jeżeli przewody na Ilustracji 10.20 zastąpimy rurami i założymy, że woda jest nieściśliwa, to objętość wody wpływającej do węzła musi się równać ilości wody wypływającej z węzła.

Drugie prawo Kirchhoffa

Drugie prawo Kirchhoffa – zasada oczka (ang. loop rule) dotyczy różnic potencjału. W prawie tym mowa jest o potencjale, a nie o energii potencjalnej, choć należy pamiętać, że obie wielkości są ze sobą związane zależnością Ep=qΔVEp=qΔV. Ponieważ nie ma innych sposobów na przekazywanie energii do lub z obwodu, niezależnie od tego, ile energii dostarcza źródło SEM, musi ona być przetworzona przez urządzenia obecne w oczku. Drugie prawo Kirchhoffa stanowi, że w każdym oczku (pętli) obwodu suma algebraiczna spadków potencjału, uwzględniająca różnice potencjału na biegunach podłączonych źródeł i spadki potencjału na elementach mających rezystancję, musi być równa zero. Przykładowo rozważmy prosty obwód składający się z jednego oczka bez węzłów (Ilustracja 10.21).

Rysunek przedstawia pętlę z dodatnim terminalem źródła napięcia 12 V połączonym szeregowo z trzema opornikami 1 Ω, 2 Ω and 3 Ω.
Ilustracja 10.21 Proste oczko (pętla) bez węzłów. Drugie prawo Kirchhoffa stwierdza, że algebraiczna suma spadków potencjału jest równa zero.

Obwód składa się ze źródła napięcia i trzech zewnętrznych oporników. Oznaczenia AA, BB, CC i DD służą jedynie jako odniesienie i nie mają innego znaczenia. Ich przydatność szybko zauważymy. Oczko jest oznaczone ABCDAABCDA i oznaczenia pomagają śledzić spadki potencjału, w miarę jak poruszamy się wokół oczka. Zacznijmy w punkcie AA i przemieśćmy się do punktu BB. Różnica potencjałów na biegunach źródła zostaje dodana do równania, a spadek potencjału na oporniku R1R1 zostaje odjęty. Między punktami BB i CC obserwujemy spadek potencjału na oporniku R2R2, który odejmujemy. Między punktami CC i DD spadek potencjału występuje na oporniku R3R3, ten także odejmujemy. Między punktami DD i AA nic się nie dzieje, ponieważ nie ma tam żadnych elementów.

Ilustracja 10.22 przedstawia wykres zmian potencjału w miarę przemieszczania się wokół oczka. Potencjał wzrasta, gdy przechodzimy przez źródło, i spada, gdy mijamy opornik. Spadek potencjału (ang. potential drop) równy jest iloczynowi natężenia prądu przepływającego przez opornik i jego oporu. Zakładając, że przewody mają pomijalny opór, spadek potencjału na elementach łączących możemy pominąć.

Wykres przedstawia napięcie w różnych punktach zamkniętej pętli prądu ze źródłem napięcia i trzema opornikami. Punkty pokazane są na osi x a napięcie na osi y.
Ilustracja 10.22 Wykres zmian potencjału w miarę przemieszczania się wokół oczka. Potencjał wzrasta, gdy przechodzimy przez źródło, i spada, gdy mijamy opornik. Ponieważ opór połączeń jest niewielki, zakładamy, że napięcie pozostaje stałe, gdy przemieszczamy się przez przewody łączące poszczególne elementy.

Z drugiego prawa Kirchhoffa mamy

U I R 1 I R 2 I R 3 = 0 V . U I R 1 I R 2 I R 3 = 0 V . U - IR_1 - IR_2 - IR_3 = \SI{0}{\volt} \text{.}

Równanie powyższe pozwala obliczyć natężenie prądu płynącego w oczku

I = U R 1 + R 2 + R 3 = 12 ⁢⁢ V 1 ⁢⁢ Ω + 2 ⁢⁢ Ω + 3 ⁢⁢ Ω = 2 A . I= U R 1 + R 2 + R 3 = 12 ⁢⁢ V 1 ⁢⁢ Ω + 2 ⁢⁢ Ω + 3 ⁢⁢ Ω = 2 A .

Obwód ten możemy przeanalizować za pomocą wcześniejszych sposobów, ale kolejne przykłady wykażą przydatność metody Kirchhoffa.

Zastosowania praw Kirchhoffa

Przy użyciu praw Kirchhoffa tworzymy układ równań liniowych, które pozwalają nam obliczyć nieznane wartości w obwodach. Niewiadomymi mogą być: natężenia prądów, spadki potencjału czy wartości oporu. Każde zastosowanie którejkolwiek z reguł daje nam równanie. Jeżeli liczba niezależnych równań jest taka sama jak liczba niewiadomych, to problem da się rozwiązać.

Stosowanie metody Kirchhoffa do analizy obwodów elektrycznych wymaga kilku czynności wymienionych w poniższej procedurze.

Strategia rozwiązywania zadań

Strategia rozwiązywania problemów: prawa Kirchhoffa

  • Za pomocą wielkich liter AA, BB, CC, oznacz punkty orientacyjne na schemacie obwodu elektrycznego. Oznaczenia te mogą pomóc podczas obchodzenia oczka.
  • Zlokalizuj węzły w obwodzie elektrycznym. Są to miejsca, w których łączą się co najmniej trzy przewody. Oznacz prądy wpływające do węzła i z węzła wypływające, odpowiednio je ponumeruj i zaznacz kierunki ich przepływu. Upewnij się, że co najmniej jeden prąd wpływa do węzła oraz co najmniej jeden prąd z węzła wypływa.
  • Wybierz oczka w obwodzie. Każdy element obwodu musi być zawarty w co najmniej jednym oczku, lecz może być także zawarty w więcej niż jednym oczku.
  • Zastosuj pierwsze prawo Kirchhoffa. Niektóre węzły nie powinny być brane pod uwagę. Należy uwzględnić tylko tyle węzłów, żeby każdy prąd w obwodzie został uwzględniony w analizie.
  • Zastosuj drugie prawo Kirchhoffa. Skorzystaj ze schematu z Ilustracji 10.23.
Część a pokazuje różnicę napięcia poprzez opornik, gdy kierunek przepływu jest taki sam jak kierunek prądu. Część b pokazuje różnicę napięcia poprzez opornik, gdy kierunek przepływu jest przeciwny do kierunku prądu. Część c pokazuje różnicę napięcia poprzez źródło napięcia, gdy kierunek przepływu jest taki sam jak kierunek prądu. Część d przedstawia różnicę napięcia poprzez źródło napięcia, gdy kierunek przepływu jest przeciwny do kierunku prądu.
Ilustracja 10.23 Każdy element (opornik czy źródło SEM) rozciąga się od punktu AA do punktu BB. (a) W przypadku mijania opornika w kierunku zgodnym z kierunkiem przepływu prądu odejmujemy rópotencjału. (b) W przypadku mijania opornika w kierunku przeciwnym do kierunku przepływu prądu dodajemy różnicę potencjału. (c) Gdy przechodzimy przez źródło SEM od bieguna ujemnego do bieguna dodatniego, dodajemy różnicę potencjału. (d) Gdy przechodzimy przez źródło SEM od bieguna dodatniego do bieguna ujemnego, odejmujemy różnicę potencjału.

Przeanalizujmy bardziej szczegółowo kilka kroków z powyższej procedury. Po zlokalizowaniu węzłów w obwodzie nie przejmujmy się kierunkami przepływu prądu. Jeśli nie jest on oczywisty, możemy wybrać dowolny kierunek do analizy obwodu, o ile co najmniej jeden prąd dociera do węzła i co najmniej jeden prąd go opuszcza. Gdy obrany przepływ prądu okaże się przeciwny do rzeczywistego kierunku przepływu prądu, odpowiedzi będą nadal poprawne, tyle że wyniki będą ujemne.

Liczba węzłów zależy od obwodu elektrycznego. Musimy uwzględnić natężenie wszystkich prądów w danym węźle i natężenie każdego prądu w obwodzie musi zostać uwzględnione w co najmniej jednym równaniu dotyczącym węzłów. Pomijamy węzły, dla których równania nie są liniowo niezależne, czyli te, które zawierają jednakowe informacje.

Rozważmy Ilustrację 10.24. W obwodzie możemy wyróżnić dwa węzły oznaczone literami BB oraz EE. Punkty AA, CC, DD i FF nie są węzłami, ponieważ węzeł musi łączyć co najmniej trzy przewody. Dla węzła BB mamy równanie I1=I2+I3I1=I2+I3, a dla węzła EE równanie I2+I3=I1I2+I3=I1. Są one równoważne, więc wystarczy zachować tylko jedno z nich.

Rysunek przedstawia dodatni zacisk źródła napięcia V połączonego z opornikiem R ze znakiem 1, połączonym szeregowo z dwoma opornikami, R ze znakiem 2 i R ze znakiem 3.
Ilustracja 10.24 Na pierwszy rzut oka obwód składa się z dwóch węzłów: węzła BB i węzła EE, ale tylko jeden z nich należy uwzględnić, ponieważ równania opisujące natężenia prądów w tych węzłach są równoważne.

Przy wyborze oczek w obwodzie musimy wybrać taką ich liczbę, aby każdy z elementów obwodu zawierał się przynajmniej w jednym oczku bez ich powielania. Ilustracja 10.25 przedstawia cztery przykłady wyboru oczek w obwodzie; przykłady (a), (b) i (c) mają wystarczającą liczbę oczek do analizy obwodu. Przykład (d) zawiera ich więcej, niż to jest konieczne do analizy.

Czteroczęściowy rysunek przedstawia różne kombinacje pętli dla obwodu z dodatnim zaciskiem źródła napięcia V połączonego z opornikiem R ze znakiem 1, połączonego do dwóch równoległych oporników R ze znakiem 2 i R ze znakiem 3.
Ilustracja 10.25 Każdy ze schematów od (a) do (c) wystarczy do analizy obwodu. W każdym przypadku zaznaczono dwa oczka zawierające wszystkie niezbędne elementy układu potrzebne do jego analizy. W części (d) zaznaczono trzy oczka, czyli więcej, niż jest to konieczne. Każde dwa oczka dostarczają informacji niezbędnych do analizy układu. Dodanie trzeciego oczka zapewnia nadmiar informacji.

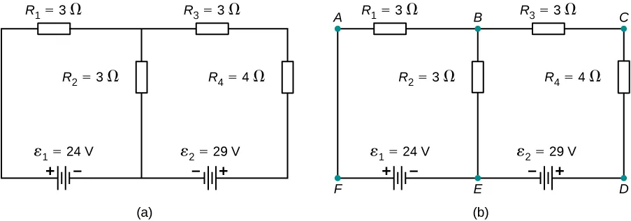
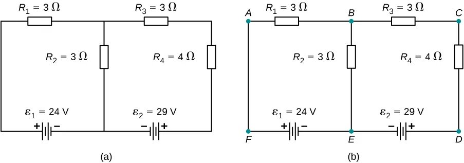
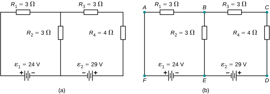
Rozważmy obwód z Ilustracji 10.26 (a). Przeanalizujmy ten obwód elektryczny, aby znaleźć natężenia prądów przepływających przez każdy z oporników. Po pierwsze, oznaczmy obwód w sposób pokazany w części (b) rysunku.

Część a przedstawia obwód z dwoma poziomymi i trzema pionowymi odgałęzieniami. Pierwsza pozioma gałąź posiada dwa oporniki 3 Ω każdy, a druga gałąź ma dwa 24 V źródła napięcia z zaciskiem dodatnim po lewej i 29 V dodatnim zaciskiem po prawej. Lewa gałąź pionowa jest połączona bezpośrednio, środkowa gałąź ma oporność 3 Ω a prawa gałąź ma oporność 4 Ω. Część b pokazuje ten sam obwód, jak w części a z oznaczonymi łączami.
Ilustracja 10.26 (a) Układ składający się z wielu oczek. (b) Oznaczenie punktów szczególnych jest pomocne w orientacji podczas analizy.

Następnie określmy węzły. W powyższym obwodzie w punktach BB i EE łączą się po trzy przewody, co czyni te punkty węzłami. Zacznijmy stosować pierwsze prawo Kirchhoffa, oznaczając strzałkami każdy z prądów i opisując każdą strzałkę, jak pokazano na Ilustracji 10.27. Dla węzła BB uzyskujemy: I1=I2+I3I1=I2+I3, a dla węzła EE: I2+I3=I1I2+I3=I1. Ponieważ równanie dla węzła EE daje te same informacje co równanie dla węzła BB, możemy je pominąć. W układzie mamy trzy niewiadome, dlatego potrzebne są trzy liniowo niezależne równania, aby je przeanalizować.

Rysunek przedstawia dodatni zacisk źródła napięcia V połączonego z opornikiem R ze znakiem 1 połączonym szeregowo z dwoma opornikami, R ze znakiem 2 i R ze znakiem 3.
Ilustracja 10.27 Obwód ma dwa węzły oznaczone jako BB i EE, ale tylko węzeł BB został uwzględniony w analizie. Oznaczone strzałki przedstawiają prądy wpływające do węzła i wypływające z niego.

Następnie musimy wybrać oczka. Na Ilustracji 10.28 oczko ABEFAABEFA zawiera źródło SEM ε1ε1 i oporniki R1R1 i R2R2. Oczko zaczyna się w punkcie AA, a następnie przechodzi przez punkty BB, EE i FF i kończy się w punkcie AA. Drugie oczko, EBCDEEBCDE, rozpoczyna się w punkcie EE i zawiera oporniki R2R2, R3R3 i R4R4 oraz źródło SEM ε2ε2.

Rysunek przedstawia obwód z dwiema pętlami składającymi się z dwóch poziomych i trzech pionowych odgałęzień. Pierwsza gałąź pozioma ma dwa oporniki 3 Ω każdy, a druga gałąź ma dwa 24 V źródła napięcia z dodatnim zaciskiem z lewej i 29 V z dodatnim zaciskiem z prawej. Lewa gałąź pionowa jest połączona bezpośrednio, środkowa ma oporność 3 Ω, a prawa ma oporność 4 Ω.
Ilustracja 10.28 Wybierz oczka w obwodzie.

Teraz możemy zastosować drugie prawo Kirchhoffa, korzystając ze schematu z Ilustracji 10.23. Przemieszczamy się z punktu AA do punktu BB, mijając opornik R1R1 w tym samym kierunku, w którym przepływa prąd I1I1, więc odejmujemy spadek potencjału I1R1I1R1. Przechodzimy z punktu BB do punktu EE, mijając opornik R2R2 w tym samym kierunku, w jakim przepływa prąd I2I2, więc także odejmujemy spadek potencjału I2R2I2R2. Z punktu EE do punktu FF przechodzimy przez źródło o SEM równej ε1ε1 od bieguna ujemnego do dodatniego, więc dodajemy ε1ε1. Brak jakichkolwiek elementów pomiędzy punktami FF i AA. Suma spadków potencjału musi być równa zero, więc

oczko  A B E F A I 1 R 1 I 2 R 2 + ε 1 = 0 V  lub  ε 1 = I 1 R 1 + I 2 R 2 . oczko  A B E F A I 1 R 1 I 2 R 2 + ε 1 = 0 V  lub  ε 1 = I 1 R 1 + I 2 R 2 . \text{oczko } A\sep B\sep E\sep F\sep A\text{: } - I_1 R_1 - I_2 R_2 + \epsilon_1 = \SI{0}{\volt} \text{ lub } \epsilon_1 = I_1 R_1 + I_2 R_2 \text{.}

Teraz możemy sprawdzić oczko EBCDEEBCDE. Rozpoczynamy w punkcie EE i przechodzimy do punktu BB, mijamy opornik R2R2 w kierunku przeciwnym do prądu I2I2. Dodajemy spadek potencjału I2R2I2R2. Następnie mijamy oporniki R3R3 i R4R4 w kierunku zgodnym z przepływem prądu I3I3, więc odejmujemy spadki potencjału I3R3I3R3 i I3R4I3R4. Ponieważ oporniki są połączone szeregowo, przepływa przez nie prąd o takim samym natężeniu. Wreszcie przechodzimy od bieguna dodatniego do bieguna ujemnego źródła SEM, więc odejmujemy ε2ε2. Suma spadków potencjału musi być równa zero, otrzymujemy więc

oczko  E B C D E I 2 R 2 I 3 R 3 + R 4 ε 2 = 0 V . oczko  E B C D E I 2 R 2 I 3 R 3 + R 4 ε 2 = 0 V . \text{oczko } E\sep B\sep C\sep D\sep E\text{: } I_2 R_2 - I_3 (R_3 + R_4) - \epsilon_2 = \SI{0}{\volt} \text{.}

Mamy trzy równania z trzema niewiadomymi

węzeł BI1I2I3=0A,węzeł BI1I2I3=0A, \text{węzeł } B \text{: } I_1-I_2-I_3 = \SI{0}{\ampere} \text{,}
10.6
oczko ABEFAI1R1+I2R2=ε1,oczko ABEFAI1R1+I2R2=ε1, \text{oczko } A\sep B\sep E\sep F\sep A \text{: } I_1 R_1 + I_2 R_2 = \epsilon_1 \text{,}
10.7
oczko EBCDEI2R2I3R3+R4=ε2.oczko EBCDEI2R2I3R3+R4=ε2. \text{oczko } E\sep B\sep C\sep D\sep E \text{: } I_2 R_2 - I_3 (R_3 + R_4) = \epsilon_2 \text{.}
10.8

Rozwiązywanie równań rozpocznijmy od wyeliminowania I2I2. Dodajmy Równanie 10.6 pomnożone przez R2R2 do Równania 10.7. Wynik, po podstawieniu danych, oznaczmy jako Równanie 10.9

R 1 + R 2 I 1 R 2 I 3 = ε 1 , R 1 + R 2 I 1 R 2 I 3 = ε 1 ,
6 ⁢⁢ Ω I 1 3 ⁢⁢ Ω I 3 = 24 ⁢⁢ V . 6 ⁢⁢ Ω I 1 3 ⁢⁢ Ω I 3 = 24 ⁢⁢ V .
10.9

Następnie odejmijmy Równanie 10.8 od Równania 10.7, wynik (po podstawieniu danych) oznaczmy jako Równanie 10.10

I 1 R 1 + I 3 R 3 + R 4 = ε 1 ε 2 , I 1 R 1 + I 3 R 3 + R 4 = ε 1 ε 2 ,
3 ⁢⁢ Ω I 1 + 7 ⁢⁢ Ω I 3 = 5 ⁢⁢ V . 3 ⁢⁢ Ω I 1 + 7 ⁢⁢ Ω I 3 = 5 ⁢⁢ V .
10.10

Z Równania 10.9 i Równania 10.10 wyznaczamy natężenie prądu I1=3⁢⁢AI1=3⁢⁢A. Następnie z Równania 10.9 natężenie prądu I3=3⁢⁢AI3=3⁢⁢A. Wreszcie z Równania 10.6 obliczamy natężenie prądu I2=I1I3=5⁢⁢AI2=I1I3=5⁢⁢A. Jednym ze sposobów sprawdzenia poprawności obliczeń jest porównanie sumarycznej mocy źródeł SEM z mocą rozpraszania energii przez oporniki obecne w obwodzie

P SEM = I 1 ε 1 + I 3 ε 2 = 130 ⁢⁢ W , P rozproszona = I 1 2 R 1 + I 2 2 R 2 + I 3 2 R 3 + I 3 2 R 4 = 130 ⁢⁢ W . P SEM = I 1 ε 1 + I 3 ε 2 = 130 ⁢⁢ W , P rozproszona = I 1 2 R 1 + I 2 2 R 2 + I 3 2 R 3 + I 3 2 R 4 = 130 ⁢⁢ W . P SEM = I 1 ε 1 + I 3 ε 2 = 130 ⁢⁢ W , P rozproszona = I 1 2 R 1 + I 2 2 R 2 + I 3 2 R 3 + I 3 2 R 4 = 130 ⁢⁢ W .

Widzimy, że obliczona wartość natężenia prądu I3I3 jest ujemna. To poprawna odpowiedź, ale sugeruje, że pierwotnie wybrany kierunek prądu I3I3 jest w rzeczywistości przeciwny. Moc dostarczania energii przez drugie źródło SEM wynosi więc 58⁢⁢W58⁢⁢W, a nie 58⁢⁢W58⁢⁢W.

Zauważmy, że do rozwiązania układu równań liniowych można z powodzeniem zastosować znaną z algebry liniowej metodę wyznaczników.

Przykład 10.6

Obliczanie natężenia prądu z zastosowaniem praw Kirchhoffa

Oblicz natężenie prądów płynących w obwodzie elektrycznym przedstawionym na Ilustracji 10.29.
Rysunek przedstawia obwód z trzema poziomymi rozgałęzieniami. Pierwsza gałąź ma dodatni zacisk źródła napięcia 0,5 V połączony z opornikiem R ze znakiem 4 równe 2 Ω, druga gałąź ma ujemny zacisk źródła napięcia 0,6 V połączony z opornikiem R ze znakiem 3 równe 1 Ω, a trzecia gałąź ma dodatni zacisk źródła napięcia 2,3 V połączony z opornikiem R ze znakiem 5 równe 1 Ω. Lewa pionowa gałąź ma opornik R ze znakiem 1 równe 3 Ω między pierwszymi dwoma poziomymi gałęziami i opornikiem 2 równe 5 Ω między drugą i trzecią gałęzią poziomą. Gałąź pionowa jest połączona bezpośrednio miedzy pierwszą z dwóch gałęzi poziomych i ma opornik R ze znakiem 6 równe 2 Ω między gałęziami poziomymi drugą i trzecią.
Ilustracja 10.29 Układ ten to kombinacja szeregowo i równolegle połączonych oporników i źródeł napięcia.Nie da się go analizoować przy użyciu metod omówionych w rozdziale Siła elektromotoryczna, ale można zastosoważ prawa Kirchhoffa.

Strategia rozwiązania

Obwód ten jest na tyle skomplikowany, że natężenia prądów nie można obliczyć za pomocą prawa Ohma i metod stosowanych do analizy układów szeregowych i równoległych. Niezbędne jest skorzystanie z praw Kirchhoffa. Na rysunku oznaczyliśmy prądy o natężeniach I1I1, I2I2 i I3I3 oraz poczyniliśmy założenia o kierunkach ich przepływu. Punkty charakterystyczne oznaczyliśmy literami od AA do HH. W rozwiązaniu stosujemy poznane zasady dotyczące wyboru węzłów i oczek, szukając trzech niezależnych równań, które pozwolą nam obliczyć natężenia trzech nieznanych prądów.

Rozwiązanie

Wybranie odpowiednich oczek i węzłów daje poniższe równania. Ponieważ mamy trzy niewiadome, potrzebne są trzy równania
węzeł  C I 1 + I 2 = I 3 , oczko  A B C D E F A I 1 R 1 + R 4 I 2 R 2 + R 5 + R 6 = ε 1 ε 3 , oczko  C D E F C I 2 R 2 + R 5 + R 6 + I 3 R 3 = ε 2 + ε 3 . węzeł  C I 1 + I 2 = I 3 , oczko  A B C D E F A I 1 R 1 + R 4 I 2 R 2 + R 5 + R 6 = ε 1 ε 3 , oczko  C D E F C I 2 R 2 + R 5 + R 6 + I 3 R 3 = ε 2 + ε 3 . węzeł  C I 1 + I 2 = I 3 , oczko  A B C D E F A I 1 R 1 + R 4 I 2 R 2 + R 5 + R 6 = ε 1 ε 3 , oczko  C D E F C I 2 R 2 + R 5 + R 6 + I 3 R 3 = ε 2 + ε 3 .

Uproszczenie równań (umieszczenie niewiadomych po jednej stronie równania) daje

węzeł  C : I 1 + I 2 I 3 = 0 V , oczko  A B C D E F A : I 1 3 Ω I 2 8 Ω = 0,5 V 2,3 V , oczko  C D E F C : I 2 8 Ω + I 3 1 Ω = 0,6 V + 2,3 V . węzeł  C : I 1 + I 2 I 3 = 0 V , oczko  A B C D E F A : I 1 3 Ω I 2 8 Ω = 0,5 V 2,3 V , oczko  C D E F C : I 2 8 Ω + I 3 1 Ω = 0,6 V + 2,3 V . węzeł  C : I 1 + I 2 I 3 = 0 V , oczko  A B C D E F A : I 1 3 Ω I 2 8 Ω = 0,5 V 2,3 V , oczko  C D E F C : I 2 8 Ω + I 3 1 Ω = 0,6 V + 2,3 V . \begin{align} \text{węzeł } C \text{: } &I_1 + I_2 - I_3 = \SI{0}{\volt} \text{,} \\ \text{oczko } A\sep B\sep C\sep D\sep E\sep F\sep A \text{: } &I_1 \cdot \SI{3}{\ohm} - I_2 \cdot \SI{8}{\ohm} = \SI{0,5}{\volt} - \SI{2,3}{\volt} \text{,} \\ \text{oczko } C\sep D\sep E\sep F\sep C \text{: } &I_2 \cdot \SI{8}{\ohm} + I_3 \cdot \SI{1}{\ohm} = \SI{0,6}{\volt} + \SI{2,3}{\volt} \text{.} \end{align}

Dalsze obliczenia pozwolą wyznaczyć natężenia prądów

I 1 = 0,2 ⁢⁢ A , I 2 = 0,3 ⁢⁢ A , I 3 = 0,5 ⁢⁢ A . I 1 = 0,2 ⁢⁢ A , I 2 = 0,3 ⁢⁢ A , I 3 = 0,5 ⁢⁢ A .

Znaczenie

Sposobem na sprawdzenie poprawności obliczeń jest porównanie mocy dostarczania energii przez źródła SEM z mocą rozpraszania energii przez oporniki obecne w obwodzie
P SEM = I 1 ε 1 + I 2 ε 3 + I 3 ε 2 = 0,1 ⁢⁢ W + 0,69 ⁢⁢ W + 0,3 ⁢⁢ W = 1,09 ⁢⁢ W , P SEM = I 1 ε 1 + I 2 ε 3 + I 3 ε 2 = 0,1 ⁢⁢ W + 0,69 ⁢⁢ W + 0,3 ⁢⁢ W = 1,09 ⁢⁢ W ,
P rozproszona = I 1 2 R 1 + I 2 2 R 2 + I 3 2 R 3 + I 1 2 R 4 + I 2 2 R 5 + I 2 2 R 6 P rozproszona = 0,04 W + 0,45 W + 0,25 W + 0,08 W + 0,09 W + 0,18 W = 1,09 W . P rozproszona = I 1 2 R 1 + I 2 2 R 2 + I 3 2 R 3 + I 1 2 R 4 + I 2 2 R 5 + I 2 2 R 6 P rozproszona = 0,04 W + 0,45 W + 0,25 W + 0,08 W + 0,09 W + 0,18 W = 1,09 W . \begin{multiline} P_{\text{rozproszona}} &= I_1^2 R_1 + I_2^2 R_2 + I_3^2 R_3 + I_1^2 R_4 + I_2^2 R_5 + I_2^2 R_6 \\ &= \SI{0,04}{\watt} + \SI{0,45}{\watt} + \SI{0,25}{\watt} + \SI{0,08}{\watt} + \SI{0,09}{\watt} + \SI{0,18}{\watt} = \SI{1,09}{\watt} \text{.} \end{multiline} P rozproszona = I 1 2 R 1 + I 2 2 R 2 + I 3 2 R 3 + I 1 2 R 4 + I 2 2 R 5 + I 2 2 R 6 = 0,04 W + 0,45 W + 0,25 W + 0,08 W + 0,09 W + 0,18 W = 1,09 W . \begin{multiline} P_{\text{rozproszona}} &= I_1^2 R_1 + I_2^2 R_2 + I_3^2 R_3 + I_1^2 R_4 + I_2^2 R_5 + I_2^2 R_6 \\ &= \SI{0,04}{\watt} + \SI{0,45}{\watt} + \SI{0,25}{\watt} + \SI{0,08}{\watt} + \SI{0,09}{\watt} + \SI{0,18}{\watt} = \SI{1,09}{\watt} \text{.} \end{multiline}

Otrzymane wartości są sobie równe.

Sprawdź, czy rozumiesz 10.6

Rozważ następujący schemat, moc dostarczania, moc rozpraszania energii w obwodzie i sprawdź, czy każde z dwóch źródeł SEM zapewnia zasilanie obwodu, czy też może pochłaniać energię.

Rysunek przedstawia zacisk dodatni źródła napięcia V ze znakiem 1 i napięciu 24 V połączony szeregowo z opornikiem R ze znakiem 1 dla 10 kΩ połączonych szeregowo do zacisku dodatniego źródła napięcia V ze znakiem 2 o napięciu 12 V połączonym szeregowo z opornikiem R ze znakiem 2 dla 30 kΩ.

Przykład 10.7

Obliczanie natężenia prądu z zastosowaniem praw Kirchhoffa

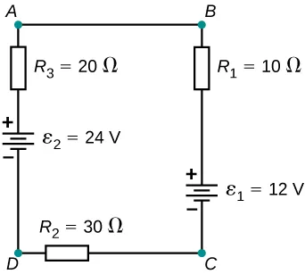
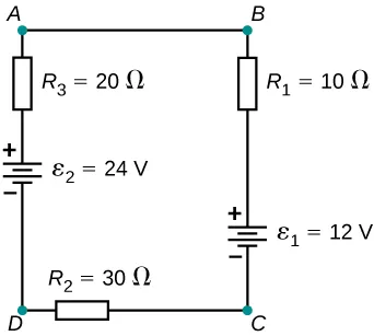
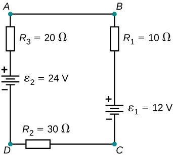
Oblicz natężenie prądu płynącego w obwodzie na Ilustracji 10.30.
Rysunek przedstawia dodatni zacisk źródła napięcia V ze znakiem 2 o wartości 24 V połączony szeregowo z opornikiem R ze znakiem 3 równe 20 Ω połączony szeregowo z opornikiem R ze znakiem 1 o wartości 10 Ω z dodatnim zaciskiem źródła napięcia V ze znakiem 1 równe 12 V połączone szeregowo z opornikiem R ze znakiem 2 o wartości 30 Ω.
Ilustracja 10.30 Obwód składa się z trzech oporników i dwóch baterii połączonych szeregowo. Zauważmy, że baterie podłączono naprzemiennie.

Strategia rozwiązania

Układ ten można przeanalizować przy zastosowaniu praw Kirchhoffa. Istnieje tylko jedno oczko i nie ma węzłów. Wybierzmy kierunek przepływu prądu. W tym przykładzie przyjmiemy kierunek zgodny z kierunkiem ruchu wskazówek zegara, od punktu AA do punktu BB. Rozważmy oczko ABCDAABCDA i na podstawie Ilustracji 10.23 zapiszmy równanie dla oczka. Zauważmy, że zgodnie z Ilustracją 10.23 SEM źródła pierwszego ε1ε1 należy odjąć, a SEM drugiego źródła ε2ε2 należy dodać.

Rozwiązanie

Mamy jedną niewiadomą, więc potrzebujemy jednego równania. Po zastosowaniu drugiego prawa Kirchhoffa uzyskujemy
oczko  A B C D E A : I R 1 ε 1 I R 2 + ε 2 I R 3 = 0 V . oczko  A B C D E A : I R 1 ε 1 I R 2 + ε 2 I R 3 = 0 V . \text{oczko } A\sep B\sep C\sep D\sep E\sep A \text{: } -IR_1 - \epsilon_1 - IR_2 + \epsilon_2 - IR_3 = \SI{0}{\volt} \text{.}

Uprośćmy równanie przez przeniesienie niewiadomej na jedną stronę. Podstawmy dane

I R 1 + R 2 + R 3 = ε 2 ε 1 , I = ε 2 ε 1 R 1 + R 2 + R 3 = 24 ⁢⁢ V 12 ⁢⁢ V 10 ⁢⁢ Ω + 30 ⁢⁢ Ω + 20 Ω = 0,2 A . I R 1 + R 2 + R 3 = ε 2 ε 1 , I = ε 2 ε 1 R 1 + R 2 + R 3 = 24 ⁢⁢ V 12 ⁢⁢ V 10 ⁢⁢ Ω + 30 ⁢⁢ Ω + 20 Ω = 0,2 A . I R 1 + R 2 + R 3 = ε 2 ε 1 , I = ε 2 ε 1 R 1 + R 2 + R 3 = 24 ⁢⁢ V 12 ⁢⁢ V 10 ⁢⁢ Ω + 30 ⁢⁢ Ω + 20 Ω = 0,2 A .

Znaczenie

Moc, z jaką energia jest rozpraszana czy zużywana w obwodzie, równa się mocy dostarczania energii do obwodu. Zauważmy jednak, że prąd przepływa przez źródło o SEM równej ε1ε1 od bieguna dodatniego do ujemnego i pobiera energię
P SEM 2 = I ε 2 = 4,8 ⁢⁢ W , P rozproszona = I 2 R 1 + I 2 R 2 + I 2 R 3 + I ε 1 = 0,4 ⁢⁢ W + 1,2 ⁢⁢ W + 0,8 ⁢⁢ W + 2,4 ⁢⁢ W = 4,8 ⁢⁢ W . P SEM 2 = I ε 2 = 4,8 ⁢⁢ W , P rozproszona = I 2 R 1 + I 2 R 2 + I 2 R 3 + I ε 1 = 0,4 ⁢⁢ W + 1,2 ⁢⁢ W + 0,8 ⁢⁢ W + 2,4 ⁢⁢ W = 4,8 ⁢⁢ W . P SEM 2 = I ε 2 = 4,8 ⁢⁢ W , P rozproszona = I 2 R 1 + I 2 R 2 + I 2 R 3 + I ε 1 = 0,4 ⁢⁢ W + 1,2 ⁢⁢ W + 0,8 ⁢⁢ W + 2,4 ⁢⁢ W = 4,8 ⁢⁢ W .

Moc, z jaką dostarczana jest energia do obwodu przez źródło o SEM wynoszącej ε2ε2, równa się sumie mocy rozpraszania energii na opornikach i mocy pochłaniania energii przez źródło o SEM ε1ε1.

Sprawdź, czy rozumiesz 10.7

Podczas korzystania z prawa Kirchhoffa musimy zdecydować, które oczka w obwodzie wybrać, i ustalić kierunek przepływu prądu w każdym z nich. W powyższym przykładzie przyjęliśmy kierunek przepływu prądu w oczku zgodny z kierunkiem ruchu wskazówek zegara: od punktu AA do punktu BB. Jak zmieni się wynik, jeśli założymy przeciwny kierunek przepływu prądu w obwodzie: od punktu BB do punktu AA?

Wiele źródeł napięcia

Wiele urządzeń wymaga więcej niż jednego źródła napięcia. Źródła napięcia, takie jak baterie, mogą być połączone ze sobą szeregowo, równolegle lub w sposób będący kombinacją obydwu połączeń.

W połączeniu szeregowym dodatni biegun jednego źródła jest połączony z biegunem ujemnym kolejnego źródła. W ten sposób możemy połączyć dowolną liczbę źródeł napięcia. Dwa takie źródła połączone szeregowo przedstawia Ilustracja 10.31. Po zastosowaniu drugiego prawa Kirchhoffa do oczka z części (b) rysunku otrzymujemy

ε 1 I r 1 + ε 2 I r 2 I R = 0 V , ε 1 + ε 2 I r 1 + r 2 I R = 0 V . ε 1 I r 1 + ε 2 I r 2 I R = 0 V , ε 1 + ε 2 I r 1 + r 2 I R = 0 V . ε 1 I r 1 + ε 2 I r 2 I R = 0 V , ε 1 + ε 2 I r 1 + r 2 I R = 0 V . \begin{align} \epsilon_1 - Ir_1 + \epsilon_2 - Ir_2 - IR &= \SI{0}{\volt} \text{,} \\ \epsilon_1 + \epsilon_2 -I(r_1+r_2) - IR &= \SI{0}{\volt} \text{.} \end{align}
Część a przedstawia dwie baterie połączone szeregowo z opornikiem. Część b pokazuje schemat obwodu dla części a, z każdą baterią reprezentowaną przez źródło emf i opór wewnętrzny.
Ilustracja 10.31 (a) Dwa źródła napięcia połączone szeregowo z opornikiem obciążenia; (b) schemat obwodu z dwoma źródłami napięcia i opornikiem. Każde ze źródeł modelowano jako wyidealizowane źródło SEM z oporem wewnętrznym.

Gdy źródła napięcia połączone są szeregowo, ich wewnętrzne opory i SEM możemy dodać, żeby uzyskać ich sumaryczną wartość. Połączenia szeregowe źródeł napięcia są powszechne, przykładowo w latarkach czy zabawkach. Zwykle ogniwa łączy się szeregowo w celu wytworzenia większej łącznej siły elektromotorycznej. Na Ilustracji 10.31 spadek potencjału między punktami BB i AA wynosi

U bat = ε 1 I r 1 + ε 2 I r 2 = ε 1 + ε 2 I r 1 + r 2 = ε 1 + ε 2 I r rw . U bat = ε 1 I r 1 + ε 2 I r 2 = ε 1 + ε 2 I r 1 + r 2 = ε 1 + ε 2 I r rw .

Zauważmy, że ze względu na ich połączenie szeregowe przez każde źródło napięcia płynie prąd o takim samym natężeniu II. Niedogodnością połączeń szeregowych wielu źródeł napięcia jest to, że ich wewnętrzne opory się dodają.

Źródła łączy się szeregowo w celu zwiększenia napięcia dostarczanego do układu. Na przykład latarka LED może mieć dwie baterie typu AAA o napięciu na biegunach równym 1,5⁢⁢V1,5⁢⁢V każda, zasilające latarkę napięciem 3⁢⁢V3⁢⁢V.

Możemy połączyć szeregowo dowolną liczbę źródeł napięcia. Dla NN połączonych szeregowo źródeł napięcia różnica potencjałów na biegunach jest równa

U bat = ε 1 + ε 2 + + ε N 1 + ε N I r 1 + r 2 + + r N 1 + r N = i = 1 N ε i I r rw , U bat = ε 1 + ε 2 + + ε N 1 + ε N I r 1 + r 2 + + r N 1 + r N = i = 1 N ε i I r rw ,

gdzie równoważny opór wynosi rrw=i=1Nrirrw=i=1Nri.

Gdy do baterii ogniw podłączymy szeregowo obciążenie, jak na Ilustracji 10.32, możemy obliczyć natężenie prądu płynącego przez obwód

ε 1 I r 1 + ε 2 I r 2 = I R , I r 1 + r 2 + R = ε 1 + ε 2 , I = ε 1 + ε 2 r 1 + r 2 + R . ε 1 I r 1 + ε 2 I r 2 = I R , I r 1 + r 2 + R = ε 1 + ε 2 , I = ε 1 + ε 2 r 1 + r 2 + R . ε 1 I r 1 + ε 2 I r 2 = I R , I r 1 + r 2 + R = ε 1 + ε 2 , I = ε 1 + ε 2 r 1 + r 2 + R . \begin{align} \epsilon_1 - Ir_1 + \epsilon_2 - Ir_2 &= IR \text{,} \\ I(r_1+r_2+R) &= \epsilon_1 + \epsilon_2 \text{,} \\ I &= \frac{\epsilon_1 + \epsilon_2}{r_1+r_2+R} \text{.} \end{align}

Zgodnie z oczekiwaniami opór wewnętrzny zwiększa opór równoważny.

Część a przedstawia dwie baterie połączone szeregowo z żarówką. Część b przedstawia schemat obwodu dla części a, z każdą baterią reprezentowaną przez źródło emf i opór wewnętrzny oraz żarówkę reprezentowaną przez opornik obciążenia.
Ilustracja 10.32 (a) Żarówka LED podłączona do dwóch źródeł napięcia (np. baterii), jak w latarce; (b) schemat obwodu zawierającego żarówkę LED, podłączoną do dwóch źródeł napięcia.

Źródła napięcia, np. baterie, mogą być również połączone ze sobą równolegle. Ilustracja 10.33 przedstawia dwa źródła o identycznych SEM, połączone równolegle i podłączone do opornika. Gdy są one połączone równolegle, to zarówno bieguny dodatnie, jak i ujemne są parami połączone ze sobą, a opornik obciążenia podłączony jest do biegunów dodatnich i ujemnych. Normalnie źródła napięcia połączone równolegle mają identyczną SEM. W tym prostym przykładzie są one połączone równolegle, dlatego całkowita siła elektromotoryczna jest taka sama jak SEM poszczególnych źródeł napięcia.

Część a przedstawia dwie baterie połączone równolegle z opornikiem. Część b pokazuje schemat obwodu dla części a, z każdą baterią reprezentowaną przez źródło emf i opór wewnętrzny.
Ilustracja 10.33 (a) Dwa źródła napięcia podłączone równolegle do opornika; (b) schemat obwodu zawierającego dwa źródła napięcia o identycznych SEM równych EE i połączonych z nimi szeregowo wewnętrznych oporach r1r1 i r2r2 podłączonych do opornika o oporze RR.

Przeanalizujmy obwód z Ilustracji 10.33 (b) w oparciu o prawa Kirchhoffa. Zaznaczmy dwa oczka i węzeł w punkcie BB

węzeł  B : I 1 + I 2 I = 0 A , oczko  A B C F A : ε I 1 r 1 + I 2 r 2 ε = 0 V , oczko  F C D E F : ε I 2 r 2 I R = 0 V . węzeł  B : I 1 + I 2 I = 0 A , oczko  A B C F A : ε I 1 r 1 + I 2 r 2 ε = 0 V , oczko  F C D E F : ε I 2 r 2 I R = 0 V . węzeł  B : I 1 + I 2 I = 0 A , oczko  A B C F A : ε I 1 r 1 + I 2 r 2 ε = 0 V , oczko  F C D E F : ε I 2 r 2 I R = 0 V . \begin{align} \text{węzeł } B \text{: } &I_1 + I_2 - I = \SI{0}{\ampere} \text{,} \\ \text{oczko } A\sep B\sep C\sep F\sep A \text{: } &\epsilon - I_1 r_1 + I_2 r_2 - \epsilon = \SI{0}{\volt} \text{,} \\ \text{oczko } F\sep C\sep D\sep E\sep F \text{: } &\epsilon - I_2 r_2 - IR = \SI{0}{\volt} \text{.} \end{align}

Wyliczamy natężenie prądu, które wynosi I=εrrw+RI=εrrw+R, gdzie rrw=1r1+1r21rrw=1r1+1r21. Różnica potencjałów na biegunach (wspólnych dla obydwu źródeł napięcia) równa się spadkowi potencjału na oporniku i wynosi IR=εrrw+RRIR=εrrw+RR. Połączenie równoległe zmniejsza więc opór wewnętrzny, a tym samym w obwodzie może popłynąć prąd o większym natężeniu.

Połączyć równolegle możemy dowolną liczbę źródeł napięcia. W przypadku połączenia równoległego NN źródeł napięcia różnica potencjałów na biegunach równa się

U bat = ε I 1 r 1 + 1 r 2 + + 1 r N 1 + 1 r N 1 = ε I r rw , U bat = ε I 1 r 1 + 1 r 2 + + 1 r N 1 + 1 r N 1 = ε I r rw ,
10.11

gdzie równoważny opór rrw=i=1N1ri1rrw=i=1N1ri1.

Przykładowo niektóre ciężarówki z silnikiem diesla używają dwóch akumulatorów 12⁢⁢V12⁢⁢V połączonych równolegle; wytwarzają one całkowitą SEM równą 12⁢⁢V12⁢⁢V, ale zapewniają większy prąd potrzebny do uruchomienia silnika wysokoprężnego.

Podsumowując, różnica potencjałów na biegunach baterii ogniw połączonych szeregowo równa się sumie poszczególnych SEM pomniejszonej o iloczyn sumy oporów wewnętrznych i natężenia prądu. Gdy ogniwa są połączone równolegle, zwykle mają taką samą SEM, a spadek potencjału na zaciskach baterii ogniw wynosi SEM minus iloczyn równoważnego oporu i natężenia prądu. W tym przypadku równoważny opór wewnętrzny jest mniejszy niż opór każdego z poszczególnych oporów wewnętrznych. Źródła napięcia łączy się szeregowo w celu zwiększenia różnicy potencjałów między biegunami baterii ogniw. Równolegle zaś łączy się je, żeby zwiększyć natężenie prądu wypływającego z baterii ogniw.

Baterie ogniw słonecznych

Innym przykładem połączenia wielu źródeł napięcia jest układ ogniw słonecznych. Łączy się je ze sobą szeregowo i równolegle, żeby uzyskać pożądane napięcie i natężenie prądu. Zjawisko fotowoltaiczne, będące przemianą energii światła słonecznego w energię elektryczną, wynika ze zjawiska fotoelektrycznego wewnętrznego. Tematyka ta wykracza poza ramy niniejszego rozdziału, omówiona jest szczegółowo w rozdziale Fotony i fale materii. Nie wgłębiając się w szczegóły, powiedzmy tylko, że fotony padające na powierzchnię ogniwa słonecznego powodują powstawanie w nim prądu elektrycznego.

Większość ogniw słonecznych wytwarza się z czystego krzemu. Zwykle pojedyncze ogniwa mają napięcie wyjściowe około 0,5⁢⁢V0,5⁢⁢V, a natężenie prądu wyjściowego jest funkcją ilości światła słonecznego padającego na ogniwo (nasłonecznienia). Dla ogniw monokrystalicznych przy dużym nasłonecznieniu (np. w południe) natężenie prądu na jednostkę powierzchni wynosi około 100⁢⁢mAcm2100⁢⁢mAcm2.

Poszczególne ogniwa słoneczne są połączone w baterie, tak aby spełniały potrzeby energetyczne. Mogą one być połączone ze sobą szeregowo albo równolegle – podobnie jak źródła SEM omawiane wcześniej. Liczba ogniw słonecznych składających się na baterię lub panel wynosi zazwyczaj między 36 i 72, co daje moc wyjściową między 50⁢⁢W50⁢⁢W a 140⁢⁢W140⁢⁢W.

Ogniwa słoneczne, podobnie jak zwykłe baterie, są źródłami prądu stałego (DC). Prąd z takiego źródła płynie w jednym kierunku. Większość urządzeń gospodarstwa domowego potrzebuje do działania prądu zmiennego (AC).

Cytowanie i udostępnianie

Ten podręcznik nie może być wykorzystywany do trenowania sztucznej inteligencji ani do przetwarzania przez systemy sztucznej inteligencji bez zgody OpenStax lub OpenStax Poland.

Chcesz zacytować, udostępnić albo zmodyfikować treść tej książki? Została ona wydana na licencji Uznanie autorstwa (CC BY) , która wymaga od Ciebie uznania autorstwa OpenStax.

Cytowanie i udostępnienia
  • Jeśli rozpowszechniasz tę książkę w formie drukowanej, umieść na każdej jej kartce informację:
    Treści dostępne za darmo na https://openstax.org/books/fizyka-dla-szk%C3%B3%C5%82-wy%C5%BCszych-tom-2/pages/1-wstep
  • Jeśli rozpowszechniasz całą książkę lub jej fragment w formacie cyfrowym, na każdym widoku strony umieść informację:
    Treści dostępne za darmo na https://openstax.org/books/fizyka-dla-szk%C3%B3%C5%82-wy%C5%BCszych-tom-2/pages/1-wstep
Cytowanie

© 21 wrz 2022 OpenStax. Treść książki została wytworzona przez OpenStax na licencji Uznanie autorstwa (CC BY) . Nazwa OpenStax, logo OpenStax, okładki OpenStax, nazwa OpenStax CNX oraz OpenStax CNX logo nie podlegają licencji Creative Commons i wykorzystanie ich jest dozwolone wyłącznie na mocy uprzedniego pisemnego upoważnienia przez Rice University.