Przejdź do treściPrzejdź do informacji o dostępnościMenu skrótów klawiszowych
Logo OpenStax
Wyszukaj kluczowe pojęcia lub tekst.

Cel dydaktyczny

W tym podrozdziale nauczysz się:
  • objaśniać proces ładowania kondensatora;
  • objaśniać proces rozładowywania kondensatora;
  • wymieniać niektóre zastosowania obwodów RC.

Gdy skorzystasz z lampy błyskowej aparatu fotograficznego, to później kilka sekund zajmuje ponowne naładowanie kondensatora zasilającego lampę. Uruchomienie lampy błyskowej rozładowuje kondensator w ułamku sekundy. Dlaczego ładowanie trwa dłużej niż rozładowywanie? Odpowiedzi na to pytanie oraz na kilka innych, które dotyczą ładowania i rozładowywania kondensatorów, udzielimy w tej części.

Obwody elektryczne zawierające opór i pojemność

Obwód RC (ang. RC circuit) jest obwodem elektrycznym zawierającym opór i pojemność. Jak przedstawiono w rozdziale Pojemność elektryczna, kondensator to element elektryczny, który gromadzi ładunek elektryczny, magazynując energię w polu elektrycznym.

Ilustracja 10.38 (a) przedstawia prosty obwód RC składający się ze stałoprądowego (DC) źródła napięcia o SEM równej ε ε, opornika R R, kondensatora C C i przełącznika dwupozycyjnego. Obwód pozwala na ładowanie lub rozładowywanie kondensatora w zależności od pozycji przełącznika. Kiedy przełącznik znajduje się w położeniu A A (sytuacja przedstawiona w części (b) rysunku), to kondensator się ładuje. Kiedy przełącznik zostaje przestawiony do położenia B B, kondensator rozładowuje się przez opornik.

Część a przedstawia obwód otwarty z trzeba odgałęzieniami, lewe ze źródłem napięcia u góry dodatniego zacisku łączącego punkt A, środkowe krótsze w punktem B i prawe z opornikiem i kondensatorem. Część b pokazuje część obwodu przy pierwszym odgałęzieniu połączonego z trzecim. Część c przedstawia część obwodu przy drugiej gałęzi połączonej z trzecią.
Ilustracja 10.38 (a) Obwód RC z wyłącznikiem dwupozycyjnym, stosowanym do ładowania i rozładowywania kondensatora. (b) Gdy przełącznik jest ustawiony w pozycji A A, obwód sprowadza się do prostego połączenia szeregowego źródła napięcia, opornika, kondensatora i przełącznika. (c) Gdy przełącznik zostanie ustawiony w pozycji B B, obwód sprowadza się do prostego połączenia szeregowego opornika, kondensatora i przełącznika. Źródło napięcia znajduje się poza obwodem.

Ładowanie kondensatora

Do zrozumienia procesu ładowania kondensatora możemy zastosować drugie prawo Kirchhoffa. Mamy równanie ε U R U C = 0 ε U R U C =0. Wykorzystajmy je do modelowania wartości ładunku na kondensatorze w funkcji czasu podczas jego ładowania. Pojemność definiujemy jako C = q U C C= q U C , więc napięcie na kondensatorze wynosi U C = q C U C = q C . Z prawa Ohma wyznaczmy spadek potencjału na oporniku U R = I R U R = I R , a prąd definiujemy jako I = d q d t I= d q d t

ε U R U C = 0 , ε I R q C = 0 , ε R d q d t q C = 0 . ε U R U C = 0 , ε I R q C = 0 , ε R d q d t q C = 0 .

Aby uzyskać równanie określające zależność wartości ładunku na kondensatorze od czasu, powyższe równanie różniczkowe należy scałkować

ε R d q d t q C = 0 , d q d t = ε C q R C , 0 q d q ε C q = 1 R C 0 t d t . ε R d q d t q C = 0 , d q d t = ε C q R C , 0 q d q ε C q = 1 R C 0 t d t .

Dokonajmy podstawienia u = ε C q u= ε C q , więc d u = d q d u = d q . Dostajemy

0 1 d u u = 1 R C 0 t d t , ln ε C q ε C = 1 R C t , ε C q ε C = e t R C . 0 1 d u u = 1 R C 0 t d t , ln ε C q ε C = 1 R C t , ε C q ε C = e t R C .

Po przekształceniach otrzymujemy równanie określające zależność wartości ładunku na kondensatorze od czasu podczas jego ładowania

q t = C ε 1 e t R C = Q 1 e t τ . q t = C ε 1 e t R C = Q 1 e t τ .

Wykres zależności ładunku na kondensatorze od czasu przedstawia Ilustracja 10.39 (a). Po pierwsze, należy zauważyć, że gdy czas dąży do nieskończoności, to wyrażenie e t R C e t R C dąży do zera, więc ładunek zbliża się do maksymalnej wartości Q = C ε Q= C ε . Jednostką iloczynu R C RC jest sekunda, więc iloczyn ma wymiar czasu. Wielkość ta jest znana jako pojemnościowa stała czasowa (ang. time constant)

τ = R C . τ= R C .
10.12

Gdy t = τ = R C t=τ= R C , ładunek równa się Q 1 e 1 = Q 1 0,368 = 0,632 Q Q 1 e 1 = Q 1 0,368 = 0,632 Q (ładunku maksymalnego, Q = C ε Q= C ε ). Zauważmy, że szybkość gromadzenia się ładunku na kondensatorze odpowiada nachyleniu stycznej do wykresu q t q t w danym punkcie. Nachylenie stycznej do wykresu jest duże w chwili t = 0 ⁢⁢ s t= 0 ⁢⁢ s i maleje do zera wraz z upływem czasu.

W miarę wzrostu ładunku na kondensatorze natężenie prądu płynącego przez opornik maleje, jak na Ilustracji 10.39 (b). Natężenie prądu płynącego przez opornik można obliczyć, różniczkując równanie q t q t

i t = d q d t = d d t C ε 1 e t R C , i t = C ε 1 R C e t R C = ε R e t R C = I 0 e t R C , i t = d q d t = d d t C ε 1 e t R C , i t = C ε 1 R C e t R C = ε R e t R C = I 0 e t R C ,
i t = I 0 e t τ . i t = I 0 e t τ .
10.13

W chwili t = 0 s t= 0 s natężenie prądu płynącego przez opornik wynosi I 0 = ε R I 0 = ε R . Gdy czas dąży do nieskończoności, natężenie prądu spada do zera. W chwili t = τ t=τ natężenie prądu płynącego przez opornik osiąga wartość i t = τ = I 0 e 1 = 0,368 I 0 i t = τ = I 0 e 1 = 0,368 I 0 .

Rysunki przedstawiają cztery wykresy ładowania kondensatora z czasem na osi x. Część a przedstawia ładunek kondensatora na osi y, jego wartość wzrasta od 0 do Cε i jest równa 0.632 Cε po 1 τ. Część b przedstawia prąd opornika na osi y, jego wartość maleje od l ze znakiem 0 do 0 i jest równa 0.368 I ze znakiem 0 po 1 τ. Część c przedstawia napięcie kondensatora na osi y, jego wartość rośnie od 0 do ε i jest równa 0.632 ε po 1 τ. Część d pokazuje napięcie opornika na osi y, jego wartość maleje z ε do 0 i jest równa 0.368 ε po 1 τ.
Ilustracja 10.39 (a) Ładunek na kondensatorze w funkcji czasu podczas ładowania; (b) natężenie prądu płynącego przez opornik w funkcji czasu; (c) napięcie na kondensatorze; (d) napięcie na oporniku.

Ilustracja 10.39 (c) i Ilustracja 10.39 (d) pokazują napięcie odpowiednio na kondensatorze i na oporniku. Gdy ładunek na kondensatorze wzrasta, to natężenie prądu maleje, tak jak napięcie na oporniku u R t = I 0 R e t τ = ε e t τ u R t = I 0 R e t τ = ε e t τ . Napięcie na kondensatorze wzrasta zgodnie z zależnością: u C t = ε 1 e t τ u C t = ε 1 e t τ .

Rozładowywanie kondensatora

Kiedy przełącznik na Ilustracji 10.39 (a) ustawimy w pozycji B B, obwód odpowiada temu z części (c) i naładowany kondensator może się rozładować przez opornik. Wykres ładunku na kondensatorze w zależności od czasu przedstawia Ilustracja 10.40 (a). Jeśli zastosujemy drugie prawo Kirchhoffa do analizy obwodu w czasie, gdy kondensator się rozładowuje, otrzymamy równanie u R u C = 0 u R u C =0, które można sprowadzić do zależności I R + q C = 0 I R + q C =0. Po zastosowaniu definicji prądu otrzymamy d q d t R = q C d q d t R = q C , co po scałkowaniu da nam równanie na wartość ładunku na kondensatorze w funkcji czasu podczas jego rozładowywania

q t = Q e t τ . q t = Q e t τ .
10.14

Tutaj Q Q jest początkowym ładunkiem na kondensatorze, a τ = R C τ= R C stałą czasową obwodu. Jak pokazaliśmy na wykresie, wartość ładunku maleje wykładniczo od wartości początkowej do zera, gdy czas dąży do nieskończoności.

Zależność natężenia prądu od czasu otrzymamy po scałkowaniu wyrażenia na ładunek

i t = Q R C e t τ . i t = Q R C e t τ .
10.15

Znak minus oznacza, że prąd przepływa w kierunku przeciwnym do kierunku prądu płynącego w czasie ładowania kondensatora. Ilustracja 10.40 (a) i Ilustracja 10.40 (b) przedstawiają wykresy odpowiednio ilości ładunku w funkcji czasu i natężenia prądu w funkcji czasu. Wykresy napięcia na kondensatorze i na oporniku w funkcji czasu przedstawiono w częściach (c) i (d) rysunku. Pamiętajmy, że ilość ładunku, natężenie prądu i wartość napięcia maleją wykładniczo do zera wraz z upływem czasu.

Rysunek przedstawia cztery wykresy rozładowania kondensatora z czasem na osi x. Część a przedstawia ładunek kondensatora na osi y, jego wartość maleje z Q ze znakiem 0 do 0 i jest równa 0.368 Q ze znakiem 0 po 1 τ. Część b pokazuje prąd opornika na osi y, jego wartość rośnie z I ze znakiem 0 do 0 i jest równa 0.368 I ze znakiem 0 po 1 τ. Część c przedstawia napięcie kondensatora na osi y, jego wartość spada z V ze znakiem 0 do 0 i jest równa 0.368 V ze znakiem 0 po 1 τ. Część d przedstawia napięcie opornika na osi y, jego wartość maleje z V ze znakiem 0 do 0 i jest równa 0.368 V ze znakiem 0 po 1 τ.
Ilustracja 10.40 (a) Ładunek na kondensatorze w funkcji czasu w miarę rozładowywania kondensatora; (b) natężenie prądu płynącego przez opornik w funkcji czasu; (c) napięcie na kondensatorze; (d) napięcie na oporniku.

Teraz możemy wyjaśnić, dlaczego lampie błyskowej (ang. flash lamp) aparatu fotograficznego, wspomnianej na początku tego rozdziału, ładowanie zajmuje dużo więcej czasu niż rozładowanie. Opór podczas ładowania jest znacznie większy niż podczas rozładowywania. Wewnętrzny opór źródła napięcia stanowi większość oporu podczas ładowania. W miarę starzenia się źródła napięcia rosnący opór wewnętrzny sprawia, że proces ładowania staje się jeszcze wolniejszy.

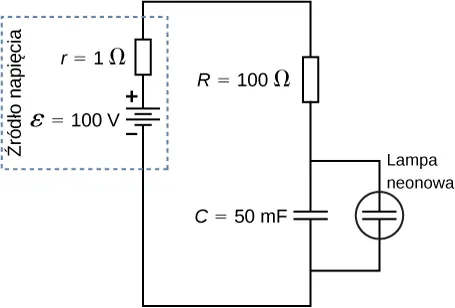
Przykład 10.8

Oscylator relaksacyjny

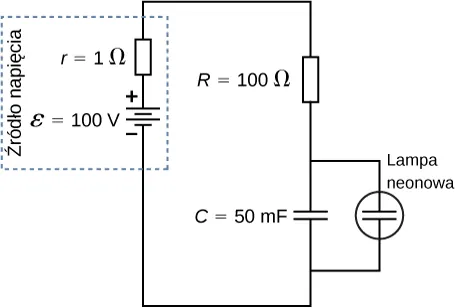
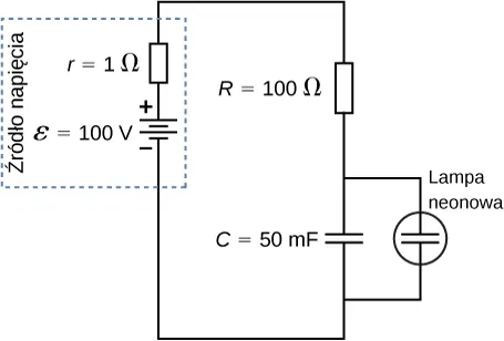
Jednym z zastosowań obwodów RC jest pokazany poniżej oscylator relaksacyjny. Składa się on ze źródła SEM, opornika, kondensatora i lampy neonowej. Lampa neonowa działa jak obwód otwarty (nieskończony opór), dopóki różnica potencjałów na niej nie osiągnie określonego napięcia, wówczas zwiera obwód (opór staje się zerowy), a kondensator rozładowuje się przez lampę neonową, powodując jej świecenie. W pokazanym obwodzie źródło SEM ładuje kondensator, aż napięcie na kondensatorze wyniesie 80 V 80V. Gdy to nastąpi, dochodzi do przebicia w neonie, co umożliwia rozładowanie kondensatora przez lampę, tworzy się jasny błysk. Po całkowitym rozładowaniu się kondensatora poprzez lampę neonową ponownie zaczyna się ładowanie i proces się powtarza. Jaki jest odstęp czasu między błyskami przy założeniu, że czas potrzebny do rozładowania kondensatora jest znikomy? Dodatni zacisk źródła napięcia 100 V i wewnętrzny opór 1 Ω podłączone są do opornika R 100 Ω i kondensatora C 50 mF. Lampa neonowa połączona jest równolegle do kondensatora.

Strategia rozwiązania

Czas pomiędzy rozbłyskami można wyznaczyć z równania u C t = ε 1 e t τ u C t = ε 1 e t τ , gdzie τ = R + r C τ= R + r C .

Rozwiązanie

Błysk w lampie neonowej następuje, gdy napięcie na kondensatorze osiąga 80 ⁢⁢ V 80⁢⁢V. Stała czasowa obwodu równa się τ = R + r C = 101 ⁢⁢ Ω 50 10 3 ⁢⁢ F = 5,05 ⁢⁢ s τ= R + r C = 101 ⁢⁢ Ω 50 10 3 ⁢⁢ F = 5,05 ⁢⁢ s . Możemy więc z równania na napięcie obliczyć czas, po którym napięcie na kondensatorze osiągnie 80 ⁢⁢ V 80⁢⁢V
u C t = ε 1 e t τ , e t τ = 1 u C t ε , ln e t τ = ln 1 u C t ε , t = τ ln 1 u C t ε = 5,05 ⁢⁢ s ln 1 80 V 100 ⁢⁢ V = 8,13 ⁢⁢ s . u C t = ε 1 e t τ , e t τ = 1 u C t ε , ln e t τ = ln 1 u C t ε , t = τ ln 1 u C t ε = 5,05 ⁢⁢ s ln 1 80 V 100 ⁢⁢ V = 8,13 ⁢⁢ s .

Znaczenie

Jednym z zastosowań oscylatora relaksacyjnego jest kontrola sterowania świateł sygnalizacyjnych, które migają z częstotliwością określoną przez wartości R R i C C. W powyższym przykładzie lampa neonowa miga co 8,13 ⁢⁢ s 8,13⁢⁢s, czyli z częstotliwością f = 1 T = 1 8,13 ⁢⁢ s = 0,55 ⁢⁢ Hz f= 1 T = 1 8,13 ⁢⁢ s = 0,55 ⁢⁢ Hz . Oscylator relaksacyjny ma wiele innych praktycznych zastosowań. Często stosuje się go w obwodach elektronicznych, w których lampę neonową zastąpił tranzystor lub urządzenie znane jako dioda tunelowa. Opis tranzystora i diody tunelowej wykracza poza zakres niniejszego rozdziału, ale można je traktować jako sterowane napięciem przełączniki. Zwykle są one otwarte, ale kiedy zastosuje się odpowiednie napięcie, przełącznik się zamyka i zaczyna przewodzić. Przełącznik można zastosować do: włączenia innego obwodu, włączenia świateł czy uruchomienia niewielkiego silniczka. Oscylator relaksacyjny można wykorzystać do obsługi kierunkowskazów w samochodzie lub wywoływania wibracji telefonu komórkowego.

Obwody RC mają wiele zastosowań. Mogą być skutecznie wykorzystywane jako sterowniki: wycieraczek samochodowych, stymulatorów serca czy świateł stroboskopowych. Niektóre modele wycieraczek wykorzystują opornik o zmiennym oporze do sterowania częstotliwością ich pracy. Zwiększenie oporności powoduje wzrost stałej czasowej obwodu RC, co wydłuża czas pomiędzy kolejnymi wychyleniami wycieraczek.

Innym zastosowaniem jest stymulator serca (ang. pacemaker). Tętno jest zwykle kontrolowane za pomocą sygnałów elektrycznych, które powodują skurcze mięśnia sercowego i zmuszają do pompowania krwi. Kiedy bicie serca odbiega od normy (tętno jest zbyt wysokie lub zbyt niskie), stymulator może skorygować nieprawidłowości. Stymulatory mają czujniki, które monitorują ruch ciała i częstość oddechu, aby zwiększyć częstość akcji serca podczas wysiłku fizycznego, zaspokajając zwiększone zapotrzebowanie na krew i tlen. Czasowy obwód RC może być stosowany do kontroli czasu pomiędzy impulsami elektrycznymi wysyłanymi do serca.

Wybiegając naprzód, do opisu obwodów AC (Obwody prądu zmiennego), napięcie przemienne (AC) zmienia się z określoną częstotliwością zgodnie z funkcją sinus. Okresowe zmiany napięcia (sygnału elektrycznego) są często rejestrowane przez naukowców. Te sygnały napięciowe mogą pochodzić z mikrofonu rejestrującego muzykę czy danych atmosferycznych zebranych przez radar. Czasami sygnały te zawierają niepożądane częstotliwości, określane jako „szum”. Filtry RC mogą być wykorzystywane do odfiltrowania niepożądanych częstotliwości.

W elektronice popularne jest urządzenie znane jako „układ czasowy 555” (ang. 555 timer) pozwalające na sterowanie impulsami napięcia w czasie. Czasem pomiędzy impulsami steruje tam obwód RC. Są to tylko niektóre z niezliczonych zastosowań układów RC.

Przykład 10.9

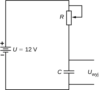
Wycieraczki samochodowe

Oscylator relaksacyjny steruje parą wycieraczek samochodowych. Obwód oscylatora relaksacyjnego składa się z kondensatora o pojemności 10 ⁢⁢ mF 10⁢⁢mF oraz opornika o zmiennym oporze nazywanego potencjometrem (oporowym). Pokrętło podłączone do regulowanego opornika umożliwia zmiany oporu między 0 ⁢⁢ Ω 0⁢⁢Ω a 10 ⁢⁢ 10⁢⁢. Przełącznik sterowany napięciem podłączony jest do kondensatora. Przełącznik normalnie jest otwarty, ale gdy napięcie osiągnie 10 ⁢⁢ V 10⁢⁢V, zamyka się, zasilając silnik elektryczny i umożliwiając rozładowanie kondensatora. Silnik powoduje jednokrotne wychylenie (zadziałanie) wycieraczek, po czym kondensator zaczyna ponownie się ładować. Jaka wartość oporu powinna być ustawiona na potencjometrze, aby pióra wycieraczek wycierały szybę co 10 ⁢⁢ s 10⁢⁢s? Dodatni zacisk źródła napięcia V dla 12 V jest połączony do zmiennego opornika R i kondensatora C. V ze znakiem out jest miarą całego C.

Strategia rozwiązania

Opór można wyznaczyć z równania u wyj t = U 1 e t τ u wyj t = U 1 e t τ , gdzie τ = R C τ= R C . Pojemność kondensatora, napięcie wyjściowe i napięcie źródła są dane.

Rozwiązanie

Napięcie wyjściowe (na kondensatorze) osiągnie 10 ⁢⁢ V 10⁢⁢V, a różnica potencjałów między biegunami źródła wynosi 12 ⁢⁢ V 12⁢⁢V. Pojemność kondensatora to 10 ⁢⁢ mF 10⁢⁢mF. Obliczmy wartość oporu
u wyj t = U 1 e t τ , e t R C = 1 u wyj t U , ln e t R C = ln 1 u wyj t U , t R C = ln 1 u wyj t U , R = t C ln 1 u wyj t U = 10 s 10 10 -3 F ln 1 10 V 12 V = 558,11 Ω . u wyj t = U 1 e t τ , e t R C = 1 u wyj t U , ln e t R C = ln 1 u wyj t U , t R C = ln 1 u wyj t U , R = t C ln 1 u wyj t U = 10 s 10 10 -3 F ln 1 10 V 12 V = 558,11 Ω . \begin{align} u_{\text{wyj}} \apply (t) &= U (1 - e^{-t/\tau}) \text{,} \\ e^{-t/(RC)} &= 1 - \frac{u_{\text{wyj}}\apply (t)}{U} \text{,} \\ \ln (e^{-t/(RC)}) &= \ln[1 - \frac{u_{\text{wyj}}\apply (t)}{U}] \text{,} \\ - \frac{t}{RC} &= \ln[1 - \frac{u_{\text{wyj}}\apply (t)}{U}] \text{,} \\ R &= \frac{-t}{C \ln[1-u_{\text{wyj}}\apply (t) / U]} = \frac{-\SI{10}{\second}}{\SI{10e-3}{\farad} \cdot \ln[1-\SI{10}{\volt}/\SI{12}{\volt}]} = \SI{558,11}{\ohm} \text{.} \end{align}

Znaczenie

Wzrost oporności zwiększa opóźnienie pomiędzy kolejnymi wychyleniami wycieraczek. Jeżeli opór wynosi zero, wówczas wycieraczki pracują w sposób ciągły. Przy maksymalnym oporze okres pomiędzy kolejnymi wychyleniami wycieraczek wynosi
t = R C ln 1 u wyj t U = 10 10 3 Ω 10 10 -3 F ln 1 10 V 12 V t = R C ln 1 u wyj t U = 179,18 s = 2,98 min . t = R C ln 1 u wyj t U = 10 10 3 Ω 10 10 -3 F ln 1 10 V 12 V t = R C ln 1 u wyj t U = 179,18 s = 2,98 min . \begin{multiline} t &= -RC \ln(1- \frac{u_{\text{wyj}} \apply (t)}{U}) = -\SI{10e3}{\ohm} \cdot \SI{10e-3}{\farad} \cdot \ln(1-\frac{\SI{10}{\volt}}{\SI{12}{\volt}}) \\ &= \SI{179,18}{\second} = \SI{2,98}{\minute} \text{.} \end{multiline} t = R C ln 1 u wyj t U = 10 10 3 Ω 10 10 -3 F ln 1 10 V 12 V = 179,18 s = 2,98 min .

Obwód RC ma tysiące zastosowań. Może być stosowany nie tylko w układach czasowych, ale także do filtrowania niechcianych częstotliwości w obwodzie. Ma także zastosowanie w zasilaczach, na przykład komputerowych, gdzie pozwala zamienić napięcie przemienne (AC) w stałe (DC).

Cytowanie i udostępnianie

Ten podręcznik nie może być wykorzystywany do trenowania sztucznej inteligencji ani do przetwarzania przez systemy sztucznej inteligencji bez zgody OpenStax lub OpenStax Poland.

Chcesz zacytować, udostępnić albo zmodyfikować treść tej książki? Została ona wydana na licencji Uznanie autorstwa (CC BY) , która wymaga od Ciebie uznania autorstwa OpenStax.

Cytowanie i udostępnienia
  • Jeśli rozpowszechniasz tę książkę w formie drukowanej, umieść na każdej jej kartce informację:
    Treści dostępne za darmo na https://openstax.org/books/fizyka-dla-szk%C3%B3%C5%82-wy%C5%BCszych-tom-2/pages/1-wstep
  • Jeśli rozpowszechniasz całą książkę lub jej fragment w formacie cyfrowym, na każdym widoku strony umieść informację:
    Treści dostępne za darmo na https://openstax.org/books/fizyka-dla-szk%C3%B3%C5%82-wy%C5%BCszych-tom-2/pages/1-wstep
Cytowanie

© 21 wrz 2022 OpenStax. Treść książki została wytworzona przez OpenStax na licencji Uznanie autorstwa (CC BY) . Nazwa OpenStax, logo OpenStax, okładki OpenStax, nazwa OpenStax CNX oraz OpenStax CNX logo nie podlegają licencji Creative Commons i wykorzystanie ich jest dozwolone wyłącznie na mocy uprzedniego pisemnego upoważnienia przez Rice University.