Omitir e ir al contenidoIr a la página de accesibilidadMenú de atajos de teclado
Logo de OpenStax
Buscar términos clave o texto.

Problemas

14.1 Inductancia mutua

28.

Cuando la corriente en una bobina cambia a una velocidad de 5,6 A/s, se produce una emf de 6,3×10−3V6,3×10−3V en una segunda bobina cercana. ¿Cuál es la inductancia mutua de las dos bobinas?

29.

Una emf de 9,7×10−3V9,7×10−3V se induce en una bobina mientras la corriente en una bobina cercana disminuye a una velocidad de 2,7 A/s. ¿Cuál es la inductancia mutua de las dos bobinas?

30.

Dos bobinas cercanas entre sí tienen una inductancia mutua de 32 mH. Si la corriente en una bobina decae según I=I0eαtI=I0eαt, donde I0=5,0AI0=5,0A y α=2,0×103s−1,α=2,0×103s−1, ¿cuál es la emf inducida en la segunda bobina inmediatamente después de que la corriente empieza a decaer? En t=1,0×10−3s?t=1,0×10−3s?

31.

Una bobina de 40 vueltas se enrolla alrededor de un solenoide largo de sección transversal 7,5×10−3m2.7,5×10−3m2. El solenoide tiene una longitud de 0,50 m y 500 vueltas. (a) ¿Cuál es la inductancia mutua de este sistema? (b) Se sustituye la bobina exterior por una bobina de 40 vueltas cuyo radio es tres veces el del solenoide. ¿Cuál es la inductancia mutua de esta configuración?

32.

Un solenoide de 600 vueltas tiene 0,55 m de longitud y 4,2 cm de diámetro. Dentro del solenoide, una pequeña (1,1cm×1,4cm),(1,1cm×1,4cm), bobina rectangular de una vuelta se fija en su lugar con su cara perpendicular al eje largo del solenoide. ¿Cuál es la inductancia mutua de este sistema?

33.

Una bobina toroidal tiene un radio medio de 16 cm y una sección transversal de 0,25cm20,25cm2; se enrolla uniformemente con 1.000 vueltas. Una segunda bobina toroidal de 750 vueltas se enrolla uniformemente sobre la primera bobina. Ignorando la variación del campo magnético dentro de un toroide, determine la inductancia mutua de las dos bobinas.

34.

Un solenoide de N1N1 vueltas tiene longitud l1l1 y el radio R1,R1, y un segundo solenoide más pequeño de N2N2 vueltas tiene longitud l2l2 y el radio R2R2. El solenoide más pequeño se coloca completamente dentro del solenoide más grande de manera que sus ejes largos coincidan. ¿Cuál es la inductancia mutua de los dos solenoides?

14.2 Autoinducción e inductores

35.

Se induce una emf de 0,40 V a través de una bobina cuando la corriente que la atraviesa cambia uniformemente de 0,10 a 0,60 A en 0,30 s. ¿Cuál es la autoinducción de la bobina?

36.

La corriente mostrada en la parte (a) es creciente, mientras que la mostrada en la parte (b) es decreciente. En cada caso, determina qué extremo del inductor está a mayor potencial.

La figura a muestra la corriente que circula por una bobina de izquierda a derecha. La figura b muestra la corriente que circula por una bobina de derecha a izquierda.
37.

¿Cuál es la velocidad a la que cambia la corriente a través de una bobina de 0,30 H si se induce una emf de 0,12 V a través de la bobina?

38.

Cuando una cámara utiliza un destello, un condensador completamente cargado se descarga a través de un inductor. ¿En qué tiempo debe conectarse o desconectarse la corriente de 0,100 A a través de un inductor de 2,00 mH para inducir una emf de 500 V?

39.

Una bobina con una autoinducción de 2,0 H transporta una corriente que varía con el tiempo según I(t)=(2,0A)sen120πt.I(t)=(2,0A)sen120πt. Calcule una expresión para la emf inducida en la bobina.

40.

Un solenoide de 50 cm de longitud se enrolla con 500 vueltas de alambre. El área de la sección transversal de la bobina es 2,0cm22,0cm2 ¿Cuál es la autoinducción del solenoide?

41.

Una bobina con una autoinducción de 3,0 H transporta una corriente que disminuye a un ritmo uniforme dI/dt=−0,050A/sdI/dt=−0,050A/s. ¿Cuál es la emf inducida en la bobina? Describa la polaridad de la emf inducida.

42.

La corriente I(t) a través de un inductor de 5,0 mH varía con el tiempo, como se muestra a continuación. La resistencia del inductor es 5,0Ω.5,0Ω. Calcule el voltaje a través del inductor en t=2,0ms,t=4,0ms,yt=8,0mst=2,0ms,t=4,0ms,yt=8,0ms.

El gráfico de la corriente en amperios versus el tiempo en milisegundos. La corriente parte de 0 a los 0 milisegundos, aumenta con el tiempo y alcanza algo más de 6 amperios a los 3 milisegundos aproximadamente. Disminuye bruscamente hasta unos 6 milisegundos, y luego disminuye a un ritmo algo más lento hasta llegar a 0 a los 12 milisegundos.
43.

Un solenoide largo y cilíndrico con 100 vueltas por centímetro tiene un radio de 1,5 cm. (a) Sin tener en cuenta los efectos de los extremos, ¿cuál es la autoinducción por unidad de longitud del solenoide? (b) Si la corriente que pasa por el solenoide cambia a una velocidad de 5,0 A/s, ¿cuál es la emf inducida por unidad de longitud?

44.

Supongamos que un toroide rectangular tiene 2.000 bobinados y una autoinducción de 0,040 H. Si h=0,10mh=0,10m, ¿cuál es la relación entre su radio exterior y su radio interior?

La figura muestra la sección transversal de un toroide. El radio interior del anillo es R1 y el radio exterior es R2. La altura de la sección transversal rectangular es h. Una pequeña sección de espesor dr se encuentra en el centro de la sección transversal rectangular. Esto está a una distancia r del centro del anillo. El área dentro de la sección transversal rectangular con el grosor dr y la altura h está resaltada y marcada como da. Se muestran las líneas de campo y la corriente i que circula por el toroide.
45.

¿Cuál es la autoinducción por metro de un cable coaxial cuyo radio interior es de 0,50 mm y cuyo radio exterior es de 4,00 mm?

14.3 Energía en un campo magnético

46.

En el instante en que una corriente de 0,20 A fluye por una bobina de alambre, la energía almacenada en su campo magnético es 6,0×10−3J.6,0×10−3J. ¿Cuál es la autoinducción de la bobina?

47.

Supongamos que un toroide rectangular tiene 2.000 bobinados y una autoinducción de 0,040 H. Si h=0,10mh=0,10m, cuál es la corriente que circula por un toroide rectangular cuando la energía de su campo magnético es 2,0×10−6J?2,0×10−6J?

48.

El solenoide A está enrollado de forma ajustada, mientras que el solenoide B tiene bobinas espaciadas uniformemente con una separación igual al diámetro del cable. Por lo demás, los solenoides son idénticos. Determine la relación de las energías almacenadas por unidad de longitud de estos solenoides cuando la misma corriente fluye a través de cada uno.

49.

Un inductor de 10 H transporta una corriente de 20 A. ¿Cuánto hielo a 0°C0°C podría fundirse por la energía almacenada en el campo magnético del inductor? (Pista: Utilice el valor Lf=334J/gLf=334J/g para el hielo)

50.

Una bobina con una autoinducción de 3,0 H y una resistencia de 100Ω100Ω conduce una corriente constante de 2,0 A. (a) ¿Cuál es la energía almacenada en el campo magnético de la bobina? (b) ¿Cuál es la energía por segundo disipada en la resistencia de la bobina?

51.

En un cable coaxial cuyo radio exterior es cinco veces su radio interior circula una corriente de 1,2 A. ¿Cuál es la energía del campo magnético almacenada en una longitud de 3,0 m del cable?

14.4 Circuitos RL

52.

En la Figura 14.12, ε=12Vε=12V, L=20mHL=20mH, y R=5,0ΩR=5,0Ω. Determine (a) la constante de tiempo del circuito, (b) la corriente inicial en el resistor, (c) la corriente final en el resistor, (d) la corriente en el resistor cuando t=2τL,t=2τL, y (e) los voltajes en el inductor y el resistor cuando t=2τL.t=2τL.

53.

Para el circuito que se muestra a continuación, ε=20Vε=20V, L=4,0mH,L=4,0mH, y R=5,0ΩR=5,0Ω. Una vez alcanzado el estado estacionario con el S1S1 cerrado y el S2S2 abierto, el S2S2 está cerrado e inmediatamente después (ent=0)(ent=0) S1S1 está abierto. Determine (a) la corriente que pasa por L en t=0t=0, (b) la corriente que atraviesa L en t=4,0×10−4st=4,0×10−4s, y (c) los voltajes en L y R1R1 en t=4,0×10−4st=4,0×10−4s R1=R2=RR1=R2=R.

La figura muestra un circuito con R y L conectados en serie con la batería épsilon a través del interruptor cerrado S. L está conectado en paralelo con otro resistor R a través del interruptor abierto S2.
54.

La corriente en el circuito RL que se muestra aquí aumenta a 40%40% de su valor en estado estacionario en 2,0 s. ¿Cuál es la constante de tiempo del circuito?

La figura a muestra un resistor R y un inductor L conectados en serie con dos interruptores que están en paralelo. Ambos interruptores están actualmente abiertos. El interruptor de cierre S1 conectaría R y L en serie con una batería, cuyo terminal positivo está hacia L. El interruptor de cierre S2 formaría un bucle cerrado de R y L, sin la batería. La figura b muestra un circuito cerrado con R, L y la batería en serie. El lado de L hacia la batería, está en potencial positivo. La corriente circula desde el extremo positivo de L, a través de él, hasta el extremo negativo. La figura c muestra a R y L conectados en serie. El potencial en L se invierte, pero la corriente fluye en la misma dirección que en la figura b.
55.

Cuánto tiempo tarda la corriente, después de activar el interruptor S1S1 en el circuito mostrado, en alcanzar la mitad de su valor máximo? Exprese su respuesta en términos de la constante de tiempo del circuito.

La figura muestra un circuito con R y L en serie con una batería épsilon y un interruptor S1 que está abierto.
56.

Examine el circuito mostrado en la parte (a). Determine dI/dt en el instante posterior a la activación del interruptor en el circuito de (a), produciendo así el circuito de (b). Demuestre que si l siguiera aumentando a esta tasa inicial, alcanzaría su máximo ε/Rε/R en una constante de tiempo.

La figura a muestra un circuito con R y L en serie con una batería, épsilon y un interruptor S1 que está abierto. La figura b muestra un circuito con R y L en serie con una batería, épsilon. El extremo de L que está conectado al terminal positivo de la batería está a potencial positivo. La corriente fluye a través de L desde el extremo positivo al negativo.
57.

La corriente en el circuito RL que se muestra a continuación alcanza la mitad de su valor máximo en 1,75 ms después del interruptor S1S1 se cierra. Determine (a) la constante de tiempo del circuito y (b) la resistencia del circuito si L=250mHL=250mH.

La figura muestra un circuito con R y L en serie con una batería épsilon y un interruptor S1 que está abierto.
58.

Considere el circuito que se muestra a continuación. Calcule I1,I2,yI3I1,I2,yI3 cuando (a) el interruptor S se cierra por primera vez, (b) después de que las corrientes hayan alcanzado los valores de estado estacionario, y (c) en el instante en que el interruptor se vuelve a abrir (después de estar cerrado durante mucho tiempo).

La figura muestra un circuito con R1 y L conectados en serie con una batería épsilon y un interruptor cerrado S. R2 está conectado en paralelo con L. Las corrientes que pasan por R1, L y R2 son I1, I2 e I3 respectivamente.
59.

Para el circuito que se muestra a continuación, ε=50Vε=50V, R1=10Ω,R1=10Ω,, R2=R3=19,4 Ω,R2=R3=19,4 Ω,, y L=2,0mHL=2,0mH. Calcule los valores de I1yI2I1yI2 (a) inmediatamente después de que se cierre el interruptor S, (b) mucho tiempo después de que se cierre el S, (c) inmediatamente después de que se vuelva a abrir el S, y (d) mucho tiempo después de que se vuelva a abrir el S.

La figura muestra un circuito con R1 y R2 conectados en serie con una batería épsilon y un interruptor cerrado S. R2 está conectado en paralelo con L y R3. Las corrientes que pasan por R1 y R2 son I1 e I2 respectivamente.
60.

Para el circuito que se muestra a continuación, calcule la corriente que pasa por el inductor 2,0×10−5s2,0×10−5s después de reabrir el interruptor.

La figura muestra un circuito con R1 y R2 conectados en serie con una batería épsilon y un interruptor cerrado S. R2 está conectado en paralelo con L y R3. Las corrientes que pasan por R1 y R2 son I1 e I2 respectivamente.
61.

Demuestre que para el circuito mostrado a continuación, la energía inicial almacenada en el inductor, LI2(0)/2LI2(0)/2, es igual a la energía total que finalmente se disipa en el resistor, 0I2(t)Rdt0I2(t)Rdt.

La figura a muestra un resistor R y un inductor L conectados en serie con dos interruptores que están en paralelo. Ambos interruptores están actualmente abiertos. El interruptor de cierre S1 conectaría R y L en serie con una batería, cuyo terminal positivo está hacia L. El interruptor de cierre S2 formaría un bucle cerrado de R y L, sin la batería. La figura b muestra un circuito cerrado con R, L y la batería en serie. El lado de L hacia la batería, está en potencial positivo. La corriente circula desde el extremo positivo de L, a través de él, hasta el extremo negativo. La figura c muestra a R y L conectados en serie. El potencial en L se invierte, pero la corriente fluye en la misma dirección que en la figura b.

14.5 Oscilaciones en un circuito LC

62.

Un condensador de 5.000 pF se carga a 100 V y se conecta rápidamente a un inductor de 80 mH. Determine (a) la energía máxima almacenada en el campo magnético del inductor, (b) el valor pico de la corriente y (c) la frecuencia de oscilación del circuito.

63.

La autoinducción y la capacitancia de un circuito LC son 0,20 mH y 5,0 pF. ¿Cuál es la frecuencia angular a la que oscila el circuito?

64.

¿Cuál es la autoinducción de un circuito LC que oscila a 60 Hz cuando la capacitancia es 10μF10μF?

65.

En un circuito LC oscilante, la carga máxima del condensador es 2,0×10−6C2,0×10−6C y la corriente máxima a través del inductor es de 8,0 mA. (a) ¿Cuál es el periodo de las oscilaciones? (b) ¿Cuánto tiempo transcurre entre un instante en el que el condensador está sin cargar y el siguiente instante en el que está totalmente cargado?

66.

La autoinducción y la capacitancia de un circuito LC oscilante son L=20mH yC=1,0μF,L=20mH yC=1,0μF, respectivamente. (a) ¿Cuál es la frecuencia de las oscilaciones? (b) Si la diferencia de potencial máxima entre las placas del condensador es de 50 V, ¿cuál es la corriente máxima en el circuito?

67.

En un circuito LC oscilante, la carga máxima del condensador es qmqm. Determine la carga del condensador y la corriente que pasa por el inductor cuando la energía se reparte por igual entre los campos eléctrico y magnético. Exprese su respuesta en términos de qmqm, L, y C.

68.

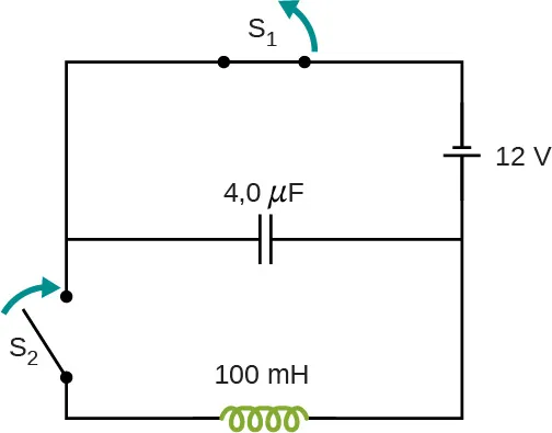
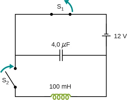
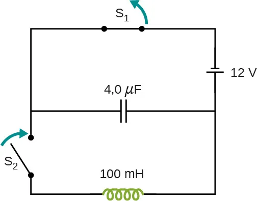
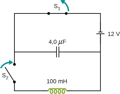
En el circuito que se muestra a continuación, S1S1 se abre y S2S2 se cierra simultáneamente. Determine (a) la frecuencia de las oscilaciones resultantes, (b) la carga máxima en el condensador, (c) la corriente máxima a través del inductor, y (d) la energía electromagnética del circuito oscilante.

Una batería de 12 voltios está conectada a un condensador de 4 microfaradios y a un inductor de 100 milihenrios, ambos conectados en paralelo. Hay dos interruptores en el circuito. El interruptor S1 está cerrado. Si es abierto, entonces el circuito se abrirá por completo. El interruptor S2 está abierto y, por tanto, el inductor está desconectado.
69.

Un circuito LC en un sintonizador de AM (en un estéreo de automóvil) utiliza una bobina con una inductancia de 2,5 mH y un condensador variable. Si la frecuencia natural del circuito debe ser ajustable en el rango de 540 a 1.600 kHz (la banda de emisión de AM), ¿qué rango de capacitancia se requiere?

14.6 Circuitos RLC en serie

70.

En un circuito RLC oscilante, R=5,0Ω,L=5,0mH,yC=500μF.R=5,0Ω,L=5,0mH,yC=500μF. ¿Cuál es la frecuencia angular de las oscilaciones?

71.

En un circuito RLC oscilante con L=10mH,C=1,5µF,yR=2,0Ω,L=10mH,C=1,5µF,yR=2,0Ω, ¿cuánto tiempo transcurre antes de que la amplitud de las oscilaciones caiga a la mitad de su valor inicial?

72.

¿Qué resistencia R debe conectarse en serie con un inductor de 200 mH y un condensador de 10μF10μF para que el circuito RLC oscilante resultante, pueda disminuir al 50%50% de su valor inicial de carga en 50 ciclos? A 0,10%0,10% de su valor inicial en 50 ciclos?

Cita/Atribución

Este libro no puede ser utilizado en la formación de grandes modelos de lenguaje ni incorporado de otra manera en grandes modelos de lenguaje u ofertas de IA generativa sin el permiso de OpenStax.

¿Desea citar, compartir o modificar este libro? Este libro utiliza la Creative Commons Attribution License y debe atribuir a OpenStax.

Información de atribución
  • Si redistribuye todo o parte de este libro en formato impreso, debe incluir en cada página física la siguiente atribución:
    Acceso gratis en https://openstax.org/books/f%C3%ADsica-universitaria-volumen-2/pages/1-introduccion
  • Si redistribuye todo o parte de este libro en formato digital, debe incluir en cada vista de la página digital la siguiente atribución:
    Acceso gratuito en https://openstax.org/books/f%C3%ADsica-universitaria-volumen-2/pages/1-introduccion
Información sobre citas

© 13 abr. 2022 OpenStax. El contenido de los libros de texto que produce OpenStax tiene una licencia de Creative Commons Attribution License . El nombre de OpenStax, el logotipo de OpenStax, las portadas de libros de OpenStax, el nombre de OpenStax CNX y el logotipo de OpenStax CNX no están sujetos a la licencia de Creative Commons y no se pueden reproducir sin el previo y expreso consentimiento por escrito de Rice University.