Przejdź do treściPrzejdź do informacji o dostępnościMenu skrótów klawiszowych
Logo OpenStax
Wyszukaj kluczowe pojęcia lub tekst.

Zadania

8.1 Kondensatory i pojemność elektryczna

19.

Jaki ładunek zgromadzi się na okładkach kondensatora o pojemności 180µF180µF po przyłożeniu napięcia 120V120V?

20.

Jaki ładunek zgromadzi się na okładkach kondensatora o pojemności 8pF8pF po przyłożeniu napięcia 5,5V5,5V?

21.

Oblicz napięcie przyłożone do kondensatora o pojemności 2µF2µF, na którego okładkach zgromadził się ładunek 3,1C3,1C.

22.

Jakie napięcie należy przyłożyć do kondensatora o pojemności 8nF8nF, aby na okładkach zgromadził się ładunek 0,16mC0,16mC?

23.

Jaką pojemność elektryczną musi mieć kondensator, aby przy napięciu 120V120V na jego okładkach zgromadził się ładunek 3µC3µC?

24.

Jaka jest pojemność elektryczna czaszy generatora Van de Graaffa, jeśli gromadzi się na niej ładunek 9mC9mC przy napięciu 12MV12MV?

25.

Okładki pustego kondensatora płaskiego o pojemności 5pF5pF znajdują się w odległości 2mm2mm od siebie. Jaka jest powierzchnia każdej z nich?

26.

Okładki kondensatora próżniowego o pojemności 60pF60pF mają powierzchnię 0,01m20,01m2. Ile wynosi odległość między nimi?

27.

Układ równoległych płytek przewodzących ma pojemność elektryczną 5µF5µF. Jaki ładunek należy do nich dodać, aby różnica potencjałów między nimi wzrosła o 100V100V?

28.

Oblicz pojemność elektryczną Ziemi, zakładając, że jest ona przewodzącą kulą o promieniu 6400km6400km.

29.

Pojemność elektryczna kondensatora walcowego na jednostkę długości wynosi 20pFm20pFm. Oblicz, jaki jest stosunek promieni cylindrycznych okładek.

30.

Próżniowy kondensator płaski ma pojemność 20µF20µF. Jaki ładunek musi uciec z jego okładek, aby napięcie pomiędzy nimi zmniejszyło się o 100V100V?

8.2 Łączenie szeregowe i równoległe kondensatorów

31.

Kondensator o pojemności 4pF4pF połączono szeregowo z kondensatorem o pojemności 8pF8pF, a następnie do ich układu przyłożono napięcie 400V400V.

  1. Jaki ładunek zgromadzi się na każdym z kondensatorów?
  2. Jakie jest napięcie na każdym z kondensatorów?
32.

Trzy kondensatory o pojemnościach C1=2µFC1=2µF, C2=3µFC2=3µF i C3=6µFC3=6µF połączono równolegle. Następnie do układu przyłożono napięcie 500V500V. Oblicz napięcie oraz ładunek na każdym z kondensatorów.

33.

Oblicz całkowitą pojemność układu kondensatorów przedstawionego poniżej.

Rysunek przedstawia podukład równolegle połączonych kondensatorów o pojemnościach 10 mikrofaradów i 2,5 mikrofarada połączony szeregowo z kondensatorem o pojemności 0,3 mikrofarada.
34.

Potrzebujesz układu kondensatorów o pojemności 0,75F0,75F, ale masz jedynie kondensatory o pojemności 1,5mF1,5mF. Co najmniej ilu kondensatorów należy użyć, żeby osiągnąć pożądaną pojemność i jak należy je połączyć?

35.

Jakie pojemności zastępcze można uzyskać z połączenia kondensatora o pojemności 5µF5µF z kondensatorem o pojemności 8µF8µF?

36.

Oblicz pojemność zastępczą układu kondensatorów przedstawionego poniżej.

Rysunek przedstawia parę połączonych szeregowo kondensatorów o pojemnościach 0,3 mikrofarada i 10 mikrofaradów, które połączono równolegle z kondensatorem o pojemności 2,5 mikrofarada.
37.

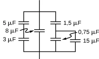
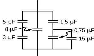
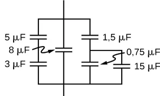
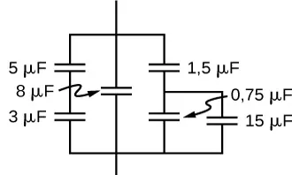
Oblicz pojemność zastępczą układu kondensatorów przedstawionego poniżej.

Rysunek przedstawia układ trzech równolegle połączonych gałęzi z kondensatorami. Na pierwszej gałęzi znajdują się dwa kondensatory połączone równolegle o pojemnościach 5 mikrofaradów i 3,5 mikrofarada. Na drugiej gałęzi znajduje się jeden kondensator o pojemności 8 mikrofaradów. Trzecia gałąź składa się z kondensatora o pojemności 1,5 mikrofarada połączonego szeregowo z parą kondensatorów o pojemnościach 0,75 mikrofarada i 15 mikrofaradów połączonych równolegle.
38.

Kondensator o pojemności 40pF40pF naładowano tak, że napięcie na nim wynosiło 500V500V. Następnie jego okładki połączono z okładkami nienaładowanego kondensatora o pojemności 10pF10pF. Oblicz

  1. początkowy ładunek na kondensatorze o pojemności 40pF40pF;
  2. ładunek na każdym z kondensatorów po połączeniu;
  3. różnicę potencjałów na każdym z kondensatorów po połączeniu.
39.

Kondensator o pojemności 2µF2µF połączono szeregowo z kondensatorem o pojemności 4µF4µF i do układu przyłożono napięcie 1kV1kV. Następnie naładowane kondensatory odłączono od źródła prądu i połączono ze sobą okładkami o jednakowych znakach. Oblicz końcowe napięcie i ładunek na każdym z kondensatorów.

8.3 Energia zgromadzona w kondensatorze

40.

Jaka energia zgromadzi się w kondensatorze o pojemności 8 µF 8µF, jeśli różnica potencjałów między jego okładkami wynosi 6 V 6V?

41.

Kondensator o ładunku 2,5 µC 2,5µC podłączono do akumulatora o napięciu 6 V 6V. Jaka energia zgromadzi się między okładkami?

42.

Jaka energia gromadzi się w polu elektrycznym metalowej kuli o promieniu 2 m 2m, utrzymywanej w potencjale 10 V 10V?

43.
  1. Jaka energia zgromadzi się w kondensatorze o pojemności 10 µF 10µF w defibrylatorze, jeśli napięcie na jego okładkach wynosi 9 10 3 V 9 10 3 V?
  2. Oblicz ładunek na okładkach kondensatora.
44.

Podczas operacji na otwartym sercu do defibrylacji wystarczy znacznie mniejsza energia, niż obliczona w poprzednim zadaniu.

  1. Jakie napięcie przyłożone jest w defibrylatorze do kondensatora o pojemności 8 µF 8µF, w którym zgromadzono energię 40 J 40J?
  2. Oblicz ładunek na okładkach kondensatora.
45.

Kondensator o pojemności 165 µF 165µF połączono ze źródłem prądu stałego. Jaka energia zgromadzi się w kondensatorze, jeśli do układu przyłożone zostanie napięcie 119 V 119V?

46.

Dane są: akumulator 9 V 9V oraz kondensatory o pojemnościach 2 µF 2µF i 7,4 µF 7,4µF.

  1. Oblicz ładunek i energię zgromadzone w układzie, jeśli kondensatory połączone są z akumulatorem szeregowo;
  2. Oblicz to samo dla kondensatorów połączonych równolegle.
47.

Pewien fizyk niepokoi się, że między dwiema metalowymi półkami regału na książki o drewnianym szkielecie może wytworzyć się wysokie napięcie, jeśli na półkach, na przykład w wyniku tarcia, zgromadzą się ładunki elektrostatyczne.

  1. Jaka jest pojemność elektryczna pustych półek, jeśli mają one powierzchnię 10 2 m 2 10 2 m 2 i znajdują się w odległości 0,2 m 0,2m od siebie?
  2. Jakie napięcie wytworzy się między nimi, jeśli zgromadzi się na nich ładunek 2 nC 2nC o przeciwnych znakach?
  3. Aby udowodnić, że napięcie to nie jest niebezpieczne, oblicz energię zgromadzoną między półkami;
  4. W rzeczywistości półki mają 100 razy mniejszą powierzchnię niż rozważane, hipotetyczne półki. Czy fizyk ma powody do niepokoju?
48.

Kondensator płaski składa się z dwóch kwadratowych okładek o boku 25 cm 25cm ustawionych równolegle w odległości 1 mm 1mm od siebie. Przyłożono do niego napięcie 50 V 50V. Bez odłączania napięcia okładki rozsunięto na odległość 2 mm 2mm. Jaka energia zgromadzi się w kondensatorze przed rozsunięciem okładek i po nim? Dlaczego energia maleje, skoro przy rozsuwaniu okładek została wykonana praca?

49.

Niech pojemność elektryczna kondensatora zmiennego będzie regulowana ręcznie w zakresie od 100 pF 100pF do 800 pF 800pF za pomocą pokrętła obracanego od 0 ° 0° do 180 ° 180°. Do kondensatora ustawionego na 180 ° 180° (co odpowiada pojemności 800 pF 800pF) przyłożono napięcie 500 V 500V. Po naładowaniu kondensator odłączono od źródła prądu, a następnie pokrętło obrócono na 0 ° 0°. Jeśli tarcie pokrętła jest pomijalnie małe, to ile pracy wymaga obrócenie go z pozycji 180 ° 180° do pozycji 0 ° 0°?

8.4 Kondensator z dielektrykiem

50.

Udowodnij, że dla danego dielektryka maksymalna energia, jaka może się zgromadzić w kondensatorze płaskim, jest wprost proporcjonalna do objętości dielektryka.

51.

Kondensator wypełniony próżnią wykonano z dwóch równoległych okładek oddalonych o 1mm1mm od siebie. Powierzchnia wewnętrzna każdej z nich wynosi 8cm28cm2.

  1. Jaka jest pojemność elektryczna takiego kondensatora?
  2. Jaka będzie pojemność elektryczna, jeśli przestrzeń między okładkami zostanie wypełniona dielektrykiem o względnej przenikalności elektrycznej równej 6?
52.

Kondensator wykonano z dwóch koncentrycznych sfer, z których jedna ma promień 5cm5cm, a druga 8cm8cm.

  1. Jaka jest pojemność elektryczna takiego układu przewodników?
  2. Jaka byłaby pojemność elektryczna, gdyby przestrzeń pomiędzy okładkami wypełniona została dielektrykiem o względnej przenikalności elektrycznej równej 6?
53.

Kondensator płaski ma ładunek 9µC9µC i pojemność elektryczną 3µF3µF, kiedy wypełniony jest tylko powietrzem. Odległość między okładkami wynosi 2mm2mm. Zachowując stały ładunek na okładkach, do kondensatora wsunięto dielektryk o względnej przenikalności elektrycznej εr=5εr=5 w taki sposób, że wypełnił on całą przestrzeń pomiędzy okładkami. Załóż, że przenikalność elektryczna powietrza jest równa przenikalności elektrycznej próżni.

  1. Ile wynosi początkowa, a ile końcowa różnica potencjałów między okładkami kondensatora?
  2. Jakie pole elektryczne panuje w punkcie położonym wewnątrz kondensatora przed wsunięciem dielektryka i po jego wsunięciu?
54.

Wewnętrzną powierzchnię niektórych błon komórkowych w organizmie człowieka pokrywa warstwa ładunków ujemnych. Niech gęstość powierzchniowa ładunku na zewnętrznej i wewnętrznej powierzchni błony komórkowej wynosi ±0,510-3Cm2±0,510-3Cm2 \text{}\pm \SI{0,5e-3}{\coulomb\per\metre\squared}, grubość błony komórkowej 5109m5109m, a względna przenikalność elektryczna błony komórkowej εr=5,4εr=5,4.

  1. Oblicz natężenie pola elektrycznego w ścianie komórkowej pomiędzy warstwami ładunku;
  2. Oblicz różnicę potencjałów po obu stronach błony. Po której stronie potencjał jest wyższy?
  3. Objętość typowej komórki w organizmie człowieka wynosi 1016m31016m3. Oszacuj całkowitą energię zgromadzoną w polu elektrycznym w komórce tej wielkości, zakładając, że komórka ma kształt kuli. (Wskazówka: Oblicz objętość ściany komórkowej).
55.

Kondensator płaski z powietrzem między okładkami podłączono do akumulatora i naładowano. Następnie akumulator odłączono, a cały zgromadzony ładunek pozostał na okładkach.

  1. Pomiar woltomierzem wskazuje, że napięcie na kondensatorze wynosi 45V45V. Po wsunięciu dielektryka w taki sposób, aby wypełniał on całą przestrzeń między okładkami, odczyt na woltomierzu spadł do 11,5V11,5V. Jaka jest względna przenikalność elektryczna dielektryka? Załóż, że przenikalność elektryczna powietrza jest równa przenikalności elektrycznej próżni;
  2. Jakie będzie wskazanie na woltomierzu, jeśli dielektryk zostanie wysunięty częściowo, tak aby zajmował jedynie 1313 objętości między okładkami?

8.5 Mikroskopowy model dielektryka

56.

Dwie płaskie okładki z równymi co do wartości, przeciwnymi ładunkami rozdziela dielektryk o grubości 4 mm 4mm i względnej przenikalności elektrycznej równej 5 5. Jeśli pole elektryczne w dielektryku wynosi 1,5 MV m 1,5 MV m , to jaka jest

  1. gęstość ładunku na okładkach kondensatora;
  2. gęstość ładunku indukowanego na powierzchniach dielektryka?
57.

Pole powierzchni okładek kondensatora płaskiego wypełnionego teflonem wynosi 50 cm 2 50 cm 2 , a odległość między nimi 0,5 mm 0,5mm. Kondensator podłączono do akumulatora o napięciu 200 V 200V. Oblicz

  1. ładunek swobodny na okładkach kondensatora;
  2. pole elektryczne w dielektryku;
  3. ładunek indukowany na powierzchniach dielektryka.
58.

Oblicz pojemność kondensatora płaskiego, którego okładki mają powierzchnię 5 m 2 5 m 2 i rozdzielone są warstwą teflonu o grubości 0,1 mm 0,1mm.

59.
  1. Jaka jest pojemność kondensatora płaskiego, którego okładki mają powierzchnię 1,5 m 2 1,5 m 2 i rozdzielone są warstwą gumy neoprenowej o grubości 0,02 mm 0,02mm?
  2. Jaki ładunek gromadzi się na kondensatorze po przyłożeniu napięcia 9 V 9V?
60.

Na dwóch równoległych płytkach zgromadzone są równe co do wartości ładunki o przeciwnych znakach. Kiedy przestrzeń między nimi wypełniona jest próżnią, pole elektryczne wynosi E = 3,2 10 5 V m E= 3,2 10 5 V m . Kiedy znajduje się tam dielektryk, wynosi ono E = 2,5 10 5 V m E= 2,5 10 5 V m .

  1. Jaka jest gęstość powierzchniowa ładunku na każdej z powierzchni dielektryka?
  2. Ile wynosi jego względna przenikalność elektryczna?
61.

Dielektryk, który ma zostać wykorzystany w kondensatorze płaskim, ma względną przenikalność elektryczną 3,6 3,6 i wytrzymałość dielektryczną 1,6 10 7 V m 1,6 10 7 V m . Kondensator musi mieć pojemność elektryczną 1,25 nF 1,25nF i wytrzymywać różnicę potencjałów 5,5 kV 5,5kV. Jakie jest minimalne pole powierzchni okładek kondensatora?

62.

Po przyłożeniu napięcia do kondensatora o pojemności 360 nF 360nF wypełnionego powietrzem energia zgromadzona między okładkami wynosi 18,5 µJ 18,5µJ. Bez odłączania napięcia do kondensatora wsunięto płytkę dielektryka, która całkowicie wypełniła przestrzeń między okładkami. W wyniku tej operacji zgromadzona energia wzrosła do 23,2 µJ 23,2µJ.

  1. Jaka jest różnica potencjałów między okładkami kondensatora?
  2. Jaka jest względna przenikalność elektryczna dielektryka?
63.

Kondensator płaski ma okładki w kształcie kwadratu o boku 8 cm 8cm oddalone od siebie o 3,8 mm 3,8mm. Przestrzeń między nimi całkowicie wypełniają dwie kwadratowe płytki dielektryczne o boku 8 cm 8cm i grubości 1,9 mm 1,9mm każda. Jedna z płytek zbudowana jest ze szkła borokrzemowego, a druga z polistyrenu. Oblicz, ile energii elektrycznej może zgromadzić się w kondensatorze, jeśli różnica potencjałów między okładkami wynosi 86 V 86V.

Cytowanie i udostępnianie

Ten podręcznik nie może być wykorzystywany do trenowania sztucznej inteligencji ani do przetwarzania przez systemy sztucznej inteligencji bez zgody OpenStax lub OpenStax Poland.

Chcesz zacytować, udostępnić albo zmodyfikować treść tej książki? Została ona wydana na licencji Uznanie autorstwa (CC BY) , która wymaga od Ciebie uznania autorstwa OpenStax.

Cytowanie i udostępnienia
  • Jeśli rozpowszechniasz tę książkę w formie drukowanej, umieść na każdej jej kartce informację:
    Treści dostępne za darmo na https://openstax.org/books/fizyka-dla-szk%C3%B3%C5%82-wy%C5%BCszych-tom-2/pages/1-wstep
  • Jeśli rozpowszechniasz całą książkę lub jej fragment w formacie cyfrowym, na każdym widoku strony umieść informację:
    Treści dostępne za darmo na https://openstax.org/books/fizyka-dla-szk%C3%B3%C5%82-wy%C5%BCszych-tom-2/pages/1-wstep
Cytowanie

© 21 wrz 2022 OpenStax. Treść książki została wytworzona przez OpenStax na licencji Uznanie autorstwa (CC BY) . Nazwa OpenStax, logo OpenStax, okładki OpenStax, nazwa OpenStax CNX oraz OpenStax CNX logo nie podlegają licencji Creative Commons i wykorzystanie ich jest dozwolone wyłącznie na mocy uprzedniego pisemnego upoważnienia przez Rice University.