Przejdź do treściPrzejdź do informacji o dostępnościMenu skrótów klawiszowych
Logo OpenStax
Wyszukaj kluczowe pojęcia lub tekst.

Zadania trudniejsze

82.

Wewnętrzny przewód w kablu koncentrycznym ma promień a a, a zewnętrzny – b b. Prąd o natężeniu I I płynie w wewnętrznym przewodzie w przeciwnym kierunku niż w zewnętrznym. Indukcyjność własna kabla zależeć będzie od tego, jak rozkłada się natężenie prądu w wewnętrznym przewodzie. Rozważ i porównaj ze sobą dwa skrajne przypadki:

  1. Niech prąd płynie tylko po powierzchni przewodu;
  2. Niech prąd płynie równomiernie przez cały przekrój poprzeczny przewodu.

Załóż, że wewnętrzny przewód ma kształt litego cylindra, a zewnętrzny – cylindrycznej cienkiej powłoki.

83.

W obwodzie oscylacyjnym z tłumieniem energia jest rozpraszana na oporniku. Dobrocią ( Q Q) nazywamy bezwymiarową stałą określającą odporność oscylatora na stratę energii wskutek tłumienia.

  1. Wykaż, że w obwodzie ze słabym tłumieniem energia zanika według równania dEcałdt=2βEcałdEcałdt=2βEcał \d E_{\text{cał}} / \d t = - 2 \beta E_{\text{cał}};
  2. Dobroć zdefiniowana jest jako stosunek początkowej energii do straty energii w kolejnym cyklu. Wykaż, że dobroć oscylatora ze słabym tłumieniem można wyrazić Q=EpoczΔEna cykl=1RLCQ=EpoczΔEna cykl=1RLC Q = E_{\text{pocz}} / \prefop{\Delta} E_{\text{na cykl}} = 1/R \cdot \sqrt{L/C}.
84.

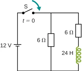
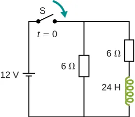
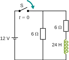
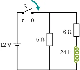
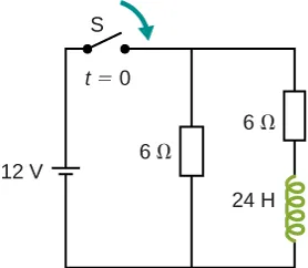
Znajdź natężenie prądu płynącego przez R 1 R 1 , R 2 R 2 i baterię w funkcji czasu po zamknięciu poniższego obwodu w chwili t = 0 s t= 0 s .

12 woltowa bateria połączona jest z 6 omowym opornikiem i przełącznikiem S, który pozostaje otwarty w czasie t=0. Połączenie równoległe z 6 omowym opornikiem i innym 6 omowym opornikiem oraz z cewką indukcyjną o indukcyjności 24 henrów.
85.

Kwadratowa ramka o boku 2 cm 2cm umieszczona jest w odległości 1 cm 1cm od długiego przewodu, w którym płynie prąd, którego natężenie zmienia się jednostajnie z szybkością 3 A s 3 A s .

  1. Korzystając z prawa Ampère’a, znajdź wzór na indukcję pola magnetycznego wytworzonego przez przewód;
  2. Wyznacz strumień pola magnetycznego przez ramkę;
  3. Ile wynosi natężenie wyindukowanego w ramce prądu, jeśli jej opór równy jest 3 Ω 3Ω?
86.

Prostokątna ramka z miedzi ma masę 100 g 100g i opór 0,2 Ω 0,2Ω. Umieszczono ją w jednorodnym polu magnetycznym, którego linie przechodzą prostopadle przez ramkę i są równoległe do powierzchni Ziemi, tak że dolna krawędź ramki pokrywa się z dolną krawędzią obszaru, w którym pole magnetyczne jest niezerowe. W pewnym momencie ramka jest puszczona swobodnie i zaczyna spadać w kierunku Ziemi, tak jak przedstawiono to na rysunku poniżej.

  1. Znajdź szybkość poruszania się ramki w momencie, gdy jej cała powierzchnia znajdzie się poza obszarem, w którym działa pole magnetyczne;
  2. Po jakim czasie od chwili czasu t=0st=0s, gdy została puszczona, opuści ona obszar działania pola magnetycznego?

Załóż, że a = 25 cm a= 25 cm , b = 50 cm b= 50 cm , B = 3 T B= 3 T i g = 9,8 m s 2 g= 9,8 m s 2 oraz że indukcja pola magnetycznego pochodzącego od wyindukowanego prądu jest pomijalnie mała w porównaniu z BB B.

Rysunek (a) przedstawia pole z krzyżykami w środku. Oznaczone jest t=0. Jest też wyznaczony obszar z równymi szerokościami a i równymi długościami b. Rysunek (b) pokazuje to samo pole z krzyżykami w środku. Jest oznaczone jako "gdy istnieje siatka". Wyznaczony obszar z rysunku a znajduje się pod polem. Są również dwie opadające strzałki oznaczone jako g i v.
Cytowanie i udostępnianie

Ten podręcznik nie może być wykorzystywany do trenowania sztucznej inteligencji ani do przetwarzania przez systemy sztucznej inteligencji bez zgody OpenStax lub OpenStax Poland.

Chcesz zacytować, udostępnić albo zmodyfikować treść tej książki? Została ona wydana na licencji Uznanie autorstwa (CC BY) , która wymaga od Ciebie uznania autorstwa OpenStax.

Cytowanie i udostępnienia
  • Jeśli rozpowszechniasz tę książkę w formie drukowanej, umieść na każdej jej kartce informację:
    Treści dostępne za darmo na https://openstax.org/books/fizyka-dla-szk%C3%B3%C5%82-wy%C5%BCszych-tom-2/pages/1-wstep
  • Jeśli rozpowszechniasz całą książkę lub jej fragment w formacie cyfrowym, na każdym widoku strony umieść informację:
    Treści dostępne za darmo na https://openstax.org/books/fizyka-dla-szk%C3%B3%C5%82-wy%C5%BCszych-tom-2/pages/1-wstep
Cytowanie

© 21 wrz 2022 OpenStax. Treść książki została wytworzona przez OpenStax na licencji Uznanie autorstwa (CC BY) . Nazwa OpenStax, logo OpenStax, okładki OpenStax, nazwa OpenStax CNX oraz OpenStax CNX logo nie podlegają licencji Creative Commons i wykorzystanie ich jest dozwolone wyłącznie na mocy uprzedniego pisemnego upoważnienia przez Rice University.