Omitir e ir al contenidoIr a la página de accesibilidadMenú de atajos de teclado
Logo de OpenStax
Física universitaria volumen 2

8.2 Condensadores en serie y en paralelo

Física universitaria volumen 28.2 Condensadores en serie y en paralelo
Buscar términos clave o texto.

Objetivos de aprendizaje

Al final de esta sección, podrá:

  • Explicar cómo determinar la capacitancia equivalente de los condensadores en combinaciones en serie y en paralelo.
  • Calcular la diferencia de potencial entre las placas y la carga en las placas para un condensador en una red y determinar la capacitancia neta de una red de condensadores.

Se pueden conectar varios condensadores entre sí para utilizarlos en diversas aplicaciones. Las conexiones múltiples de condensadores se comportan como un único condensador equivalente. La capacitancia total de este condensador único equivalente depende tanto de los condensadores individuales como de su conexión. Los condensadores pueden disponerse en dos tipos de conexiones simples y comunes, conocidas como en serie y en paralelo, para las que podemos calcular fácilmente la capacitancia total. Estas dos combinaciones básicas, en serie y en paralelo, también pueden utilizarse como parte de conexiones más complejas.

La combinación en serie de condensadores

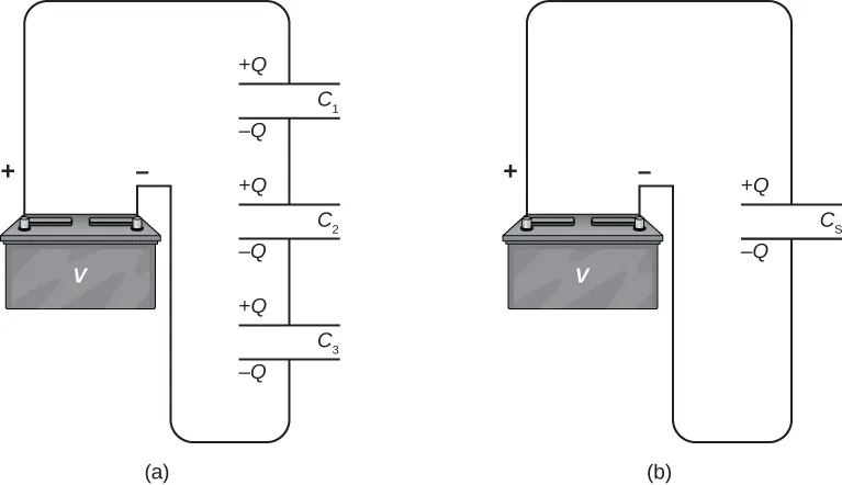
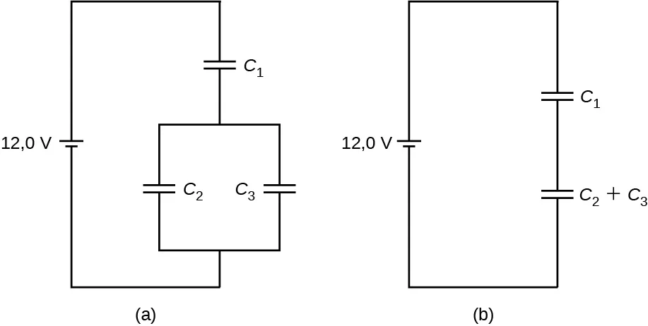
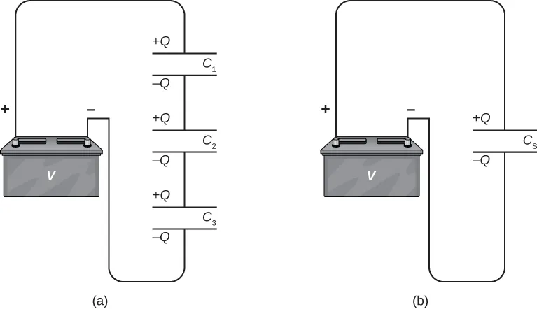
La Figura 8.11 ilustra una combinación en serie de tres condensadores dispuestos en fila dentro del circuito. Como para cualquier condensador, la capacitancia de la combinación está relacionada con la carga y el voltaje mediante la Ecuación 8.1. Cuando esta combinación en serie se conecta a una batería con voltaje V, cada uno de los condensadores adquiere una carga idéntica Q. Para explicarlo, primero hay que tener en cuenta que la carga de la placa conectada al terminal positivo de la batería es +Q+Q y la carga en la placa conectada al terminal negativo es QQ. A continuación, se inducen cargas en las otras placas de modo que la suma de las cargas en todas las placas, y la suma de las cargas en cualquier par de placas del condensador, sea cero. Sin embargo, la caída de potencial V1=Q/C1V1=Q/C1 en un condensador puede ser diferente de la caída de potencial V2=Q/C2V2=Q/C2 en otro condensador, porque, generalmente, los condensadores pueden tener capacitancias diferentes. La combinación en serie de dos o tres condensadores se asemeja a un único condensador con una capacitancia menor. En general, cualquier número de condensadores conectados en serie equivale a un condensador cuya capacitancia (llamada capacitancia equivalente) es menor que la menor de las capacitancias de la combinación en serie. La carga de este condensador equivalente es la misma que la de cualquier condensador en una combinación en serie: Es decir, todos los condensadores de una combinación en serie tienen la misma carga. Esto ocurre debido a la conservación de la carga en el circuito. Cuando una carga Q en un circuito en serie se retira de una placa del primer condensador (que denotamos como QQ), debe colocarse en una placa del segundo condensador (que denotamos como +Q),+Q), y así sucesivamente.

La figura a muestra los condensadores C1, C2 y C3 en serie, conectados a una batería. La figura b muestra el condensador Cs conectado a la batería.
Figura 8.11 (a) Tres condensadores están conectados en serie. La magnitud de la carga en cada placa es Q. (b) La red de condensadores en (a) es equivalente a un condensador que tiene una capacitancia menor que cualquiera de las capacitancias individuales en (a), y la carga en sus placas es Q.

Podemos calcular una expresión para la capacitancia total (equivalente) considerando los voltajes a través de los condensadores individuales. Los potenciales a través de los condensadores 1, 2 y 3 son, respectivamente, V1=Q/C1V1=Q/C1, V2=Q/C2V2=Q/C2 y V3=Q/C3V3=Q/C3. Estos potenciales deben sumar el voltaje de la batería, dando el siguiente equilibrio de potencial:

V=V1+V2+V3.V=V1+V2+V3.

El potencial V se mide a través de un condensador equivalente que mantiene la carga Q y tiene una capacitancia equivalente CSCS. Introduciendo las expresiones para V1V1, V2V2 y V3V3, obtenemos

QCS=QC1+QC2+QC3.QCS=QC1+QC2+QC3.

Cancelando la carga Q, obtenemos una expresión que contiene la capacitancia equivalente, CSCS, de tres condensadores conectados en serie:

1CS=1C1+1C2+1C3.1CS=1C1+1C2+1C3.

Esta expresión puede generalizarse a cualquier número de condensadores en una red en serie.

Combinación en serie

Para los condensadores conectados en una combinación en serie, el recíproco de la capacitancia equivalente es la suma de los recíprocos de las capacitancias individuales:

1CS=1C1+1C2+1C3+.1CS=1C1+1C2+1C3+.
8.7

Ejemplo 8.4

Capacitancia equivalente de una red en serie

Calcule la capacitancia total de tres condensadores conectados en serie, dado que sus capacitancias individuales son 1,000μF1,000μF, 5,000μF5,000μF y 8,000μF8,000μF.

Estrategia

Como solo hay tres condensadores en esta red podemos calcular la capacitancia equivalente utilizando la Ecuación 8.7 con tres términos.

Solución

Introducimos las capacitancias dadas en la Ecuación 8.7:
1CS=1C1+1C2+1C3=11,000μF+15,000μF+18,000μF1CS=1,325μF.1CS=1C1+1C2+1C3=11,000μF+15,000μF+18,000μF1CS=1,325μF.

Ahora invertimos este resultado y obtenemos CS=μF1,325=0,755μF.CS=μF1,325=0,755μF.

Importancia

Tenga en cuenta que en una red de condensadores en serie la capacitancia equivalente es siempre menor que la menor capacitancia individual de la red.

La combinación paralela de condensadores

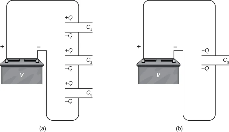
Una combinación en paralelo de tres condensadores, con una placa de cada condensador conectada a un lado del circuito y la otra placa conectada al otro lado, se ilustra en la Figura 8.12(a). Como los condensadores están conectados en paralelo, todos tienen el mismo voltaje V en sus placas. Sin embargo, cada condensador de la red en paralelo puede almacenar una carga diferente. Para calcular la capacitancia equivalente CPCP de la red paralela, observamos que la carga total Q almacenada por la red es la suma de todas las cargas individuales:

Q=Q1+Q2+Q3.Q=Q1+Q2+Q3.

En el lado izquierdo de esta ecuación, utilizamos la relación Q=CPVQ=CPV, que se mantiene para toda la red. En el lado derecho de la ecuación, utilizamos las relaciones Q1=C1V,Q2=C2V,Q1=C1V,Q2=C2V, y Q3=C3VQ3=C3V para los tres condensadores de la red. De esta manera obtenemos

CPV=C1V+C2V+C3V.CPV=C1V+C2V+C3V.

Esta ecuación, simplificada, es la expresión de la capacitancia equivalente de la red paralela de tres condensadores:

CP=C1+C2+C3.CP=C1+C2+C3.

Esta expresión es fácilmente generalizable a cualquier número de condensadores conectados en paralelo en la red.

Combinación paralela

Para los condensadores conectados en una combinación en paralelo, la capacitancia equivalente (neta) es la suma de todas las capacitancias individuales de la red,

CP=C1+C2+C3+.CP=C1+C2+C3+.
8.8
La figura a muestra los condensadores C1, C2 y C3 en paralelo, con cada uno de ellos conectado a una batería. Las placas positivas de C1, C2 y C3 tienen carga +Q1, +Q2 y +Q3 respectivamente y las placas negativas tienen carga -Q1, -Q2 y -Q3 respectivamente. La figura b muestra el condensador equivalente Cp igual a C1 más C2 más C3. La carga en la placa positiva es igual a +Q igual a Q1 más Q2 más Q3. La carga en la placa negativa es igual a -Q igual a menos Q1 menos Q2 menos Q3.
Figura 8.12 (a) Se conectan tres condensadores en paralelo. Cada condensador está conectado directamente a la batería. (b) La carga del condensador equivalente es la suma de las cargas de los condensadores individuales.

Ejemplo 8.5

Capacitancia equivalente de una red paralela

Calcule la capacitancia neta de tres condensadores conectados en paralelo, dado que sus capacitancias individuales son 1,0μF,5,0μF,y8,0μF.1,0μF,5,0μF,y8,0μF.

Estrategia

Como solo hay tres condensadores en esta red podemos calcular la capacitancia equivalente utilizando la Ecuación 8.8 con tres términos.

Solución

Introduciendo las capacitancias dadas en la Ecuación 8.8 se obtiene
CP=C1+C2+C3=1,0μF+5,0μF+8,0μFCP=14,0μF.CP=C1+C2+C3=1,0μF+5,0μF+8,0μFCP=14,0μF.

Importancia

Observe que en una red paralela de condensadores la capacitancia equivalente es siempre mayor que cualquiera de las capacitancias individuales de la red.

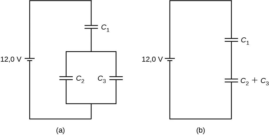
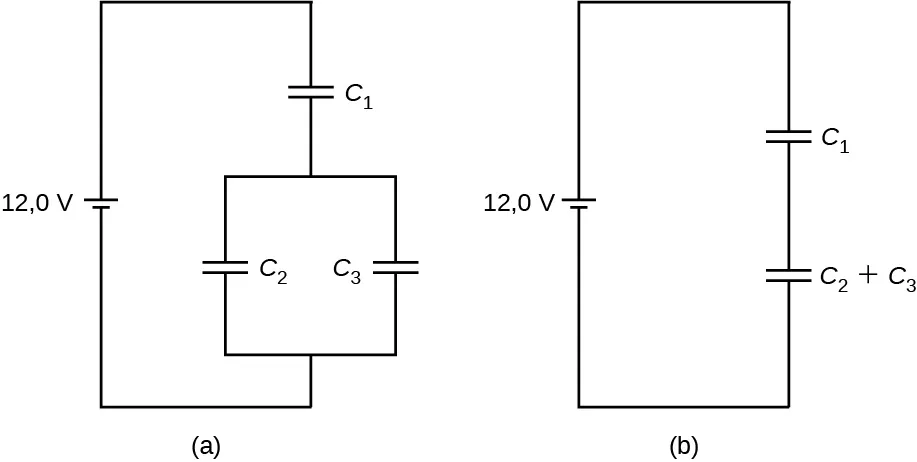
Las redes de condensadores suelen ser una combinación de conexiones en serie y en paralelo, como se muestra en Figura 8.13. Para calcular la capacitancia neta de tales combinaciones, identificamos las partes que contienen solo conexiones en serie o solo en paralelo, y hallamos sus capacitancias equivalentes. Repetimos este proceso hasta que podamos determinar la capacitancia equivalente de toda la red. El siguiente ejemplo ilustra este proceso.

La figura a muestra los condensadores C1 y C2 en serie y C3 en paralelo con ellos. El valor de C1 es 1 micro Faradio, el de C2 es 5 micro Faradios y el de C3 es 8 micro Faradios. La figura b es la misma que la figura a, con C1 y C2 siendo reemplazados por el condensador equivalente Cs. La figura c es la misma que la figura b, con Cs y C3 siendo reemplazados por el condensador equivalente C tot. C tot es igual a Cs más C3.
Figura 8.13 (a) Este circuito contiene conexiones en serie y en paralelo de condensadores. (b) C1C1 y C2C2 están en serie; su capacitancia equivalente es CS.CS. (c) La capacitancia equivalente CSCS se conecta en paralelo con C3.C3. Así, la capacitancia equivalente de toda la red es la suma de CSCS y C3.C3.

Ejemplo 8.6

Capacitancia equivalente de una red

Calcule la capacitancia total de la combinación de condensadores que se muestra en la Figura 8.13. Supongamos que las capacitancias se conocen con tres decimales (C1=1,000μF,C2=5,000μF,(C1=1,000μF,C2=5,000μF,C3=8,000μF).C3=8,000μF). Redondee su respuesta a tres decimales.

Estrategia

Primero identificamos qué condensadores están en serie y cuáles en paralelo. Condensadores C1C1 y C2C2 están en serie. Su combinación, denominada CS,CS, está en paralelo con C3.C3.

Solución

Dado que C1yC2C1yC2 están en serie, su capacitancia equivalente CSCS se obtiene con la Ecuación 8.7:
1CS=1C1+1C2=11,000μF+15,000μF=1,200μFCS=0,833μF.1CS=1C1+1C2=11,000μF+15,000μF=1,200μFCS=0,833μF.

Capacitancia CSCS se conecta en paralelo con la tercera capacitancia C3C3, por lo que utilizamos la Ecuación 8.8 para calcular la capacitancia equivalente C de toda la red:

C=CS+C3=0,833μF+8,000μF=8,833μF.C=CS+C3=0,833μF+8,000μF=8,833μF.

Ejemplo 8.7

Red de condensadores

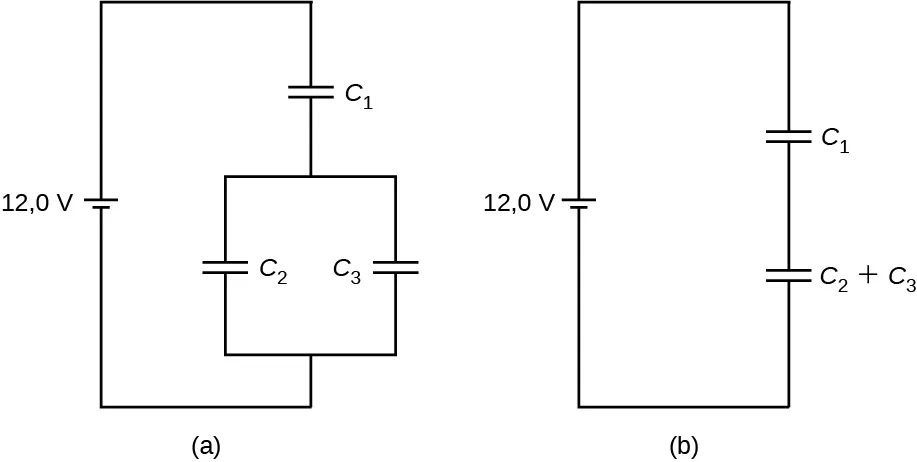
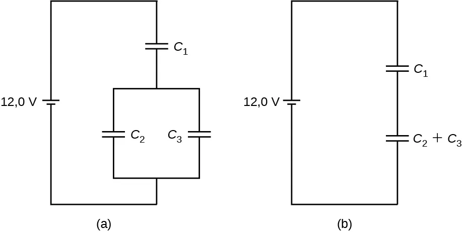
Determine la capacitancia neta C de la combinación de condensadores mostrada en la Figura 8.14 cuando las capacitancias son C1=12,0μF,C2=2,0μF,C1=12,0μF,C2=2,0μF, y C3=4,0μFC3=4,0μF. Cuando se mantiene una diferencia de potencial de 12,0 V a través de la combinación, halle la carga y el voltaje a través de cada condensador.
La figura a muestra los condensadores C1 y C2 en serie y C3 en paralelo con ellos. El valor de C1 es 1 micro Faradio, el de C2 es 5 micro Faradios y el de C3 es 8 micro Faradios. La figura b es la misma que la figura a, con C1 y C2 siendo reemplazados por el condensador equivalente Cs. La figura c es la misma que la figura b, con Cs y C3 siendo reemplazados por el condensador equivalente C tot. C tot es igual a Cs más C3.
Figura 8.14 (a) Una combinación de condensadores. (b) Una combinación equivalente de dos condensadores.

Estrategia

Primero calculamos la capacitancia neta C23C23 de la conexión en paralelo C2C2 y C3C3. Entonces C es la capacitancia neta de la conexión en serie C1C1 y C23C23. Utilizamos la relación C=Q/VC=Q/V para hallar las cargas Q1Q1,Q2Q2 y Q3Q3, y los voltajes V1V1, V2V2 y V3V3, a través de los condensadores 1, 2 y 3, respectivamente.

Solución

La capacitancia equivalente para C2C2 y C3C3 es
C23=C2+C3=2,0μF+4,0μF=6,0μF.C23=C2+C3=2,0μF+4,0μF=6,0μF.

La combinación completa de tres condensadores equivale a dos condensadores en serie,

1C=112,0μF+16,0μF=14,0μFC=4,0μF.1C=112,0μF+16,0μF=14,0μFC=4,0μF.

Considere la combinación equivalente de dos condensadores en la Figura 8.14(b). Como los condensadores están en serie, tienen la misma carga, Q1=Q23Q1=Q23. Además, los condensadores comparten la diferencia de potencial de 12,0 V, por lo que

12,0V=V1+V23=Q1C1+Q23C23=Q112,0μF+Q16,0μFQ1=48,0μC.12,0V=V1+V23=Q1C1+Q23C23=Q112,0μF+Q16,0μFQ1=48,0μC.

Ahora la diferencia de potencial a través del condensador 1 es

V1=Q1C1=48,0μC12,0μF=4,0V.V1=Q1C1=48,0μC12,0μF=4,0V.

Como los condensadores 2 y 3 están conectados en paralelo, están a la misma diferencia de potencial:

V2=V3=12,0V4,0V=8,0V.V2=V3=12,0V4,0V=8,0V.

Por lo tanto, las cargas de estos dos condensadores son, respectivamente,

Q2=C2V2=(2,0μF)(8,0V)=16,0μC,Q3=C3V3=(4,0μF)(8,0V)=32,0μC.Q2=C2V2=(2,0μF)(8,0V)=16,0μC,Q3=C3V3=(4,0μF)(8,0V)=32,0μC.

Importancia

Como se esperaba, la carga neta en la combinación paralela de C2C2 y C3C3 es Q23=Q2+Q3=48,0μC.Q23=Q2+Q3=48,0μC.

Compruebe Lo Aprendido 8.5

Determine la capacitancia neta C de cada red de condensadores que se muestra a continuación. Supongamos que C1=1,0pFC1=1,0pF, C2=2,0pFC2=2,0pF, C3=4,0pFC3=4,0pF y C4=5,0pFC4=5,0pF. Calcule la carga de cada condensador suponiendo que hay una diferencia de potencial de 12,0 V en cada red.

La figura a muestra los condensadores C2 y C3 en paralelo. Están en serie con C1. La figura b muestra los condensadores C2 y C3 en serie. Están en paralelo con C1. La figura c muestra los condensadores C1 y C2 en paralelo entre sí y los condensadores C3 y C4 en paralelo entre sí. Estas combinaciones se conectan en serie.
Cita/Atribución

Este libro no puede ser utilizado en la formación de grandes modelos de lenguaje ni incorporado de otra manera en grandes modelos de lenguaje u ofertas de IA generativa sin el permiso de OpenStax.

¿Desea citar, compartir o modificar este libro? Este libro utiliza la Creative Commons Attribution License y debe atribuir a OpenStax.

Información de atribución
  • Si redistribuye todo o parte de este libro en formato impreso, debe incluir en cada página física la siguiente atribución:
    Acceso gratis en https://openstax.org/books/f%C3%ADsica-universitaria-volumen-2/pages/1-introduccion
  • Si redistribuye todo o parte de este libro en formato digital, debe incluir en cada vista de la página digital la siguiente atribución:
    Acceso gratuito en https://openstax.org/books/f%C3%ADsica-universitaria-volumen-2/pages/1-introduccion
Información sobre citas

© 13 abr. 2022 OpenStax. El contenido de los libros de texto que produce OpenStax tiene una licencia de Creative Commons Attribution License . El nombre de OpenStax, el logotipo de OpenStax, las portadas de libros de OpenStax, el nombre de OpenStax CNX y el logotipo de OpenStax CNX no están sujetos a la licencia de Creative Commons y no se pueden reproducir sin el previo y expreso consentimiento por escrito de Rice University.