Skip to ContentGo to accessibility pageKeyboard shortcuts menu
OpenStax Logo
University Physics Volume 2

Challenge Problems

University Physics Volume 2Challenge Problems
Search for key terms or text.

Challenge Problems

77.

A spherical capacitor is formed from two concentric spherical conducting spheres separated by vacuum. The inner sphere has radius 12.5 cm and the outer sphere has radius 14.8 cm. A potential difference of 120 V is applied to the capacitor. (a) What is the capacitance of the capacitor? (b) What is the magnitude of the electrical field at r=12.6cmr=12.6cm, just outside the inner sphere? (c) What is the magnitude of the electrical field at r=14.7cmr=14.7cm, just inside the outer sphere? (d) For a parallel-plate capacitor the electrical field is uniform in the region between the plates, except near the edges of the plates. Is this also true for a spherical capacitor?

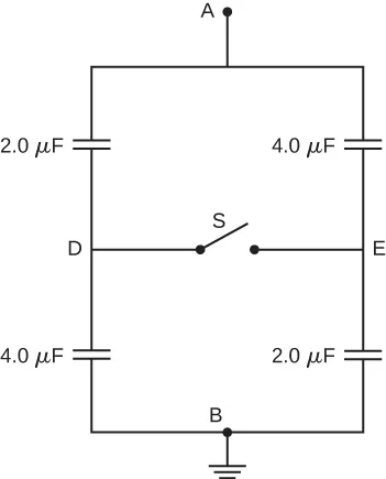
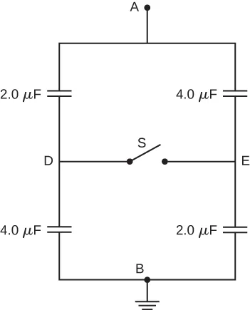
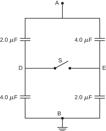
78.

The network of capacitors shown below are all uncharged when a 300-V potential is applied between points A and B with the switch S open. (a) What is the potential difference VEVDVEVD ? (b) What is the potential at point E after the switch is closed? (c) How much charge flows through the switch after it is closed?

Figure a shows a capacitor connected to a battery. The capacitor has voltage V0 across it. The positive and negative plates of the capacitor have charge plus Q0 and minus Q0 respectively. Figure b shows the same capacitor with a dielectric inserted in it. The charge on the positive and negative plates is now plus Q and minus Q respectively. Negative charges are shown accumulated near the inner surface of the positive plate. These are labeled minus Qi. Positive charges are shown accumulated near the inner surface of the negative plate. These are labeled plus Qi.
79.

Electronic flash units for cameras contain a capacitor for storing the energy used to produce the flash. In one such unit the flash lasts for 1/675 fraction of a second with an average light power output of 270 kW. (a) If the conversion of electrical energy to light is 95% efficient (because the rest of the energy goes to thermal energy), how much energy must be stored in the capacitor for one flash? (b) The capacitor has a potential difference between its plates of 125 V when the stored energy equals the value stored in part (a). What is the capacitance?

80.

A spherical capacitor is formed from two concentric spherical conducting shells separated by a vacuum. The inner sphere has radius 12.5 cm and the outer sphere has radius 14.8 cm. A potential difference of 120 V is applied to the capacitor. (a) What is the energy density at r=12.6cmr=12.6cm, just outside the inner sphere? (b) What is the energy density at r=14.7cmr=14.7cm, just inside the outer sphere? (c) For the parallel-plate capacitor the energy density is uniform in the region between the plates, except near the edges of the plates. Is this also true for the spherical capacitor?

81.

A metal plate of thickness t is held in place between two capacitor plates by plastic pegs, as shown below. The effect of the pegs on the capacitance is negligible. The area of each capacitor plate and the area of the top and bottom surfaces of the inserted plate are all A. What is the capacitance of this system?

Figure shows two plates of a capacitor separated by a distance d. A metal plate of thickness t is shown in between the two plates. The distance of the metal from one capacitor plate is d1 and that from the other capacitor plate is d2.
82.

A parallel-plate capacitor is filled with two dielectrics, as shown below. When the plate area is A and separation between plates is d, show that the capacitance is given by

C = ε 0 A d κ 1 + κ 2 2 . C = ε 0 A d κ 1 + κ 2 2 .

Figure shows two vertical plates of a capacitor. The top half of the area between them is filled with material labeled K1.The other half is filled with material labeled K2.
83.

A parallel-plate capacitor is filled with two dielectrics, as shown below. Show that the capacitance is given by

C = 2 ε 0 A d κ 1 κ 2 κ 1 + κ 2 . C = 2 ε 0 A d κ 1 κ 2 κ 1 + κ 2 .

Figure shows two vertical plates of a capacitor. The left half of the area between them is filled with material labeled K1.The right half is filled with material labeled K2. Both K1 and K2 have thickness d by 2. The area of the capacitor plate is labeled A.
84.

A capacitor has parallel plates of area 12cm212cm2 separated by 2.0 mm. The space between the plates is filled with polystyrene. (a) Find the maximum permissible voltage across the capacitor to avoid dielectric breakdown. (b) When the voltage equals the value found in part (a), find the surface charge density on the surface of the dielectric.

Citation/Attribution

This book may not be used in the training of large language models or otherwise be ingested into large language models or generative AI offerings without OpenStax's permission.

Want to cite, share, or modify this book? This book uses the Creative Commons Attribution License and you must attribute OpenStax.

Attribution information
  • If you are redistributing all or part of this book in a print format, then you must include on every physical page the following attribution:

    Access for free at https://openstax.org/books/university-physics-volume-2/pages/1-introduction

  • If you are redistributing all or part of this book in a digital format, then you must include on every digital page view the following attribution:

    Access for free at https://openstax.org/books/university-physics-volume-2/pages/1-introduction

Citation information

© Jul 8, 2025 OpenStax. Textbook content produced by OpenStax is licensed under a Creative Commons Attribution License . The OpenStax name, OpenStax logo, OpenStax book covers, OpenStax CNX name, and OpenStax CNX logo are not subject to the Creative Commons license and may not be reproduced without the prior and express written consent of Rice University.