Skip to ContentGo to accessibility pageKeyboard shortcuts menu
OpenStax Logo
University Physics Volume 2

Challenge Problems

University Physics Volume 2Challenge Problems
Search for key terms or text.

Challenge Problems

88.

Some camera flashes use flash tubes that require a high voltage. They obtain a high voltage by charging capacitors in parallel and then internally changing the connections of the capacitors to place them in series. Consider a circuit that uses four AAA batteries connected in series to charge six 10-mF capacitors through an equivalent resistance of 100Ω100Ω. The connections are then switched internally to place the capacitors in series. The capacitors discharge through a lamp with a resistance of 100Ω100Ω. (a) What is the RC time constant and the initial current out of the batteries while they are connected in parallel? (b) How long does it take for the capacitors to charge to 90%90% of the terminal voltages of the batteries? (c) What is the RC time constant and the initial current of the capacitors connected in series assuming it discharges at 90%90% of full charge? (d) How long does it take the current to decrease to 10%10% of the initial value?

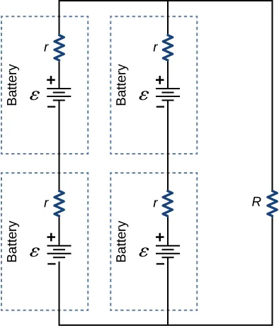
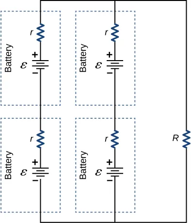
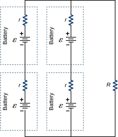
89.

Consider the circuit shown below. Each battery has an emf of 1.50 V and an internal resistance of 1.00Ω.1.00Ω. (a) What is the current through the external resistor, which has a resistance of 10.00 ohms? (b) What is the terminal voltage of each battery?

The circuit shows three parallel branches. The first and second branch both have two voltage sources ε with positive terminals upward and internal resistances r. The third branch has a resistor R.
90.

Analog meters use a galvanometer, which essentially consists of a coil of wire with a small resistance and a pointer with a scale attached. When current runs through the coil, the pointer turns; the amount the pointer turns is proportional to the amount of current running through the coil. Galvanometers can be used to make an ammeter if a resistor is placed in parallel with the galvanometer. Consider a galvanometer that has a resistance of 25.00Ω25.00Ω and gives a full scale reading when a 50-μA50-μA current runs through it. The galvanometer is to be used to make an ammeter that has a full scale reading of 10.00 A, as shown below. Recall that an ammeter is connected in series with the circuit of interest, so all 10 A must run through the meter. (a) What is the current through the parallel resistor in the meter? (b) What is the voltage across the parallel resistor? (c) What is the resistance of the series resistor?

The figure shows an ammeter with resistance R subscript M connected across resistor R subscript P with current of 10 A.
91.

Analog meters use a galvanometer, which essentially consists of a coil of wire with a small resistance and a pointer with a scale attached. When current runs through the coil, the point turns; the amount the pointer turns is proportional to the amount of current running through the coil. Galvanometers can be used to make a voltmeter if a resistor is placed in series with the galvanometer. Consider a galvanometer that has a resistance of 25.00Ω25.00Ω and gives a full scale reading when a 50-μA50-μA current runs through it. The galvanometer is to be used to make an voltmeter that has a full scale reading of 10.00 V, as shown below. Recall that a voltmeter is connected in parallel with the component of interest, so the meter must have a high resistance or it will change the current running through the component. (a) What is the potential drop across the series resistor in the meter? (b) What is the resistance of the parallel resistor?

The figure shows a resistor R subscript S connected in series with a voltmeter with resistance R subscript M. The voltage difference across the ends is 10 V.
92.

Consider the circuit shown below. Find I1,V1,I2,andV3.I1,V1,I2,andV3.

The circuit shows positive terminal of voltage source V of 12 V connected to an ammeter connected to resistor R subscript 1 of 1 Ω with voltmeter across it connected to two parallel branches. The first branch has an ammeter connected to resistor R subscript 2 of 6 Ω and second branch has R subscript 3 of 13 Ω and voltmeter across it.
93.

Consider the circuit below. (a) What is the RC time constant of the circuit? (b) What is the initial current in the circuit once the switch is closed? (c) How much time passes between the instant the switch is closed and the time the current has reached half of the initial current?

The circuit shows positive terminal of voltage source V subscript 1 of 24 V connected to negative terminal of voltage source of voltage source V subscript 2 of 24 V. The positive terminal of V subscript 2 is connected to an open switch. The other end of the switch is connected to capacitor C subscript 1 of 100 mF which is connected to two parallel branches, one with resistor R subscript 2 of 10 kΩ and other with R subscript 1 of 10 kΩ and R subscript 3 of 30 kΩ. The two branches are connected to source V subscript 1 through resistor R subscript 4 of 30 kΩ.
94.

Consider the circuit below. (a) What is the initial current through resistor R2R2 when the switch is closed? (b) What is the current through resistor R2R2 when the capacitor is fully charged, long after the switch is closed? (c) What happens if the switch is opened after it has been closed for some time? (d) If the switch has been closed for a time period long enough for the capacitor to become fully charged, and then the switch is opened, how long before the current through resistor R1R1 reaches half of its initial value?

The positive terminal of voltage source V subscript 1 of 24 V is connected to an open switch. The other end of the switch is connected to two parallel branches, one with resistor R subscript 1 of 10 kΩ and other with capacitor C of 10 μF. The two branches are connected to source V subscript 1 through resistor R subscript 2 of 30 kΩ.
95.

Consider the infinitely long chain of resistors shown below. What is the resistance between terminals a and b?

The circuit shows infinitely long circuit with vertical resistor R and its two ends connected to horizontal branches with resistors R connected to vertical resistor R connected to horizontal branches with resistors R and so on..
96.

Consider the circuit below. The capacitor has a capacitance of 10 mF. The switch is closed and after a long time the capacitor is fully charged. (a) What is the current through each resistor a long time after the switch is closed? (b) What is the voltage across each resistor a long time after the switch is closed? (c) What is the voltage across the capacitor a long time after the switch is closed? (d) What is the charge on the capacitor a long time after the switch is closed? (e) The switch is then opened. The capacitor discharges through the resistors. How long from the time before the current drops to one fifth of the initial value?

The positive terminal of voltage source V of 12 V is connected to an open switch. The other end of the switch is connected to two parallel branches. The first branch has resistors R subscript 2 of 2 Ω and R subscript 2 of 4 Ω. The second branch has resistors R subscript 3 of 3 Ω and R subscript 4 of 3 Ω. The two branches are connected in the middle using capacitor C. The other ends of the branches are grounded.
97.

A 120-V immersion heater consists of a coil of wire that is placed in a cup to boil the water. The heater can boil one cup of 20.00°C20.00°C water in 180.00 seconds. You buy one to use in your dorm room, but you are worried that you will overload the circuit and trip the 15.00-A, 120-V circuit breaker, which supplies your dorm room. In your dorm room, you have four 100.00-W incandescent lamps and a 1500.00-W space heater. (a) What is the power rating of the immersion heater? (b) Will it trip the breaker when everything is turned on? (c) If it you replace the incandescent bulbs with 18.00-W LED, will the breaker trip when everything is turned on?

98.

Find the resistance that must be placed in series with a 25.0-Ω25.0-Ω galvanometer having a 50.0-μA50.0-μA sensitivity (the same as the one discussed in the text) to allow it to be used as a voltmeter with a 3000-V full-scale reading. Include a circuit diagram with your solution.

99.

Find the resistance that must be placed in parallel with a 60.0-Ω60.0-Ω galvanometer having a 1.00-mA sensitivity (the same as the one discussed in the text) to allow it to be used as an ammeter with a 25.0-A full-scale reading. Include a circuit diagram with your solution.

Citation/Attribution

This book may not be used in the training of large language models or otherwise be ingested into large language models or generative AI offerings without OpenStax's permission.

Want to cite, share, or modify this book? This book uses the Creative Commons Attribution License and you must attribute OpenStax.

Attribution information
  • If you are redistributing all or part of this book in a print format, then you must include on every physical page the following attribution:

    Access for free at https://openstax.org/books/university-physics-volume-2/pages/1-introduction

  • If you are redistributing all or part of this book in a digital format, then you must include on every digital page view the following attribution:

    Access for free at https://openstax.org/books/university-physics-volume-2/pages/1-introduction

Citation information

© Jul 8, 2025 OpenStax. Textbook content produced by OpenStax is licensed under a Creative Commons Attribution License . The OpenStax name, OpenStax logo, OpenStax book covers, OpenStax CNX name, and OpenStax CNX logo are not subject to the Creative Commons license and may not be reproduced without the prior and express written consent of Rice University.