Omitir e ir al contenidoIr a la página de accesibilidadMenú de atajos de teclado
Logo de OpenStax
Física universitaria volumen 2

Problemas De Desafío

Física universitaria volumen 2Problemas De Desafío
Buscar términos clave o texto.

Problemas De Desafío

77.

Un condensador esférico está formado por dos esferas conductoras concéntricas separadas por el vacío. La esfera interior tiene un radio de 12,5 cm y la exterior de 14,8 cm. Se aplica una diferencia de potencial de 120 V al condensador. (a) ¿Cuál es la capacitancia del condensador? (b) ¿Cuál es la magnitud del campo eléctrico en r=12,6cmr=12,6cm, justo fuera de la esfera interior? (c) ¿Cuál es la magnitud del campo eléctrico en r=14,7cmr=14,7cm, justo dentro de la esfera exterior? (d) Para un condensador de placas paralelas el campo eléctrico es uniforme en la región entre las placas, excepto cerca de sus bordes. ¿Esto también es cierto para un condensador esférico?

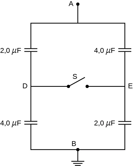
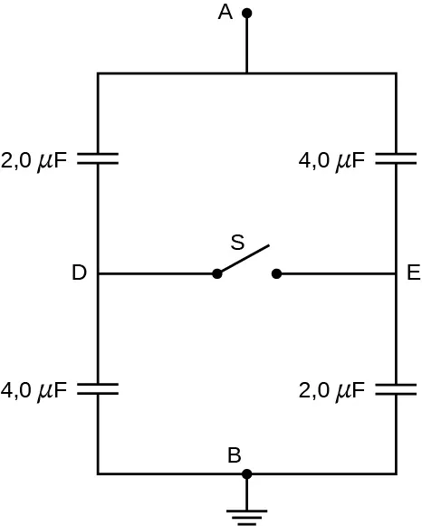
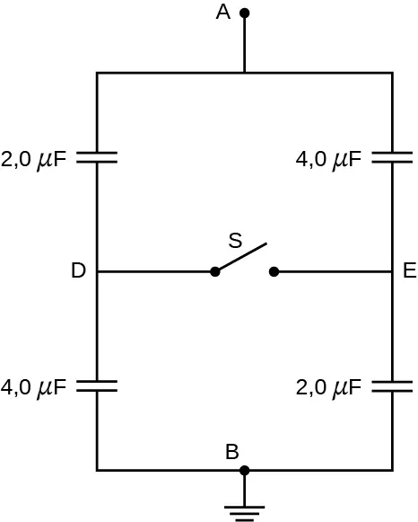
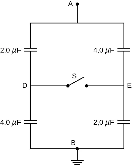
78.

En la red de condensadores que se muestra a continuación están todos descargados cuando se aplica un potencial de 300 V entre los puntos A y B con el interruptor S abierto. (a) ¿Cuál es la diferencia de potencial VEVDVEVD? (b) ¿Cuál es el potencial en el punto E después de cerrar el interruptor? (c) ¿Cuánta carga fluye a través del interruptor después de cerrarlo?

La figura a muestra un condensador conectado a una batería. El condensador tiene un voltaje V0 a través de él. Las placas positiva y negativa del condensador tienen carga más Q0 y menos Q0 respectivamente. La figura b muestra el mismo condensador con un dieléctrico insertado en él. La carga en las placas positiva y negativa es ahora más Q y menos Q respectivamente. Las cargas negativas se muestran acumuladas cerca de la superficie interior de la placa positiva. Estas están marcadas menos Qi. Las cargas positivas se muestran acumuladas cerca de la superficie interior de la placa negativa. Estas están marcadas más Qi.
79.

Los flashes electrónicos para cámaras contienen un condensador para almacenar la energía utilizada para producir el flash. En una de estas unidades el destello dura 1/675 fracciones de segundo con una potencia lumínica media de 270 kW. (a) Si la conversión de energía eléctrica en luz es eficiente en un 95 % (porque el resto de la energía se destina a energía térmica), ¿cuánta energía debe almacenarse en el condensador para un destello? (b) El condensador tiene una diferencia de potencial entre sus placas de 125 V cuando la energía almacenada es igual al valor almacenado en la parte (a). ¿Cuál es la capacitancia?

80.

Un condensador esférico está formado por dos capas conductoras esféricas concéntricas separadas por el vacío. La esfera interior tiene un radio de 12,5 cm y la exterior de 14,8 cm. Se aplica una diferencia de potencial de 120 V al condensador. (a) ¿Cuál es la densidad de energía a r=12,6cmr=12,6cm, justo fuera de la esfera interior? (b) ¿Cuál es la densidad de energía en r=14,7cmr=14,7cm, justo dentro de la esfera exterior? (c) Para el condensador de placas paralelas la densidad de energía es uniforme en la región entre las placas, excepto cerca de sus bordes. ¿Esto también es cierto para el condensador esférico?

81.

Una placa de metal de grosor t está sujeta entre dos placas de condensador por medio de clavijas de plástico, como se muestra a continuación. El efecto de las clavijas en la capacitancia es insignificante. El área de cada placa del condensador y el área de las superficies superior e inferior de la placa insertada son todas A. ¿Cuál es la capacitancia de este sistema?

La figura muestra dos placas de un condensador separadas por una distancia d. Entre las dos placas se muestra una placa de metal de espesor t. La distancia del metal a una placa del condensador es d1 y la de la otra placa del condensador es d2.
82.

Un condensador de placas paralelas está lleno de dos dieléctricos, como se muestra a continuación. Cuando el área de las placas es A y la separación entre ellas es d, demuestre que la capacitancia está dada por

C = ε 0 A d κ 1 + κ 2 2 . C = ε 0 A d κ 1 + κ 2 2 .

La figura muestra dos placas verticales de un condensador. La mitad superior del área entre ellas se rellena con material marcado como K1. La otra mitad se rellena con material marcado como K2.
83.

Un condensador de placas paralelas está lleno de dos dieléctricos, como se muestra a continuación. Demuestre que la capacitancia viene dada por

C = 2 ε 0 A d κ 1 κ 2 κ 1 + κ 2 . C = 2 ε 0 A d κ 1 κ 2 κ 1 + κ 2 .

La figura muestra dos placas verticales de un condensador. La mitad izquierda del área entre ellas se rellena con material marcado como K1. La mitad derecha se rellena con material marcado como K2. Tanto K1 como K2 tienen un grosor d por 2. El área de la placa del condensador está marcada como A.
84.

Un condensador tiene placas paralelas de área 12cm212cm2 separados por 2,0 mm. El espacio entre las placas está relleno de poliestireno. (a) Calcule el voltaje máximo admisible a través del condensador para evitar la ruptura dieléctrica. (b) Cuando el voltaje es igual al valor hallado en la parte (a), calcule la densidad de carga superficial en la superficie del dieléctrico.

Cita/Atribución

Este libro no puede ser utilizado en la formación de grandes modelos de lenguaje ni incorporado de otra manera en grandes modelos de lenguaje u ofertas de IA generativa sin el permiso de OpenStax.

¿Desea citar, compartir o modificar este libro? Este libro utiliza la Creative Commons Attribution License y debe atribuir a OpenStax.

Información de atribución
  • Si redistribuye todo o parte de este libro en formato impreso, debe incluir en cada página física la siguiente atribución:
    Acceso gratis en https://openstax.org/books/f%C3%ADsica-universitaria-volumen-2/pages/1-introduccion
  • Si redistribuye todo o parte de este libro en formato digital, debe incluir en cada vista de la página digital la siguiente atribución:
    Acceso gratuito en https://openstax.org/books/f%C3%ADsica-universitaria-volumen-2/pages/1-introduccion
Información sobre citas

© 13 abr. 2022 OpenStax. El contenido de los libros de texto que produce OpenStax tiene una licencia de Creative Commons Attribution License . El nombre de OpenStax, el logotipo de OpenStax, las portadas de libros de OpenStax, el nombre de OpenStax CNX y el logotipo de OpenStax CNX no están sujetos a la licencia de Creative Commons y no se pueden reproducir sin el previo y expreso consentimiento por escrito de Rice University.